Fuse number for headlights and taillights

2003 FORD F-250
445,000 MILES • TURBO
Avatar
MOTEAMANN
  • MEMBER
  • 1 POST
i think i blew fuse that controls headlights and taillights.
Nov 14, 2019 at 10:36 AM
Advertisement
Avatar
ASEMASTER6371
  • CERTIFIED EXPERT
  • 52,796 POSTS
Good afternoon,

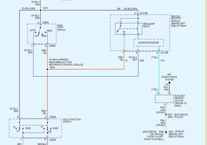
There are some fuses for the lights. I attached a wiring diagram of the headlights and tail lights. Make sure there is power at the fuses. That is not a visual test, it is a voltage test.

https://www.2carpros.com/articles/how-a-car-fuse-works

Roy
Nov 14, 2019 at 10:58 AM