Fuse location for windshield wipers needed

2007 DODGE CALIBER
181,542 MILES • 2.0L • 6 CYL • 2WD • AUTOMATIC
Avatar
ANDREA SWEET
  • MEMBER
  • 2 POSTS
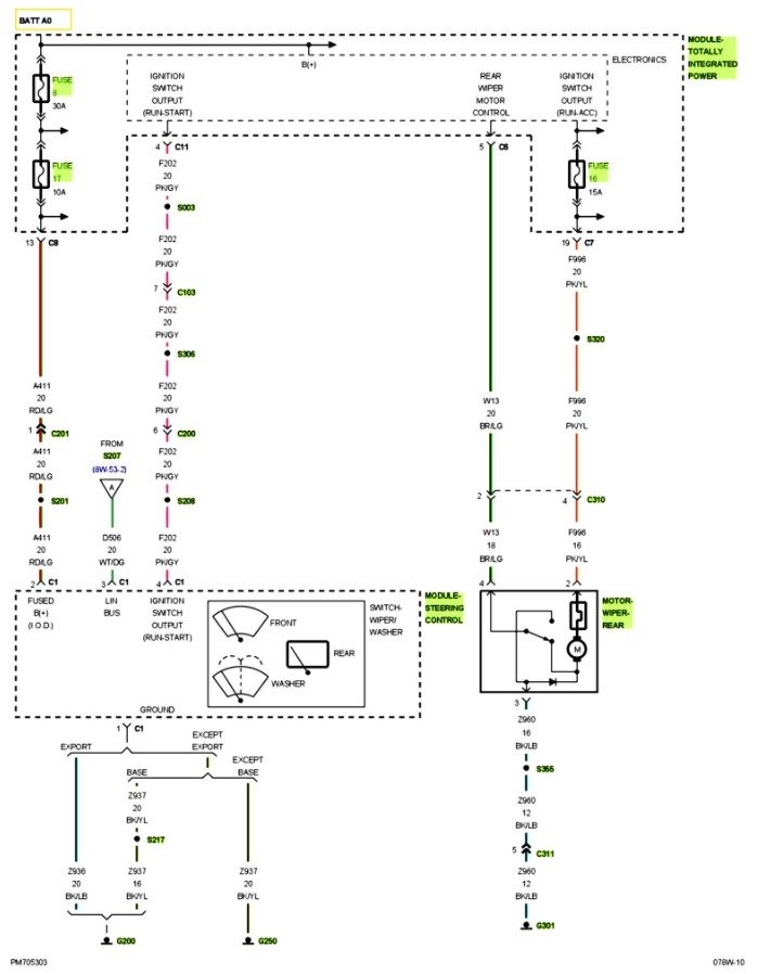
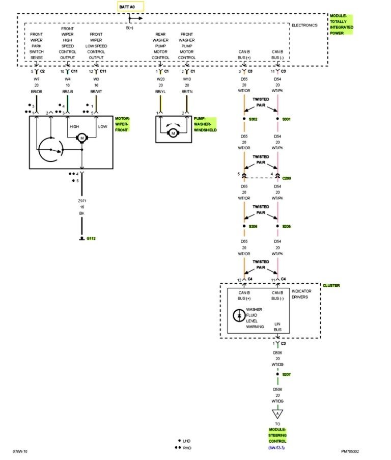
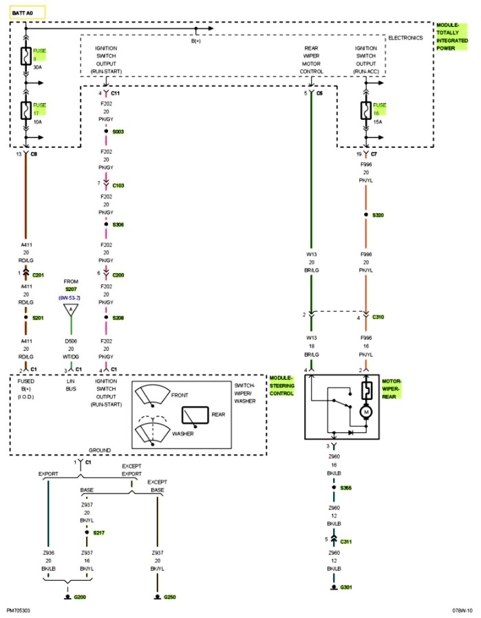
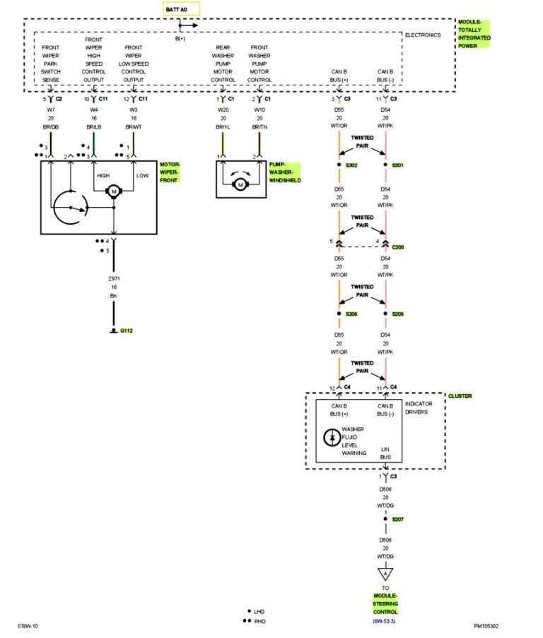
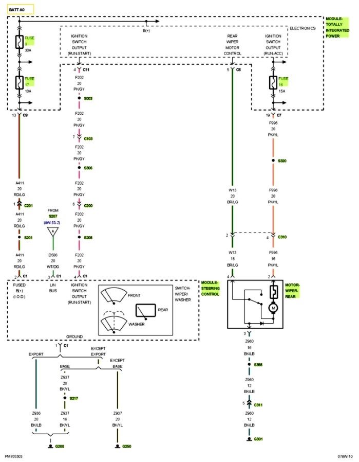
Windshield wiper control handle broke completely off and now my wipers stay on all the time. I don't have the owner's manual and I can't seem to find an accurate diagram of the fuse box online. So, my question is, where is the fuse for the front wiper blades located in my fuse box?
Nov 21, 2021 at 6:22 AM
Advertisement
Avatar
STEVE W.
  • CERTIFIED EXPERT
  • 15,113 POSTS
It doesn't have a fuse for the front wipers, it is fed through the TIPM itself with no fuse. The only related fuse powers the steering wheel module which controls more than just the wipers so it's not an option. Replacement of that switch isn't difficult. You remove the two halves of the steering column covers, then there is a screw that holds the switch in place. Remove the screw and the switch will slide out, disconnect the wiring connector and remove the switch. Replacement is just to reverse the process. The hardest part of removing the covers are the little tabs that clip the upper and lower sections circled in the last pic. They get brittle and like to break.
Nov 21, 2021 at 8:02 AM
Avatar
ANDREA SWEET
  • MEMBER
  • 2 POSTS
Thank you so much.
Nov 22, 2021 at 4:19 PM
Advertisement
Avatar
STEVE W.
  • CERTIFIED EXPERT
  • 15,113 POSTS
You're welcome, one thing I didn't mention is that if you can get to the motor connector easily you could unplug it there, but I believe that one is stuffed back under the cowl so that isn't an easy option.
Nov 22, 2021 at 6:01 PM