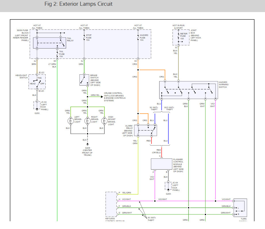
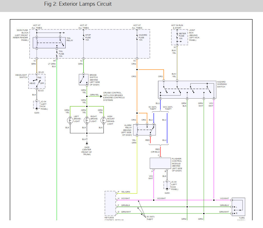
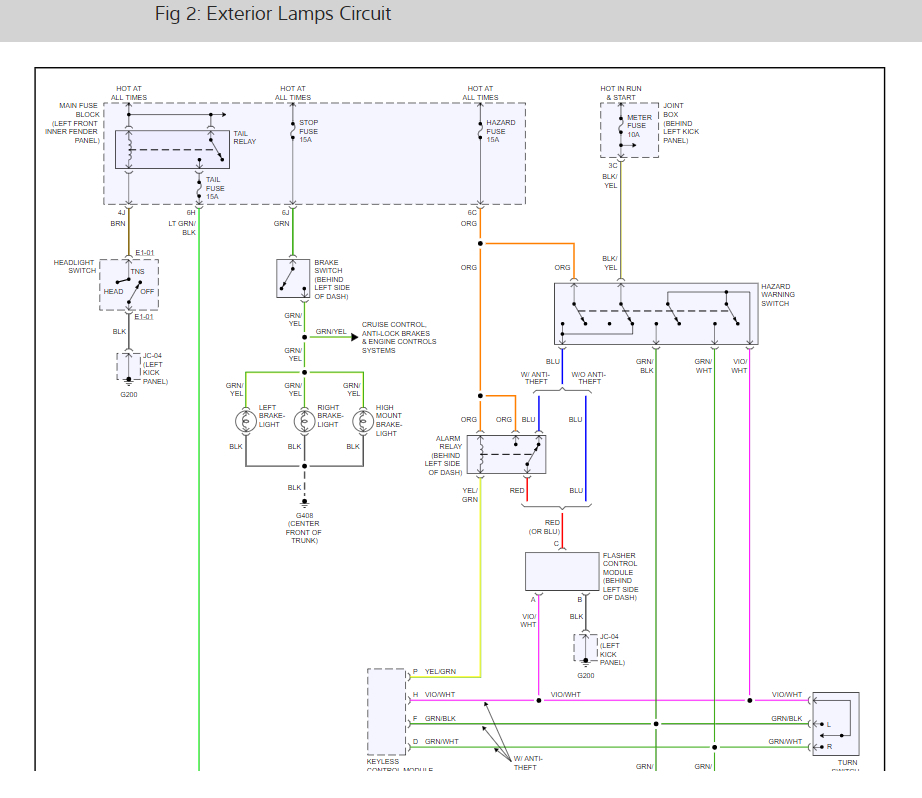
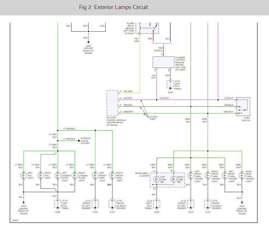
I can't diagnose where the short could be. Fuse blows as soon as running lights are turned on. Headlights, brake lights and signals all work. Interior dash instrument panel does not work either. ( I think they are on same circuit).
I have found one blown bulb and pulled it from system. I have checked all exposed wiring for direct shorts to frame and found nothing. All other bulbs are good and bulb sockets are clean and undamaged.
Any ideas of where to start a more thorough exam? Any short cuts you can think of that are prone to this model?
I have found one blown bulb and pulled it from system. I have checked all exposed wiring for direct shorts to frame and found nothing. All other bulbs are good and bulb sockets are clean and undamaged.
Any ideas of where to start a more thorough exam? Any short cuts you can think of that are prone to this model?
Apr 27, 2014 at 1:43 PM

