Fuse for rear license plate light location needed

2011 CHEVROLET AVALANCHE
85,000 MILES • 5.3L • V8 • 2WD • AUTOMATIC
Avatar
  • MEMBER
  • 1 POST
license plate lights do not work. Changed bulbs did nothing. I want to check the fuse that operates these lights can't find nothing in manual or lid of fuse boxes (one in engine compartment and one on driver side of dash board). Nothing is labeled to operate the license plate lights.
Oct 12, 2020 at 8:48 AM
Advertisement
Avatar
ASEMASTER6371
  • CERTIFIED EXPERT
  • 52,796 POSTS
Good afternoon,

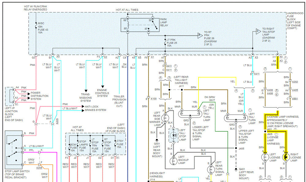
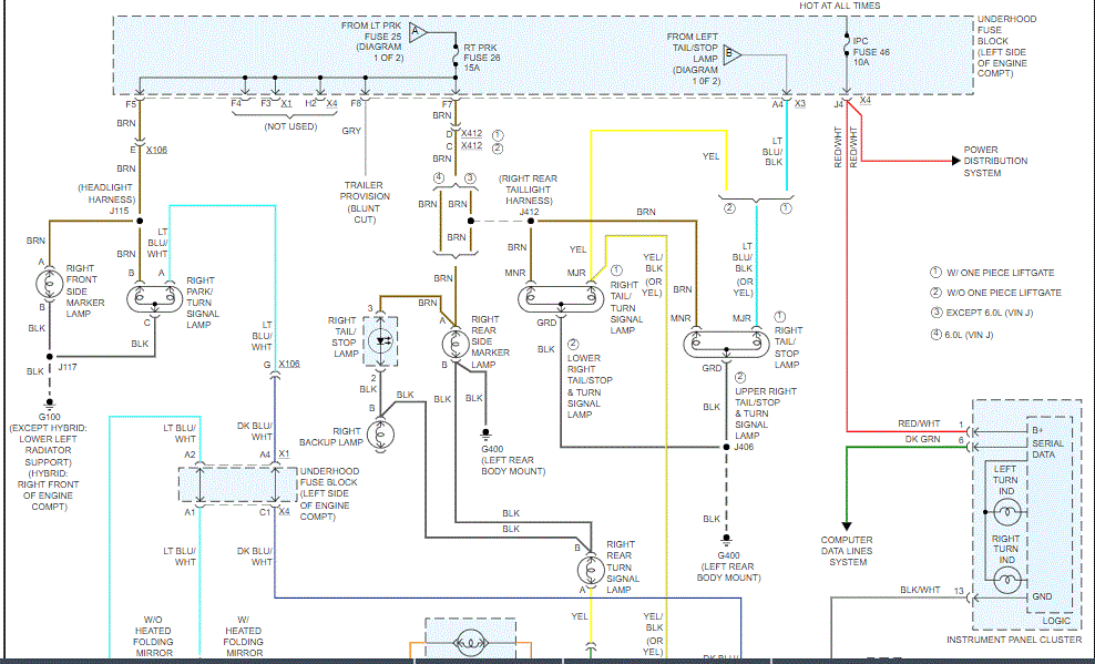
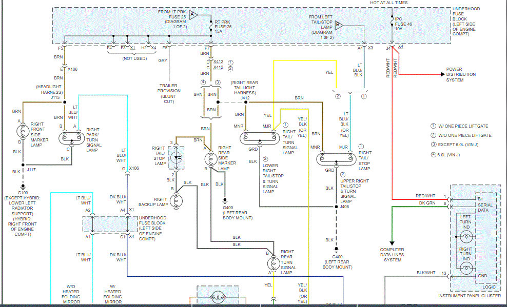
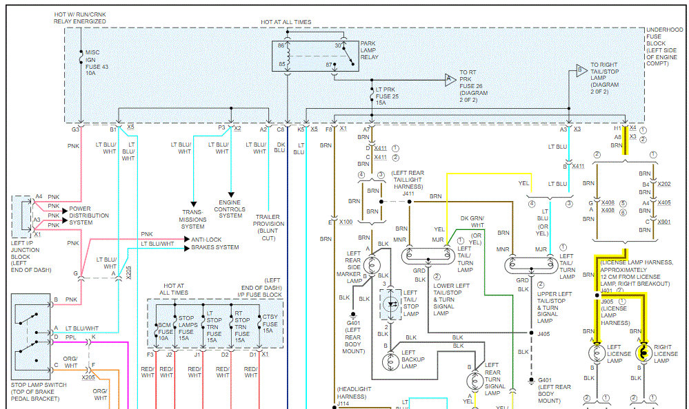
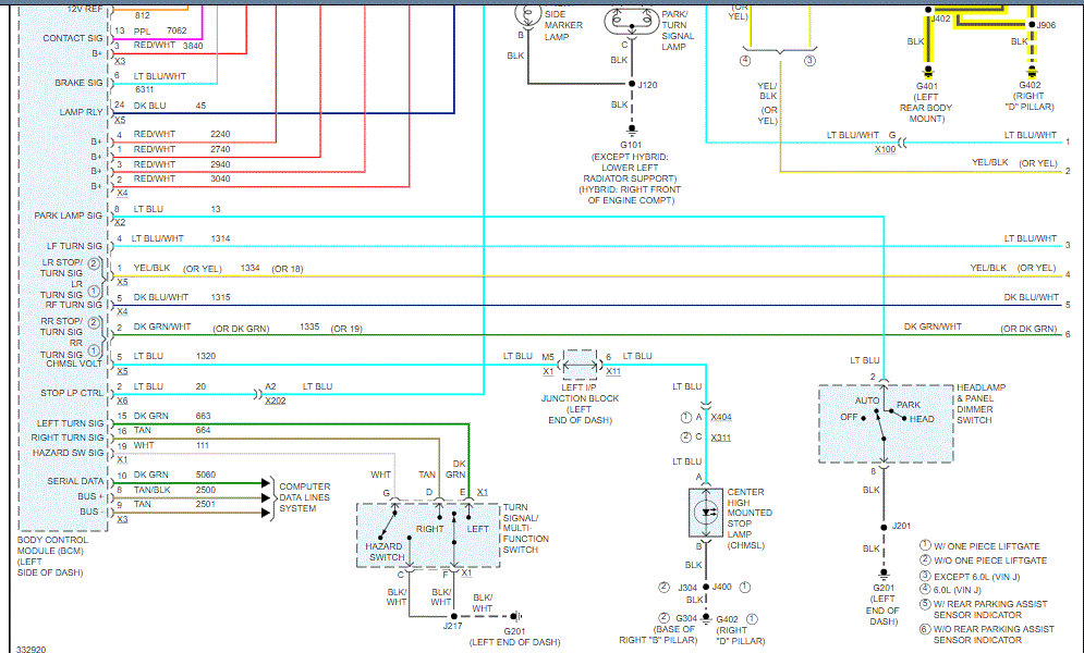
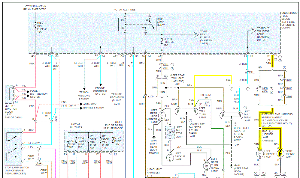
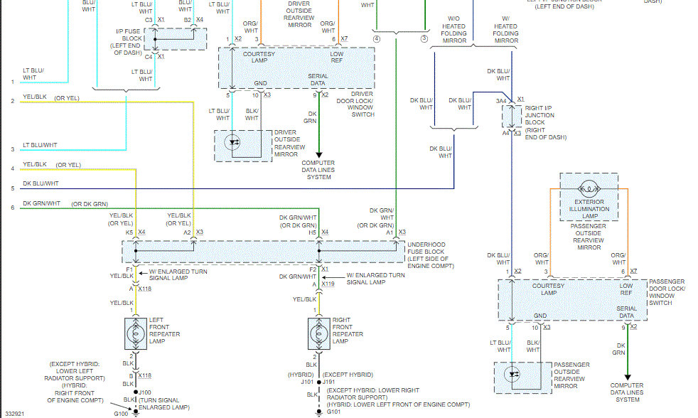
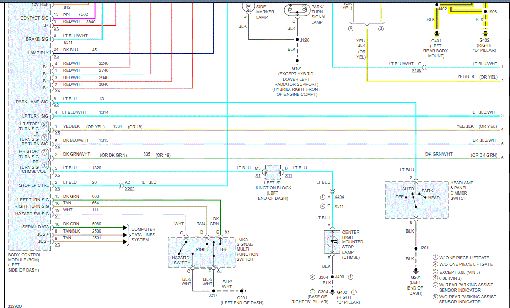
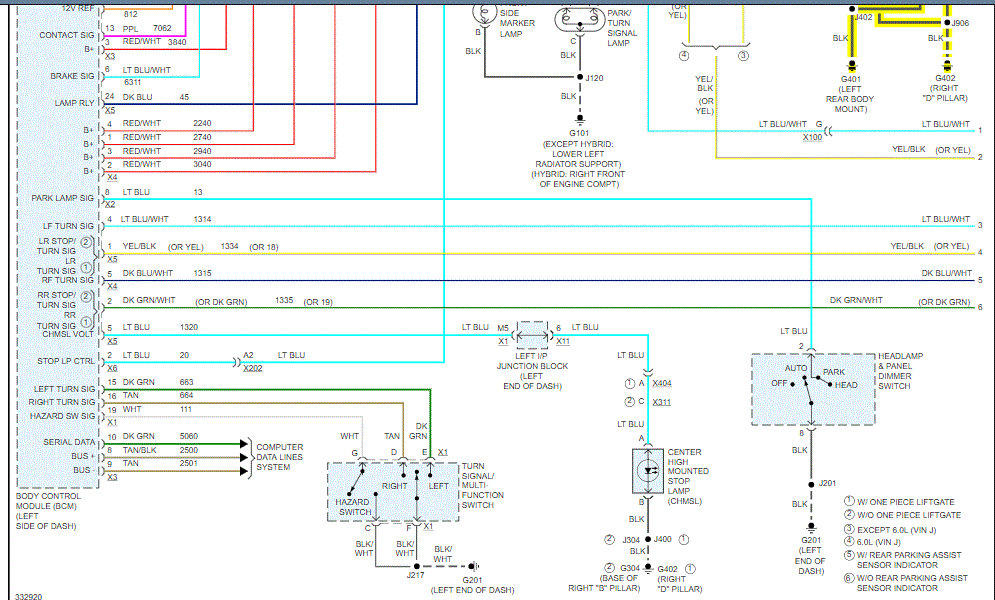
Fuse 25 for LT/park is the fuse for the license lights. It also controls all the parking lights.

https://www.2carpros.com/articles/how-to-check-a-car-fuse

If all the parking lights work, then you have a wiring issue to the license lights, not a fuse.

I attached the diagram of the lights for you. I highlighted all the wires for the license lights.

https://www.2carpros.com/articles/how-to-check-wiring

Roy
Oct 12, 2020 at 10:49 AM
Avatar
STEVE W.
  • CERTIFIED EXPERT
  • 15,113 POSTS
There is no individual fuse for those lights, they share the same feed as the tail and marker lights. However they do use their own feed wire and ground. I would grab a test light and remove one bulb. Then use the test lamp connected to a ground and probe the socket with the lights on. The brown wire is power the black wire is ground. If you touch the brown side and get a light the power is okay to that socket. Then I would hunt for the ground or more likely add a jumper to the ground wire as a test. The factory grounds are good at corroding off. If you have no power there are a couple of options, one is to trace the wire in the harness and find the break or bad connection, the other would be to run a new feed from one of the rear lamps.
Oct 12, 2020 at 10:55 AM
Advertisement