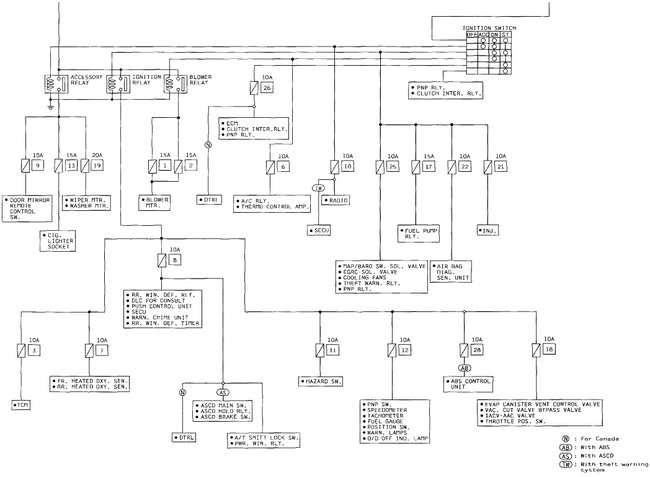
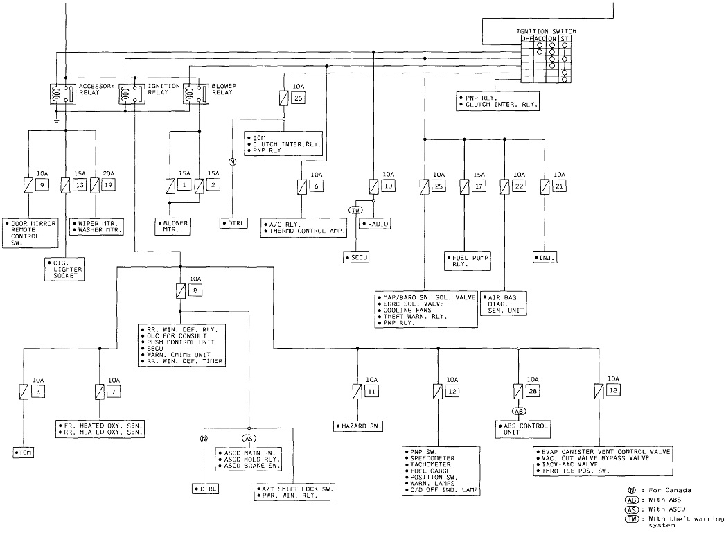
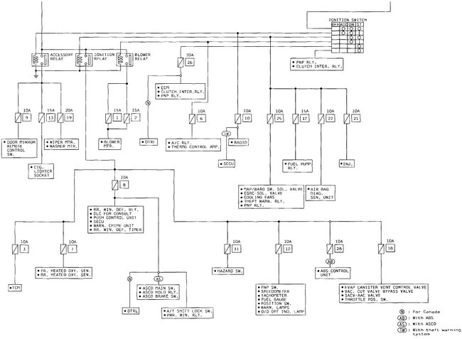
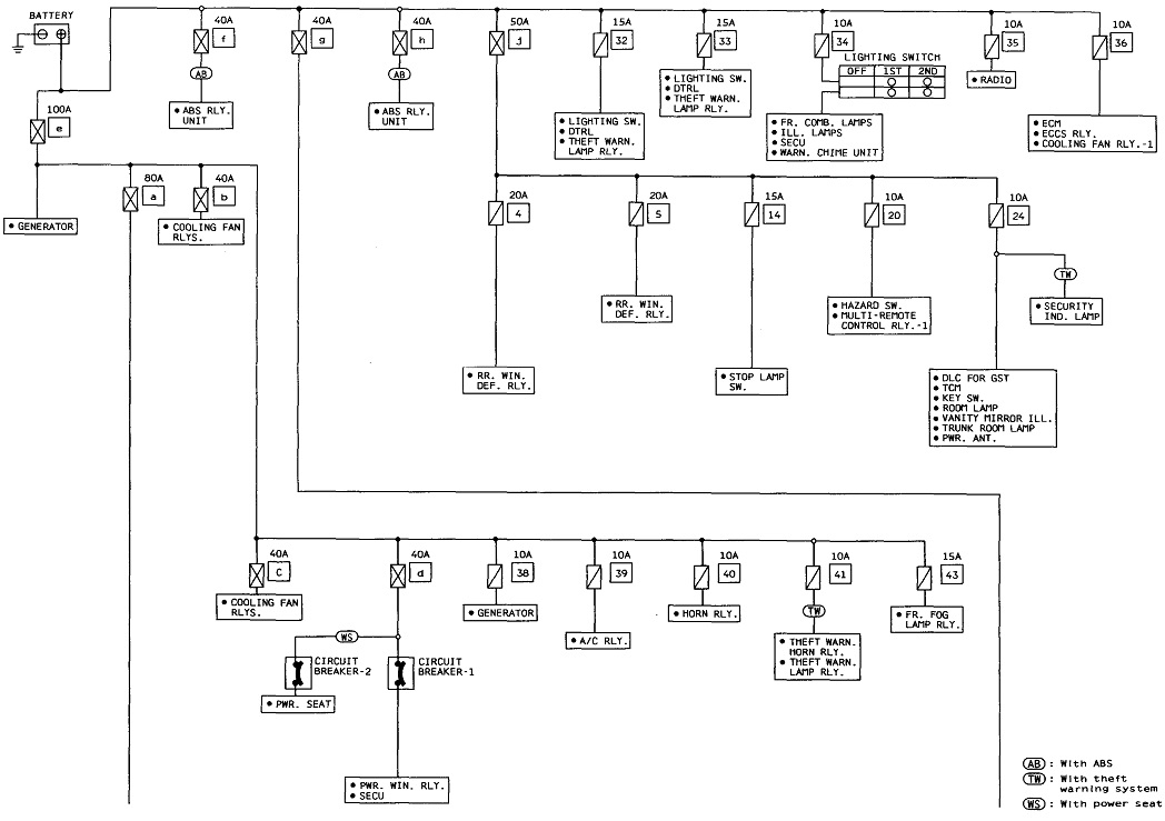
Believe it or not, the people at Nissan think the diagrams I posted are supposed to tell us that. If you look closely at any one of the diagrams, you'll see one or two fuses are represented by a box that's in bold, then the other drawings show the items protected by those fuses. I searched again and everything leads back to those drawings. There are a few others that have even less information and are pretty much useless.
I'm sorry that these aren't very helpful. Most manufacturers print the fuse functions under the covers for the fuse boxes, and in the owner's manuals. I think you'll have better luck finding either of those at a salvage yard. As an alternative, you might ask at the local dealership. I worked for a very nice Chrysler dealership years ago. The service writers were instructed by the dealership owners to find things in service manuals for good customers and other dealerships, as long as they weren't busy with customers, and to make photocopies of a few pages for them at no charge. Perhaps your dealer will do that for you. We used to have a really good import dealer in my town before he got bought out by a crook. That dealership owner would even find the service manuals himself to help people out.
Feb 11, 2021 at 3:31 PM