Fuse boxes are only getting partial power?

1997 GMC C1500
200,000 MILES • 5.7L • V8 • 4WD • AUTOMATIC
Avatar
KARL Z
  • MEMBER
  • 1 POST
I just changed out the starter relay, and the ignition relay, now only getting partial power to my fuse box under the hood, i also found an unplugged red wire (mystery wire) and no power to the cab fuse box and an unmounted blue wire going from the fuse box to under the dash to be plugged into nothing.
Nov 18, 2022 at 11:50 PM
Advertisement
Avatar
STRAILER
  • CERTIFIED EXPERT
  • 53,854 POSTS
This sounds like you have an ignition switch that is not working correctly or there is a maxi fuse that is blown. Here is a guide to help you check for power and the power distribution wiring diagrams that feature the ignition switch so you can confirm the failure.

https://www.2carpros.com/articles/how-to-use-a-test-light-circuit-tester

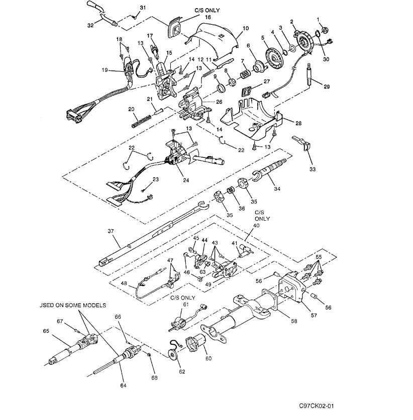
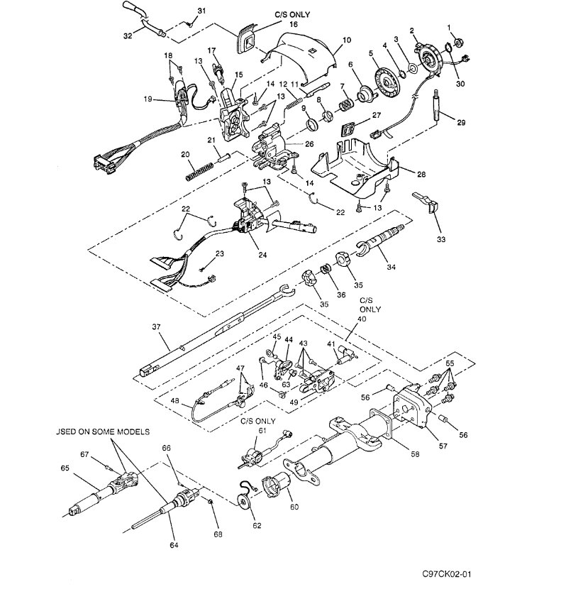
If the fuses are good here is how to change out the ignition switch. Check out the images (below). Please let us know what you find. We are interested to see what it is.
Nov 19, 2022 at 9:57 AM