I am not sure I understand what you are looking for with this one.
Are you saying that you want a diagram of the fuse block? If so, I attached it below and here is a guide that will help with testing the fuses.
https://www.2carpros.com/articles/how-to-check-a-car-fuse
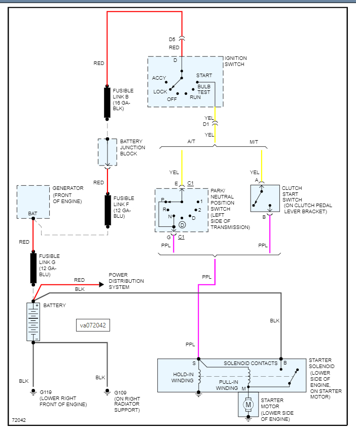
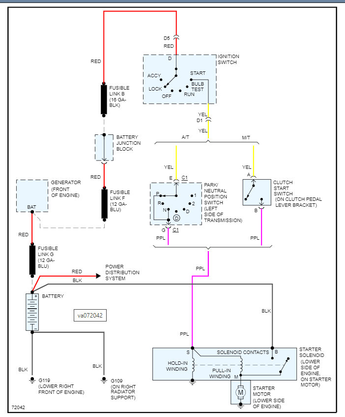
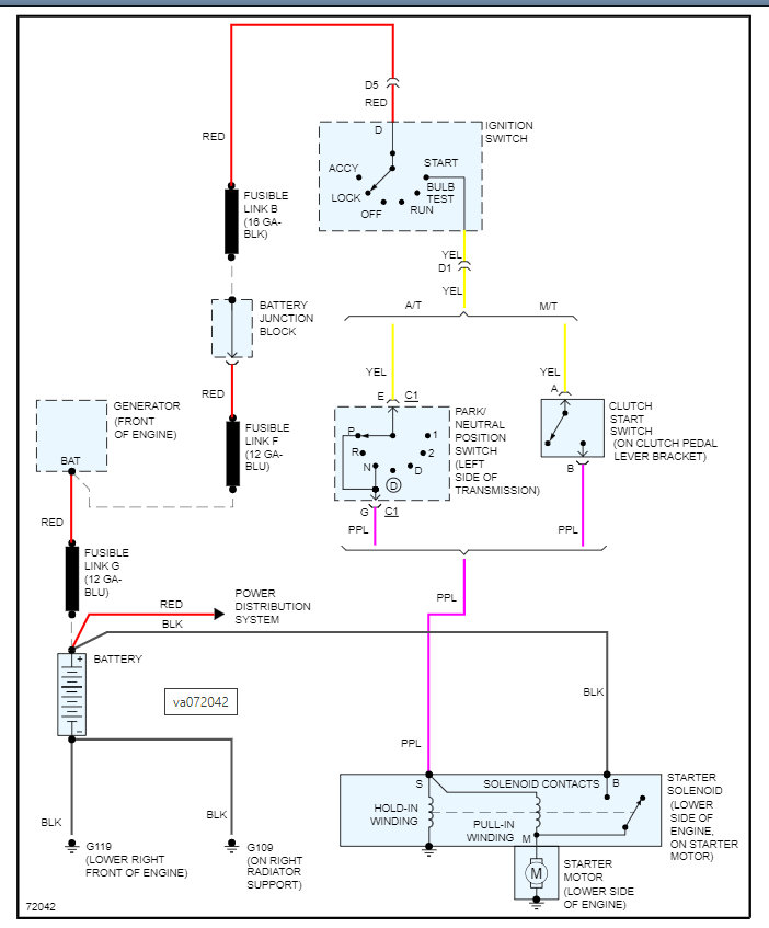
However, I feel like you may be asking for which wire to hook the ignition switch too? If that is the case, I am attaching a diagram of the starter circuit which will help with doing this.
Please run through this info and let me know if I am missing what you are looking for.
Thanks
Images (Click to enlarge)
Apr 17, 2022 at 6:16 PM