Fuse box pinout

2001 PONTIAC GRAND PRIX
100,000 MILES • 3.8L • 6 CYL • TURBO • 2WD • AUTOMATIC
Avatar
DAISY LEDET
  • MEMBER
  • 2 POSTS
A rat ate wiring to PCM. I need to know the pinout on the fuse box for wires to the PCM control module.
Mar 29, 2021 at 8:09 PM
Advertisement
Avatar
JACOBANDNICKOLAS
  • CERTIFIED EXPERT
  • 110,175 POSTS
Hi,

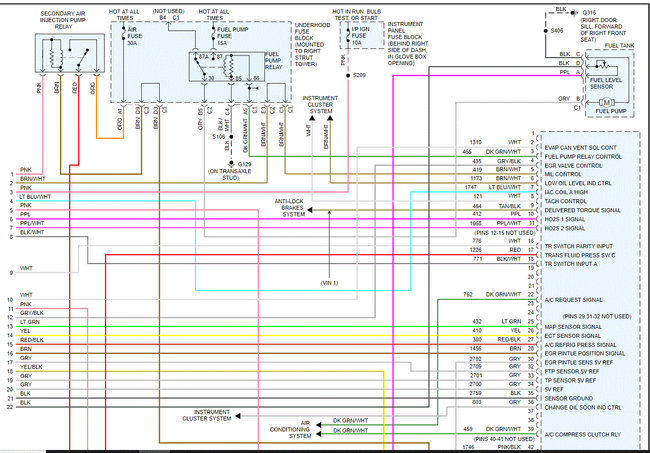
If you look at the pics below, I included the entire powertrain management wiring schematic. I had to cut the pics in half to make them readable for you. However, I did overlap them so you can follow them easier.

Here is a link you may find helpful while doing the repairs:

https://www.2carpros.com/articles/how-to-check-wiring

Let me know if this helps or if you have other questions.

Take care,
Joe

See pics below
Mar 30, 2021 at 8:31 PM
Avatar
DAISY LEDET
  • MEMBER
  • 2 POSTS
I need the pinout for Under hood fuse block.
Apr 5, 2021 at 6:51 PM
Advertisement
Avatar
JACOBANDNICKOLAS
  • CERTIFIED EXPERT
  • 110,175 POSTS
Hi,

The best I'm going to be able to do is a power distribution schematic. I cut the pics in half to make them readable. I did overlap them so you can follow. What you have to do is pay attention to where the power supply leads. The first pic shows a portion of the fuse box but if you continue following, it jumps to other areas in the box. It also includes the IP fuse box.

I hope this helps. Let me know.

Joe
Apr 6, 2021 at 5:50 PM