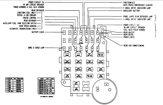
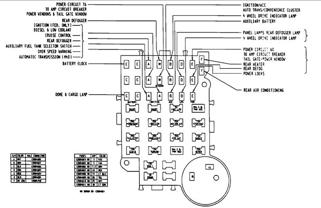
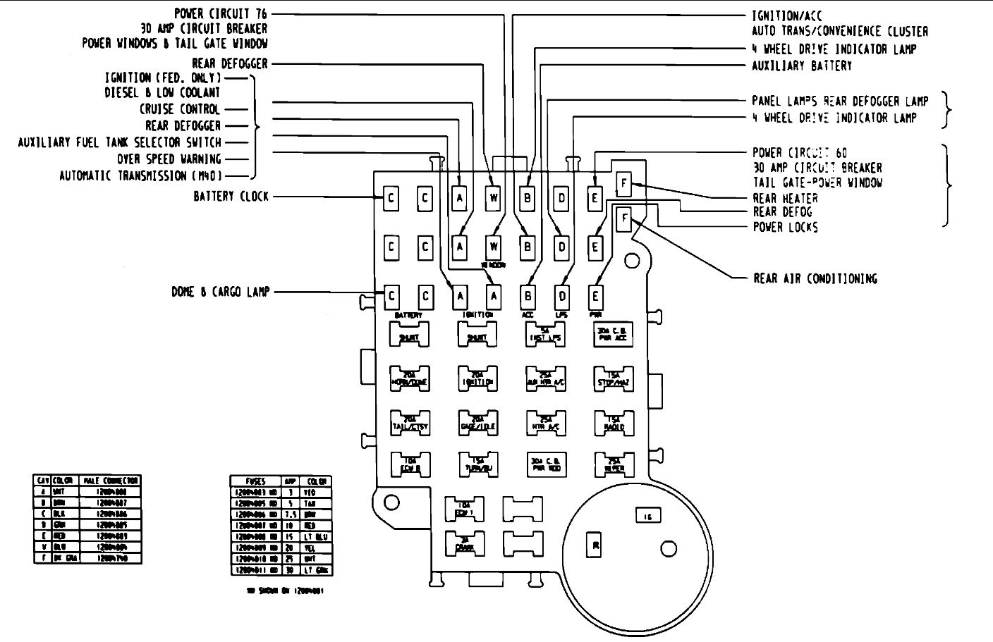
I recently bought this truck and am needing to get it inspected. Yesterday the horn quit working and am hoping it’s just a blown fuse needed to be replaced, but I am having trouble locating where it’s actually at. I don’t know if it’s located under the hood somewhere near the fire wall or if it’s under the steering panel inside the truck. Any ideas?
Jan 24, 2021 at 8:12 PM

