Fuse box diagram, cranks will not start

1991 CHEVROLET CAPRICE
100,000 MILES • V8 • AUTOMATIC
Avatar
RL HERRING
  • MEMBER
  • 1 POST
Had a new starter installed. Cranked a few times and now just a click, engine will not turn over. Do not have owners manual for fuse box diagram. Any help?
Dec 4, 2018 at 9:22 AM
Advertisement
Avatar
LOU P
  • CERTIFIED EXPERT
  • 118 POSTS
Hello Lou here,

It is very possible that either the starter is bad, the battery is weak, or the cable between the two has excessive resistance. I do not think a fuse diagram is going to help you here, need to confirm battery voltage and also connection at the starter. hope this helps.
Lou
Dec 4, 2018 at 9:36 AM
Avatar
ASEMASTER6371
  • CERTIFIED EXPERT
  • 52,796 POSTS
Good afternoon,

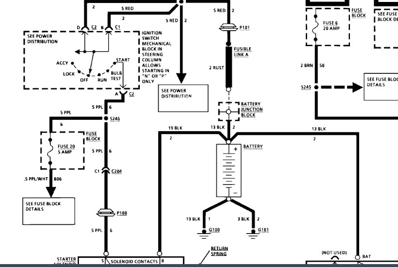
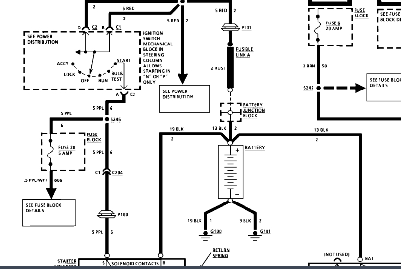
I attached a wiring diagram for you to view.

The first thing I would is check for voltage to the solenoid at the starter motor with the key in the start position.

If you have power then it is the starter.

If it does not then you need to go to the ignition switch and verify power in the start position.

Roy

Dec 4, 2018 at 9:43 AM
Advertisement
Avatar
STRAILER
  • CERTIFIED EXPERT
  • 53,854 POSTS
It sounds like the battery is dead. Here is a guide to help test the battery:

https://www.2carpros.com/articles/car-battery-load-test

Here are the fuse panel diagrams and a guide to help test the fuses:

https://www.2carpros.com/articles/how-to-check-a-car-fuse

Please run down this guide and report back.

Cheers, Ken
Dec 5, 2018 at 12:15 PM