Fuse box diagram needed

2005 DODGE MAGNUM
100,000 MILES • 3.5L • V8 • 2WD
Avatar
ROBINSONIII
  • MEMBER
  • 1 POST
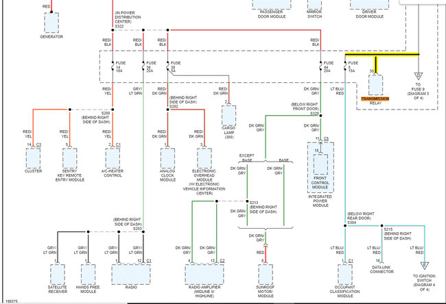
Transmission fuse and relay burnt in rear fuse box.
Apr 6, 2022 at 8:19 PM
Advertisement
Avatar
JACOBANDNICKOLAS
  • CERTIFIED EXPERT
  • 110,175 POSTS
Hi,

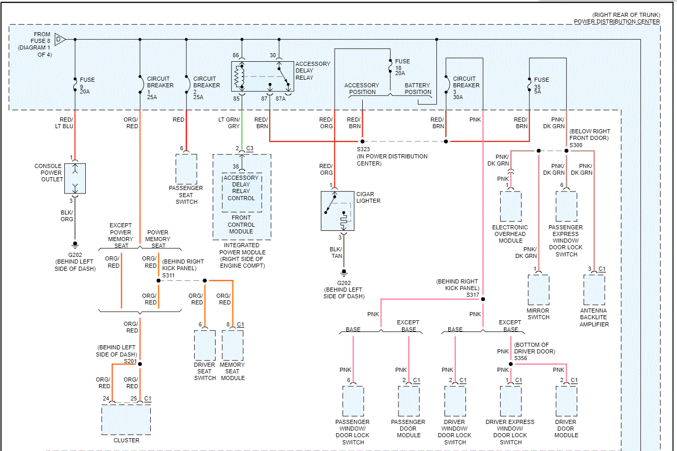
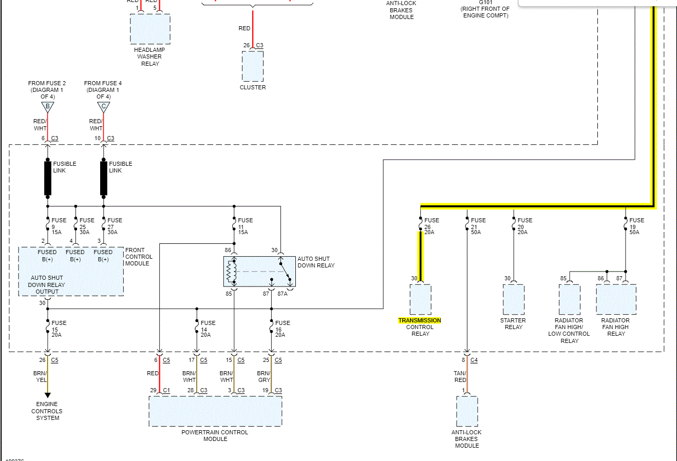
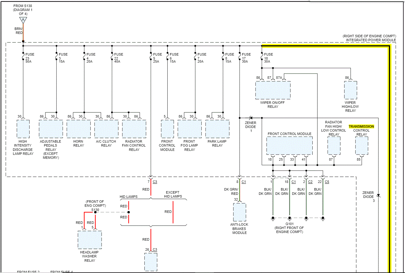
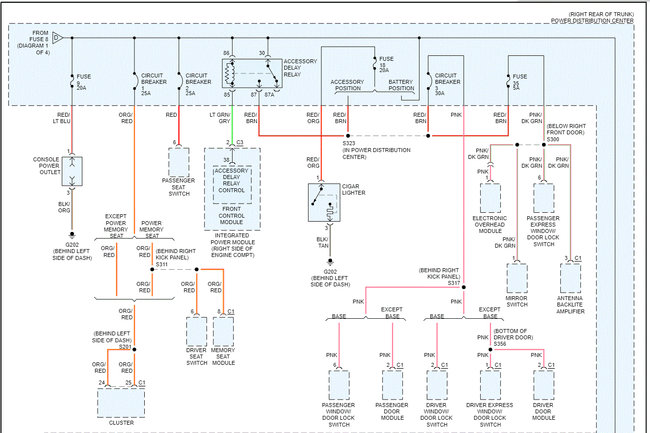
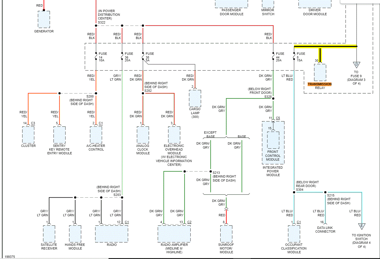
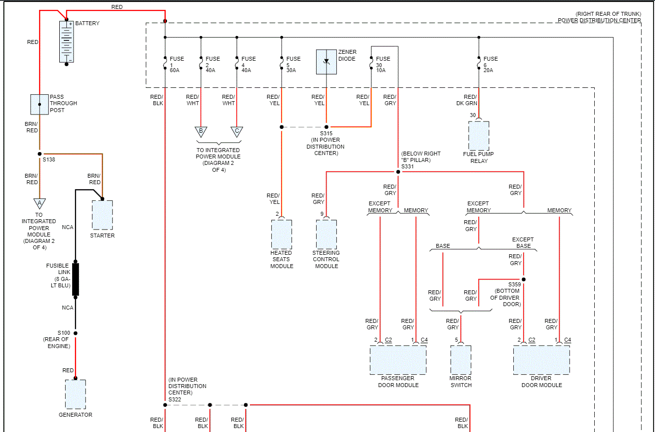
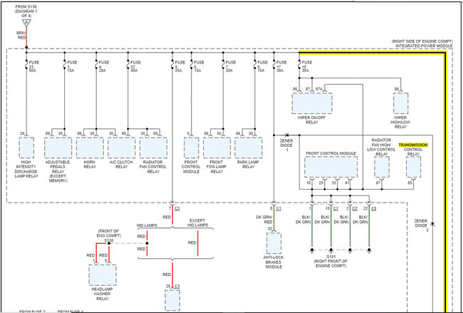
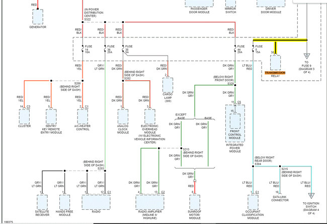
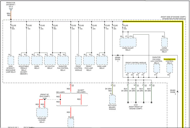
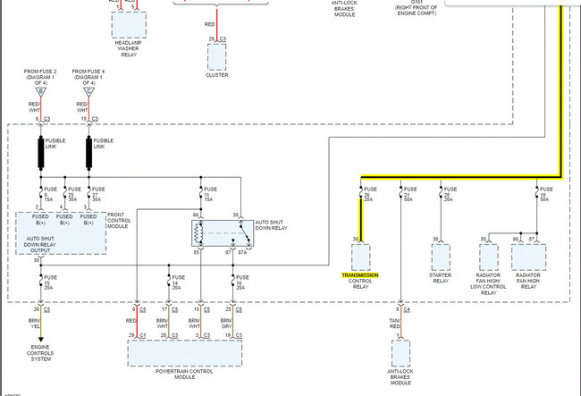
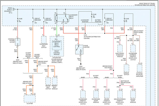
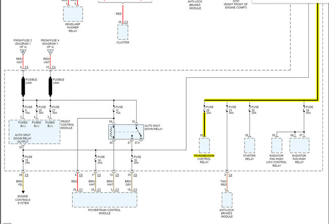
I'm not sure exactly what is needed. I attached the entire power distribution wiring schematics below. I highlighted everything related to the transmission. Let me know if this is what you needed.

Also, here is a link you may find helpful when working on automotive wiring:

https://www.2carpros.com/articles/how-to-check-wiring

Let me know if this helps or if you have other questions.

Take care,

Joe

See pics below. Note: Each page of the schematic had to be cut in half to make them readable for you. I did overlap them so you can follow from one to the next.
Apr 7, 2022 at 2:17 PM