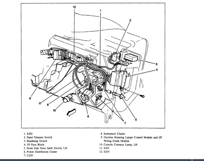
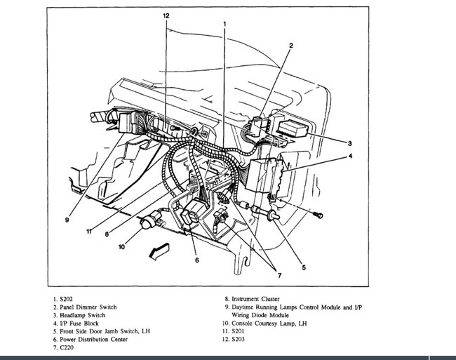
Can you help me with the fuse box diagram inside the truck and under the hood if any?The truck didn't have a manual for it when I got it. Can you tell me what number goes to what and what amp of fuses? Thank you
Jan 1, 2020 at 10:03 AM















