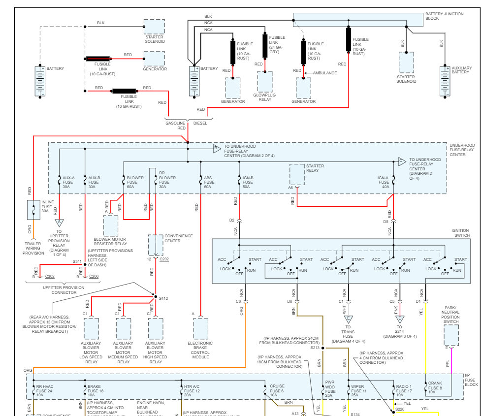
My fuse box underneath the dash is only partly working. It seems there is no power to the fuses in the middle of box. The outside fuses work fine. The ECMB fuse works but no power to ECM fuse. Under the hood above the battery is a cluster of cut wires and wires that are hot but not going anywhere. My van won't start at all. I'm pretty sure the problem is the fuses in the engine compartment. My question is, is there a diagram or schematic that shows where each wire goes through the firewall from engine into the backup the fuse box under dash?
Jun 15, 2023 at 10:24 AM











