Fuse box

1999 NISSAN SENTRA
200,000 MILES • 1.6L • 4 CYL • 2WD • AUTOMATIC
Avatar
TONYLL
  • MEMBER
  • 10 POSTS
Lost cover to fuse box need diagram of fuses
Aug 14, 2025 at 12:21 PM
Advertisement
Avatar
STEVE W.
  • CERTIFIED EXPERT
  • 15,113 POSTS
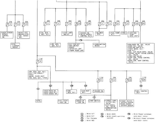
These are the fuse numbers and the circuits they feed as well as the relay block under the hood and the fuse links. What seems to be the issue you have?
Aug 14, 2025 at 3:05 PM
Avatar
TONYLL
  • MEMBER
  • 10 POSTS
My drivers side window is down I can't get it back up.. so I was trying to figure out what wires to cross to get my window to go up
Aug 18, 2025 at 11:14 AM
Advertisement
Avatar
STEVE W.
  • CERTIFIED EXPERT
  • 15,113 POSTS
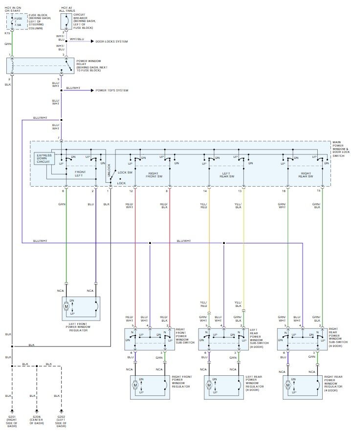
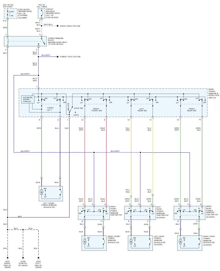
OK, none of the ones you need would be there. You would need to access the main window switch in the drivers door. Di you hear anything from the window actuator when you use the switch? Do the other windows all work? This is the wiring for the switch. The motor uses the Green and Blue wires on terminals 6 and 2. Polarity reversal will move the motor if the motor isn't the issue.
Aug 18, 2025 at 1:28 PM
Avatar
TONYLL
  • MEMBER
  • 10 POSTS
Yes all the other switches work
Aug 18, 2025 at 7:33 PM
Avatar
STEVE W.
  • CERTIFIED EXPERT
  • 15,113 POSTS
OK if the rest work that means it's either the drivers side switch section or the motor. I would pull the inner panel to access the switch. Unplug the connector, find those 2 wires and use a couple jumper wires applied at the connector to see if the motor responds. If it works both directions, the switch is bad. If the motor doesn't work it's the problem.
Aug 18, 2025 at 9:59 PM
Avatar
TONYLL
  • MEMBER
  • 10 POSTS
Ok which wires do I jump .. can I run the passenger side and drives side off the same switch.
Aug 19, 2025 at 5:31 AM
Avatar
STEVE W.
  • CERTIFIED EXPERT
  • 15,113 POSTS
You would need to get the panel off. There is no jumping of wires involved, you are going to test to see if the switch or motor is bad. Both can fail. For that you unplug the switch and use wires connected to 12 volts (battery or a jump box, then apply power to the Green and Blue wires that go to the motor. One way the motor goes up, reverse them the motor goes down. If the motor operates OK in both directions the switch has failed. If it doesn't move then the motor is bad. No you cannot run both off the same switch, the current of both motors would destroy the switch very rapidly.
Aug 19, 2025 at 9:15 AM
Avatar
TONYLL
  • MEMBER
  • 10 POSTS
Does each motor have a separate relay or fuse that would blow ... All the other windows work.. and I did get it to go up but it won't come down or anything else now
Aug 19, 2025 at 12:11 PM
Avatar
STEVE W.
  • CERTIFIED EXPERT
  • 15,113 POSTS
No individual fuses or relays, all motors share the same powers and grounds and wiring to the main switch. Those cannot be the issue as the other windows work. It is either the switch segment or the window motor. Did it go up with the switch or by applying power to the motor?
Aug 19, 2025 at 5:06 PM
Avatar
TONYLL
  • MEMBER
  • 10 POSTS
I got it .. It was the switch...
Thanks
Aug 19, 2025 at 8:15 PM
Avatar
STEVE W.
  • CERTIFIED EXPERT
  • 15,113 POSTS
Did you replace it or take it apart?
Aug 19, 2025 at 8:19 PM
Avatar
TONYLL
  • MEMBER
  • 10 POSTS
I just took it apart.. little piece with the spring on it was broke gone
Aug 19, 2025 at 9:02 PM
Avatar
TONYLL
  • MEMBER
  • 10 POSTS
By the way would you have to know anything about a Ford F-150
Aug 19, 2025 at 9:03 PM
Avatar
STEVE W.
  • CERTIFIED EXPERT
  • 15,113 POSTS
Strange failure but I've seen some where the contacts had been arcing and it burnt the contacts into scrap.
Ask your F150 question as a new one please, we try to keep things separate to make searches easier. Use the same account you have and ask it
https://www.2carpros.com/questions/new
Aug 19, 2025 at 11:03 PM