fuse blows when turning on light?

1990 MAZDA B2200
199,403 MILES • 2.2L • 4 CYL • 2WD • MANUAL
Avatar
LARRYHELP
  • MEMBER
  • 3 POSTS
shored wire running to fuse panel from main fuse, head lights work but no running lights.
Nov 3, 2022 at 11:35 AM
Advertisement
Avatar
JACOBANDNICKOLAS
  • CERTIFIED EXPERT
  • 110,175 POSTS
Hi,

Which fuse fails? Also, do any of the lights work in the rear? For example, do the brake lights work or the turn signals? Are the license plate lights and backup lights working?

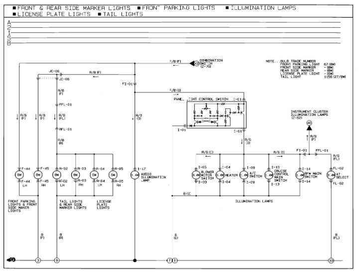
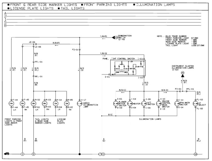
Let me know. I attached the only wiring schematic I have for the rear lighting. You can use this as a reference.

I have one more question. If you remove all the bulbs from the rear parking lights, does the fuse still fail? It is somewhat common for the light sockets to fail and short. So, if you haven't already, remove each bulb and inspect the inside of the socket for damage.

Let me know.

Joe

See pic below.
Nov 3, 2022 at 2:09 PM