Fuse blowing out?

2005 CADILLAC CTS-V
133,000 MILES
Avatar
CTSV11
  • MEMBER
  • 3 POSTS
As soon as i plug 10a fuse that powers driver side door it blows up?
Oct 22, 2023 at 11:34 PM
Advertisement
Avatar
BORIS K
  • CERTIFIED EXPERT
  • 836 POSTS
Hello,

It sounds like there is a possible short circuit either on the supply wire from the fuse to the door module or a possible short inside the door module.

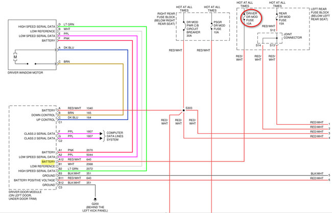
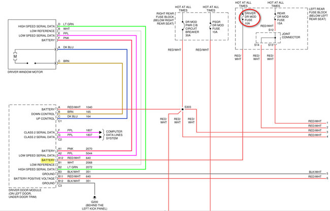
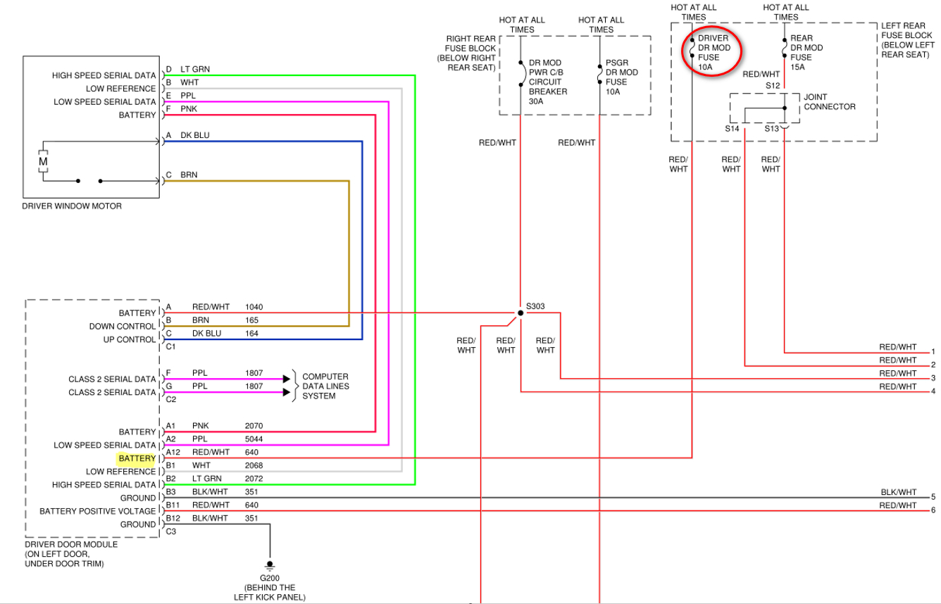
See diagram below, the 10A fuse, driver door MOD fuse, supplies constant 12V to the driver's side door module (located in door), on a red/white wire at pin A12. The fuse is located in the left rear fuse block.

Suggest to first check the wiring in the door shut, in between driver's side A-pillar and door. Ensure that the wiring is not damaged. If ok next unplug the door module inside the driver/s door. To do that you will need to remove the door trim so that you can access the control module.

How to remove door panel:
https://youtu.be/ZKrYTyRHpfA?si=yArImrm59dnCwmuZ

How to check wiring using a voltmeter:
https://www.2carpros.com/articles/how-to-check-wiring

How to use a voltmeter:
https://www.2carpros.com/articles/how-to-use-a-voltmeter

A good video how to check for possible cause for fuse blowing:
https://youtu.be/k0yG3TwXBEw?si=U4sJCft4tF5VEkap

Hope this helps.

Cheers, Boris
Oct 23, 2023 at 6:54 AM