Dome fuse keeps blowing

1998 TOYOTA COROLLA
117,000 MILES • 1.8L • 4 CYL • AUTOMATIC
Avatar
IZZ
  • MEMBER
  • 1 POST
When I installed the fuse in the dome it will blow it right away. I turn off the key all way and the interior light is off too. what is the problem?
Nov 5, 2020 at 6:54 PM
Advertisement
Avatar
KASEKENNY
  • CERTIFIED EXPERT
  • 18,907 POSTS
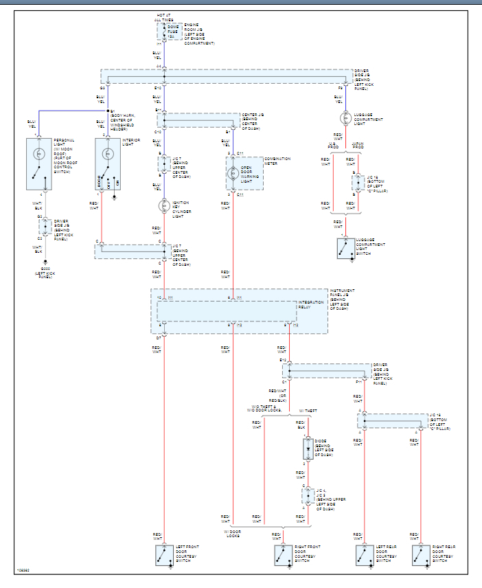
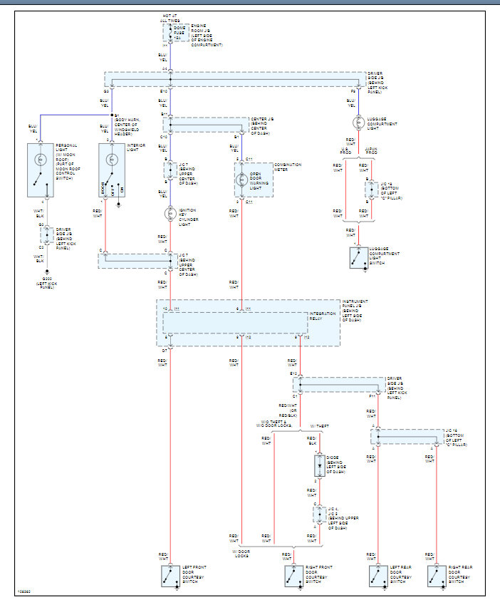
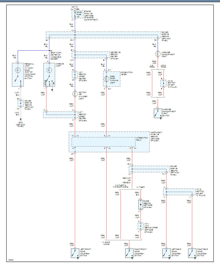
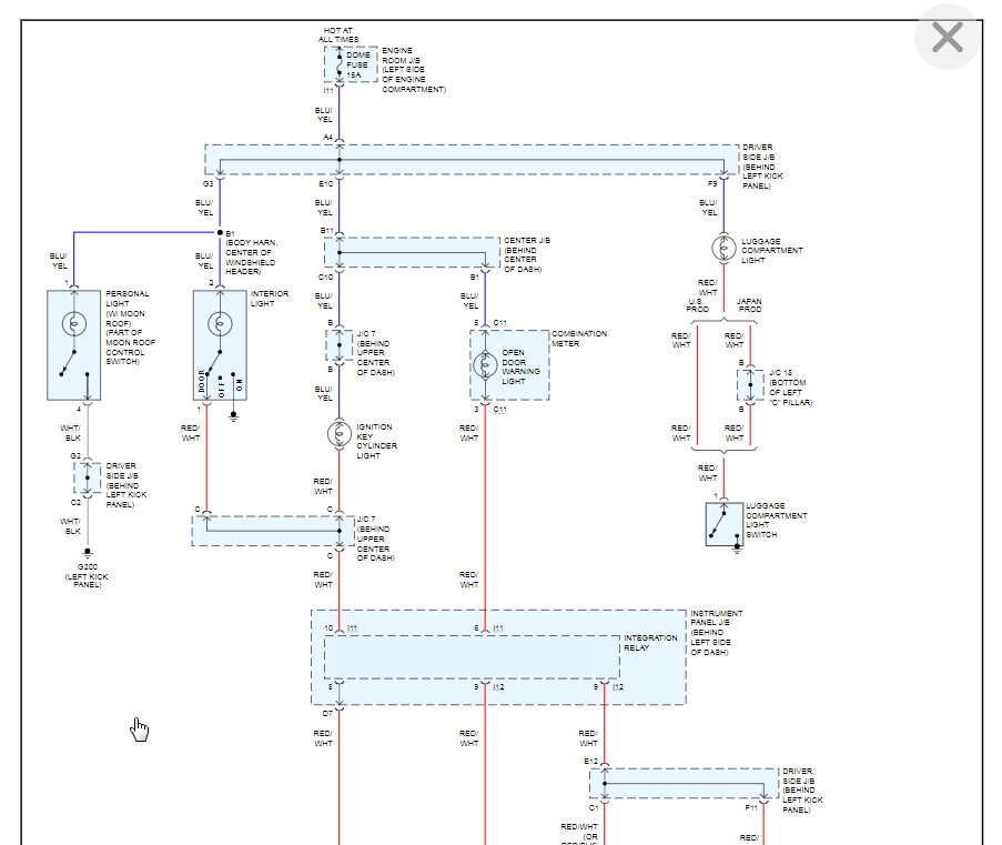
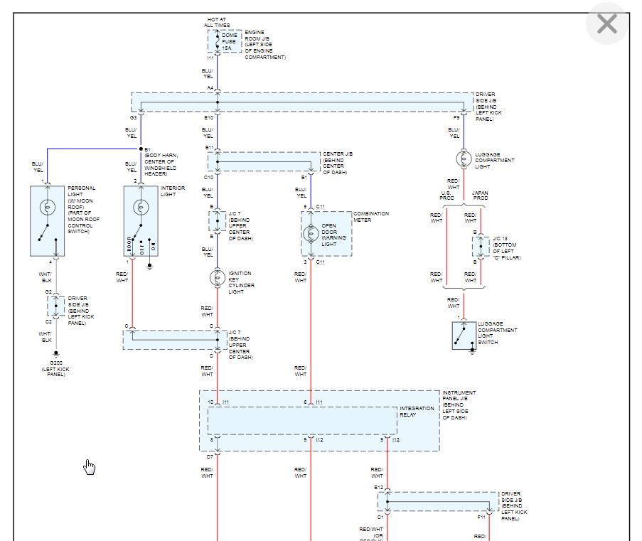
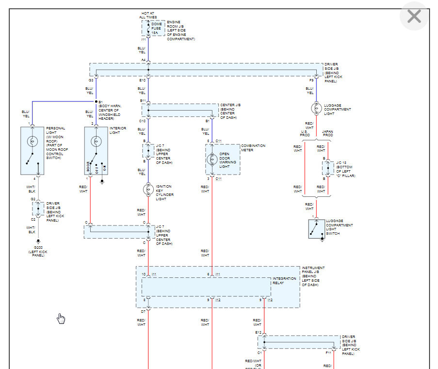
You have a short somewhere in the system so that the voltage is going directly to ground and not passing through the load so it burns the fuse rather then damaging a wire which could catch on fire.

Take a look at the wiring diagram. The easiest way to find the issue is to do this one of two ways and that depends on your preferences. Either get a whole bunch of fuses and start unhooking each of these components one at a time, replacing the fuse each time is blows to find the component that causes it to stop blowing. Or unhook everything at one time and install the fuse. It should not blow and then start plugging everything back until it blows.

Let me know what questions you have.
Nov 6, 2020 at 6:34 AM