☰
Login
Join
×
Home
Answered Questions
Repair Topics
Repair & Service Guides
Popular Questions
Warning Lights
Trouble Codes
How It Works
Testing / Diagnostics
Symptoms
Videos
Login
Become a Member
Home
Saturn
Vue
Engine
Computer
Diagnostic Connector ALDL
No power to the OBD2 port?
2008 SATURN VUE
243,000 MILES • 3.6L • V6 • 4WD • AUTOMATIC
CHARLIE SANDOVAL
MEMBER
8 POSTS
FOLLOW
I have no power to my OBD2 port? My Cig and Apo 1,2 Fuses are okay. Is there another fuse that operates the OBD2 port?
Apr 19, 2025 at 2:15 PM
Advertisement
STEVE W.
CERTIFIED EXPERT
15,113 POSTS
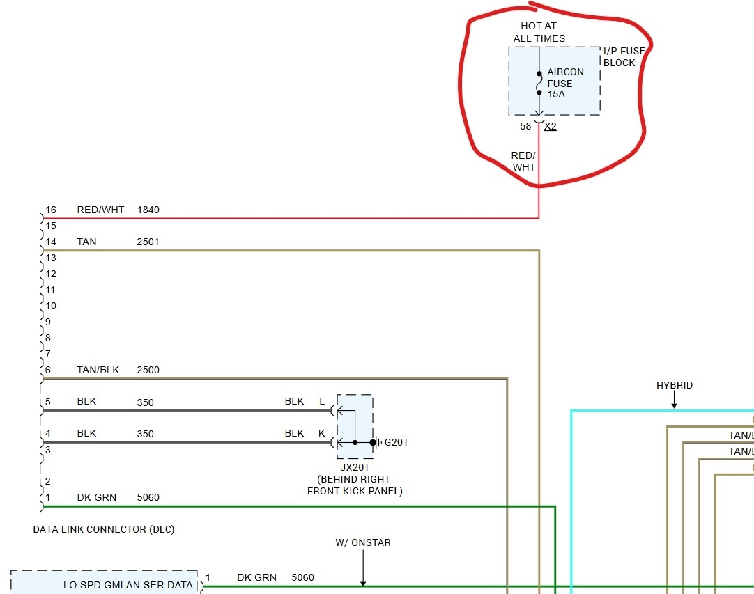
The OBD II fuse is also the 15-amp aircon fuse.
Images (Click to enlarge)
Apr 19, 2025 at 3:36 PM