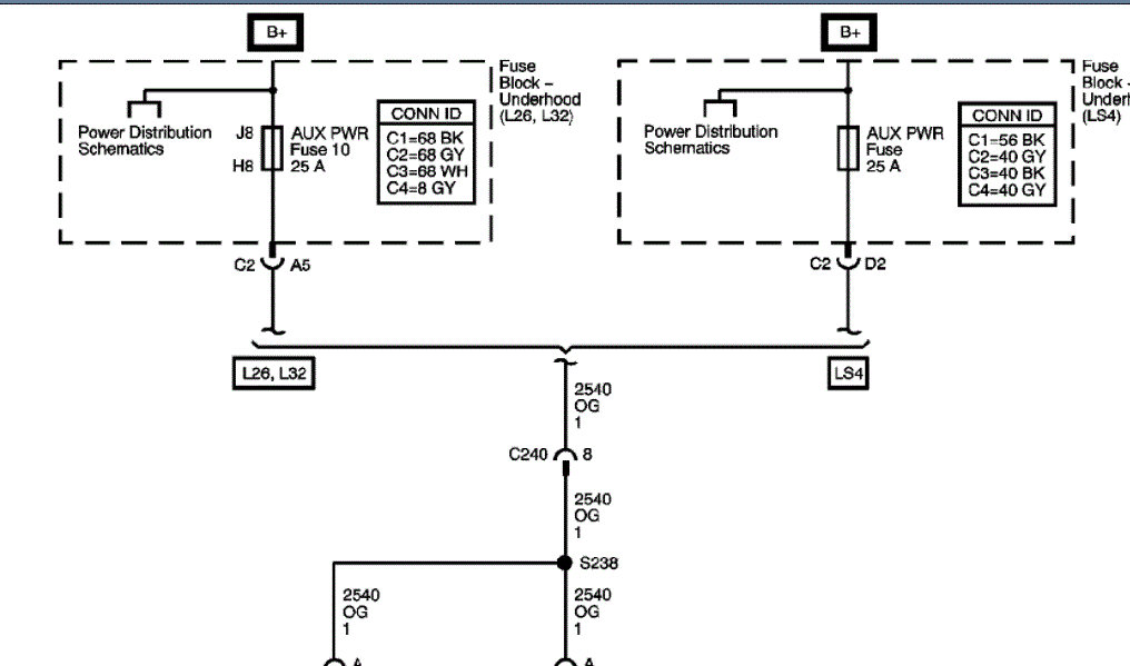
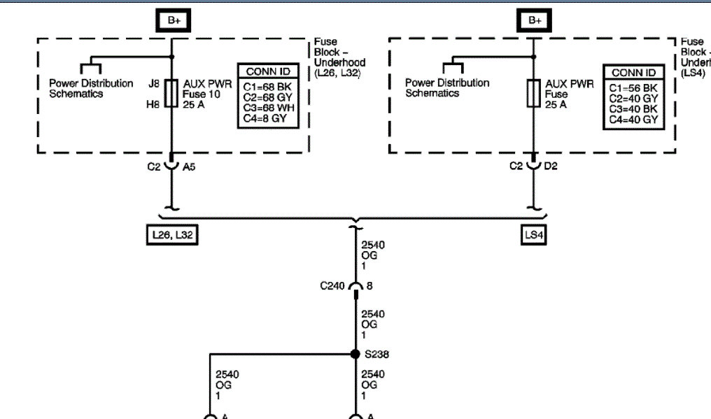
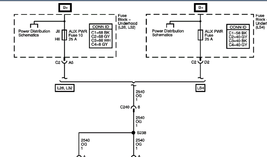
Was using air compressor connected to cigarette lighter and compressor stopped. I plugged in cell phone to check and it didnt charge. I checked all 10amp, 20amp, 25 amp fuses but none were popped. I was told to check fuse # 10 so I extra checked that one but it looked intact.
Sep 18, 2020 at 9:09 AM

