Fuse #24 keeps blowing

1997 ACURA INTEGRA
209 MILES • 1.8L • 4 CYL • 2WD • MANUAL
Avatar
JAIDEN BURKE
  • MEMBER
  • 1 POST
This fuse keeps blowing and I cannot figure out what it is. There is also fuse #12 that is not supposed to be used but my car will not run without a fuse in that slot. Help!
Sep 8, 2018 at 4:42 PM
Advertisement
Avatar
STRAILER
  • CERTIFIED EXPERT
  • 53,854 POSTS
Hello,

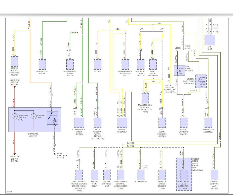
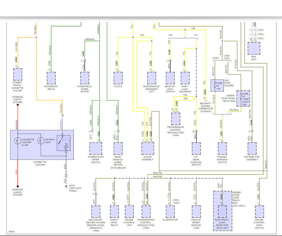
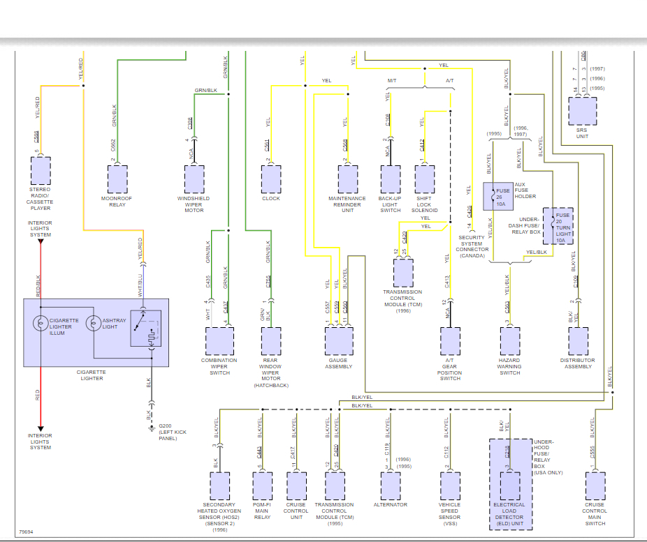
Fuse #24 runs a bunch of items but if I had to guess I would say it is one of the oxygen sensor heaters has shorted out. Please disconnect the sensor and replace the fuse to see what happens. Here is a wiring diagram below so you can see everything the fuse feeds. I cannot see #12 so that is strange, does it look like something has been modified? Check out the diagrams (below). Please let us know what happens.

Cheers, Ken
Sep 10, 2018 at 11:46 AM