Fuse #18 blowing

1999 FORD EXPLORER
250,000 MILES • V6 • 2WD • AUTOMATIC
Avatar
CODE6GEORGE
  • MEMBER
  • 7 POSTS
The fuse for the all doors relays keeps on blowing. That is fuse #18 in the fuse box next to the steering wheel. I have not done any work on my vehicle lately so I do not know why the door fuse keeps on blowing every time I use my alarm remote or the door buttons.
Feb 2, 2018 at 1:23 PM
Advertisement
Avatar
PATENTED_REPAIR_PRO
  • CERTIFIED EXPERT
  • 1,853 POSTS
remove all three of those door relays and see if the fuse stops blowing, they are the "drivers door unlock", "door lock" and "door unlock" relays. then if the fuse no longer blows, put them back in one at a time until you find out which one is blowing the fuse, then try a new relay for that one.
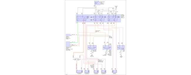
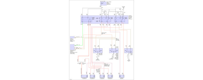
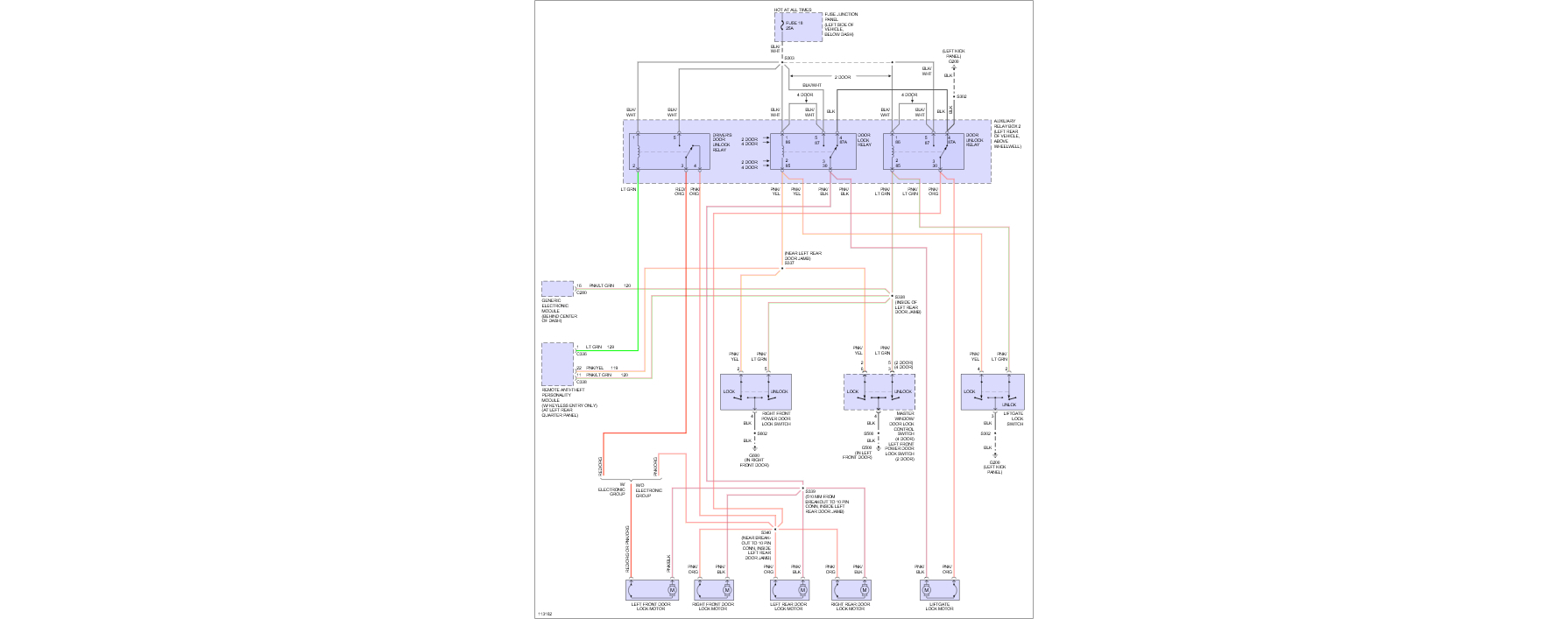
Those relays are in the auxiliary relay box #2 shown below. That auxiliary relay box #2 should be located under the hood.
Feb 2, 2018 at 2:15 PM
Avatar
CODE6GEORGE
  • MEMBER
  • 7 POSTS
Where are those three relays located? Are they the same ones located in the car jack storage area in the rear of the car?
Feb 2, 2018 at 2:17 PM
Advertisement
Avatar
PATENTED_REPAIR_PRO
  • CERTIFIED EXPERT
  • 1,853 POSTS
That auxiliary relay box #2 should be located under the hood.
I see a auxiliary relay box #1 located under the hood at the right front corner, check next to or near it for the box #2.
Correction it does say auxiliary relay box number two left rear of vehicle, above wheel well.
Feb 2, 2018 at 2:21 PM
Avatar
CODE6GEORGE
  • MEMBER
  • 7 POSTS
I cannot locate the auxiliary relay box #2 in the engine bay. All I see is the power distribution box.
Feb 2, 2018 at 3:02 PM
Avatar
PATENTED_REPAIR_PRO
  • CERTIFIED EXPERT
  • 1,853 POSTS
I edited that last response to say you were correct, it does say auxiliary relay box #2 left rear of vehicle, above wheel well.
Feb 2, 2018 at 3:21 PM
Avatar
CODE6GEORGE
  • MEMBER
  • 7 POSTS
Okay, I removed the relays and put them back one at a time. The fuse blew every time I put the “drivers doors unlock” relay in. I bought a new relay and installed it but the fuse kept on blowing again. Any other suggestions on what it my be in connection with the “drivers doors unlock” relay?
Feb 2, 2018 at 4:39 PM
Avatar
PATENTED_REPAIR_PRO
  • CERTIFIED EXPERT
  • 1,853 POSTS
Okay, looking at the wiring diagram, it appears it could be either a short in the remote anti-theft personality module and any of the door lock/motors. so try disconnecting all of them then put the fuse and relay in and when the fuse stops blowing, hook back up each individual item until again you narrow it down to which it is.
Feb 2, 2018 at 5:28 PM
Avatar
CODE6GEORGE
  • MEMBER
  • 7 POSTS
Okay, I will try that. I forgot to mention that I did notice the drivers side unlock button was not working about a month ago. The lock button worked but not the unlock button. I was able to use the key-less entry pad. But know since I removed the drivers door unlock relay. The key-less entry pad is not working.
Feb 2, 2018 at 5:54 PM
Avatar
PATENTED_REPAIR_PRO
  • CERTIFIED EXPERT
  • 1,853 POSTS
You may just want to start with that one.
Feb 2, 2018 at 6:01 PM
Avatar
CODE6GEORGE
  • MEMBER
  • 7 POSTS
Okay, I took the drivers side door apart and looked at the wiring heading into the unlock/lock buttons. And I cannot see any obvious bare wires or shorts. Is there any way to see if the actual button assembly to bad?
Feb 5, 2018 at 2:21 PM
Avatar
PATENTED_REPAIR_PRO
  • CERTIFIED EXPERT
  • 1,853 POSTS
I thought you were going to disconnect that drivers door lock and see if the fuse stops blowing?
I suppose if you wanted to check the motor itself, you could use an ohmmeter.
Feb 5, 2018 at 3:21 PM
Avatar
CODE6GEORGE
  • MEMBER
  • 7 POSTS
The drivers door lock was soldered to the drivers door lock button. I didn’t want to cut the wire. I tried taking apart the whole assembly to see if I could try to disconnect it from there. But the assembly was hard to take apart and I didn’t want to break it. I’m not sure if you know how that assembly looks like? All the wires coming from that assembly look good with no apart bare wires or bent connections.
Feb 7, 2018 at 3:34 PM
Avatar
PATENTED_REPAIR_PRO
  • CERTIFIED EXPERT
  • 1,853 POSTS
Well, I suppose you could just cut the red/orange wire and test it that way and then repair the cut when done.
Feb 7, 2018 at 5:11 PM