Dome light not working properly

2006 TOYOTA COROLLA
200,000 MILES • 4 CYL • 2WD • AUTOMATIC
Avatar
GRHYN
  • MEMBER
  • 1 POST
my dome light does not work when i open any door in the car. fuse?
Mar 6, 2021 at 2:04 PM
Advertisement
Avatar
JACOBANDNICKOLAS
  • CERTIFIED EXPERT
  • 110,175 POSTS
Hi,

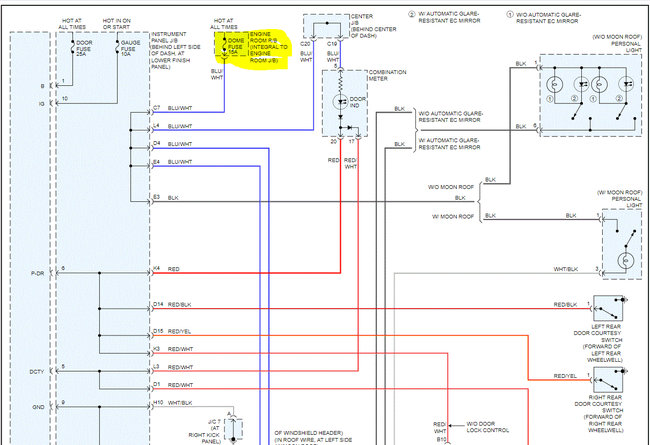
It could be a fuse, the bulb, or a wiring issue. However, I would recommend starting at the fuse.

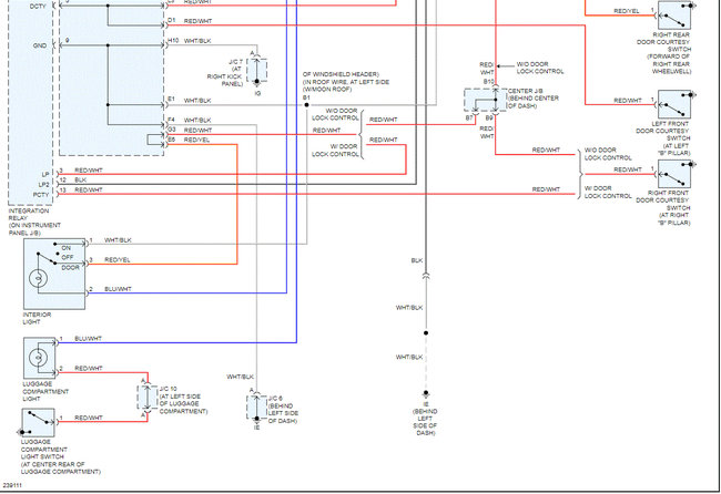
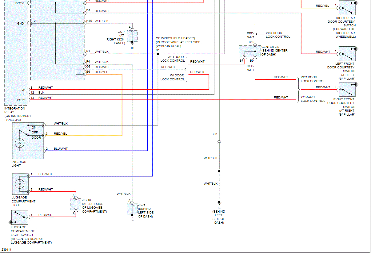
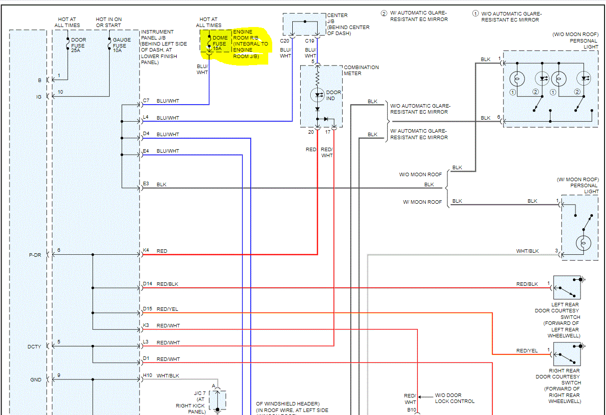
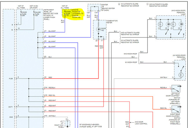
I attached 2 pics below which shows the entire wiring schematic for the interior lighting. I highlighted the dome light fuse. Note, there are two pics. I had to cut it in half to make it readable.

Check that fuse. In addition to checking the fuse, confirm there is power to and from it. Here is a link you may find helpful. My manual doesn't offer a fuse layout diagram. Under the lid of the fuse box will be a legend.

https://www.2carpros.com/articles/how-to-check-a-car-fuse

Here is the thing. That fuse powers a few other things as well such as the clock, seat belt warning, and so on. If those are working the fuse is good.

Let me know what you find or if you have other questions.

Take care and God Bless,

Joe

Mar 6, 2021 at 4:45 PM