Fuel pump relay?

1994 FORD RANGER
100,000 MILES • 2.3L • 4 CYL • 2WD • AUTOMATIC
Avatar
SHORTYDAWG
  • MEMBER
  • 41 POSTS
New fuel pump not getting hot on pin 85 the red wire.I can jumper 87 to 30 at relay and pump worked fine but no start now my pump does not come on even when I jumper. please help. I feel like it's a wiring issue but I'm not sure. This has been baffling me I'm on second fuel pump now it won't come on even when I jumper from 87 to 30 nothing. I'm getting power to fuel pump clip still no pump. I can't get power to red wire on 85 of fuel pump relay.
Jan 15, 2020 at 10:17 AM
Advertisement
Avatar
CARADIODOC
  • CERTIFIED EXPERT
  • 34,306 POSTS
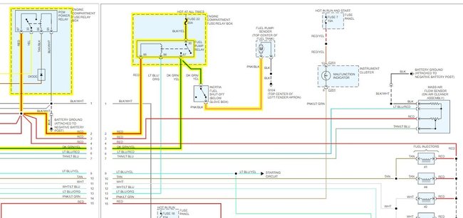
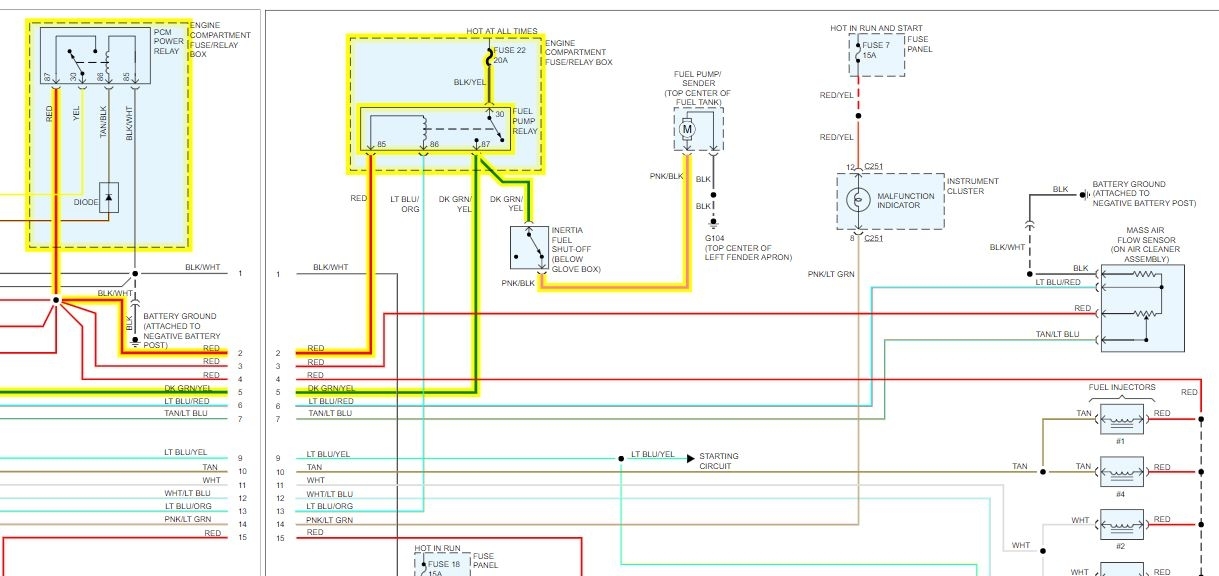
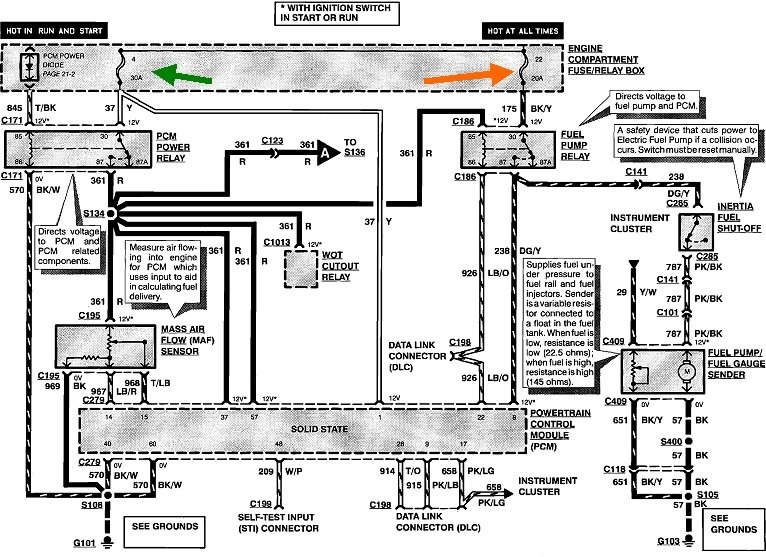
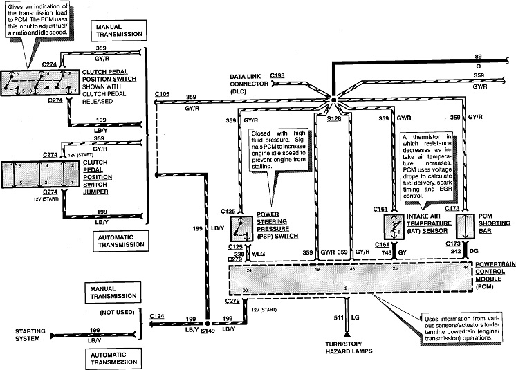
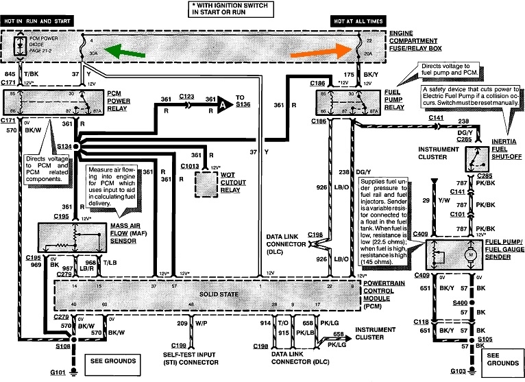
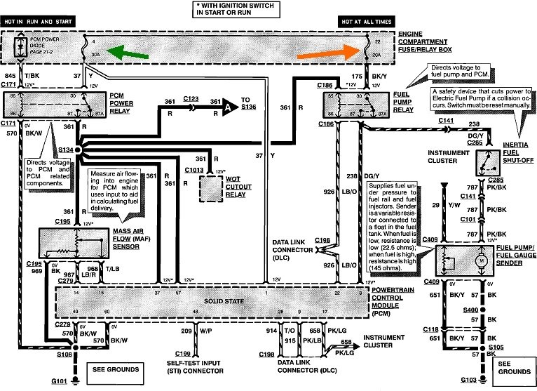
Two different fuel injection systems were used, but the fuel supply system is the same for both. It sounds like you have multiple problems, and blown fuses are good suspects for two of them. The missing 12 volts on terminal 85 of the fuel pump relay comes from the PCM power relay. Check fuse 4, a 30-amp in the under-hood fuse box.

Even if fuse 4 is blown, you're quite a few steps ahead in the diagnostic steps. The fuel pump still should have run when you jumped terminals 30 and 87 together in the fuel pump relay's socket. Since it didn't, and you already replaced the pump, the list of suspects, in order of likelihood are a blown fuse 22, a tripped inertia switch, and a broken ground wire at the tank. If there's a problem with the ground wire, the fuel level gauge won't be reading correctly either. Here is the relay location and test guide

https://www.2carpros.com/articles/how-to-check-an-electrical-relay-and-wiring-control-circuit

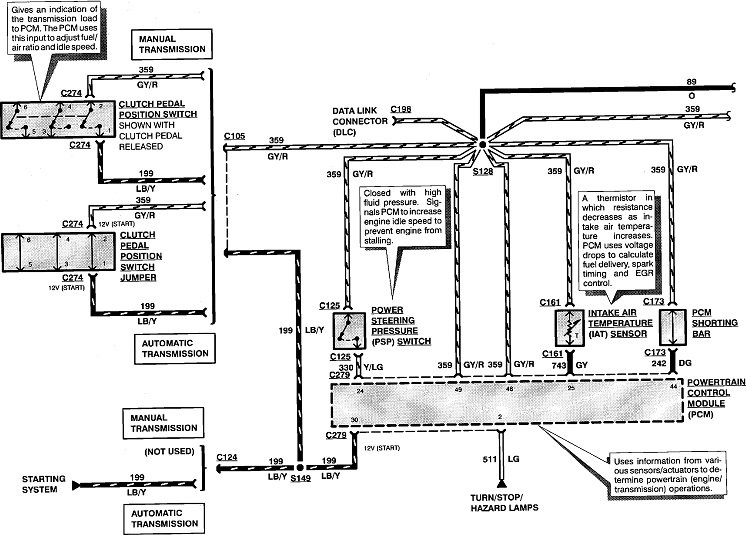
Check out the diagrams (Below). Please let us know what you find. We are interested to see what it is.
Jan 15, 2020 at 2:14 PM
Avatar
SHORTYDAWG
  • MEMBER
  • 41 POSTS
Changed fuel pump no start. so I hampered 87 to 30 on fuel pump relay pump works. couldn't get it to start gave up come out 1 week later even jumper can't get it to come back on.
Nov 24, 2020 at 8:06 AM (Merged)
Advertisement
Avatar
ASEMASTER6371
  • CERTIFIED EXPERT
  • 52,796 POSTS
Good afternoon,

Did you check for power at pin 30?

Did you check for power to pin 86 with the key on.

I attached a wiring diagram for you to view. Check the fuse for the pin 30 with a test light to verify voltage.

Roy

Nov 24, 2020 at 8:06 AM (Merged)
Avatar
SCGRANTURISMO
  • CERTIFIED EXPERT
  • 4,897 POSTS
Hello,

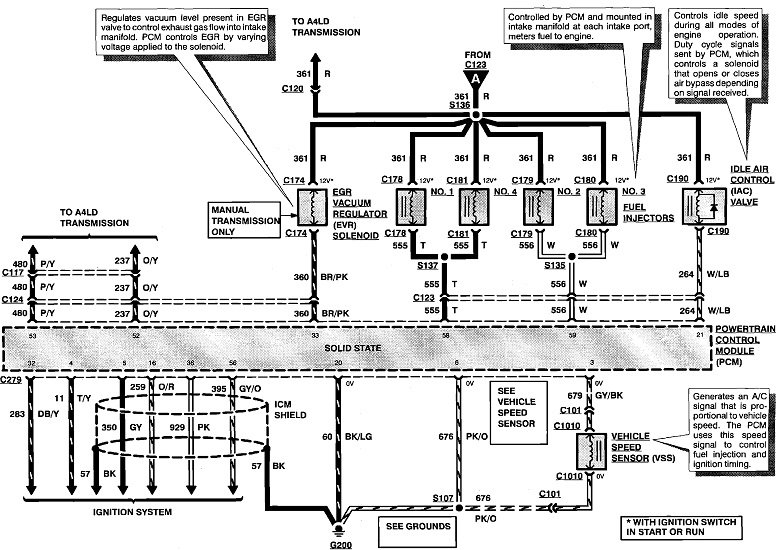
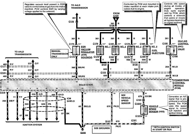
Okay, in the diagrams down below I have included the engine management wiring diagrams for your vehicle with the fuel pump circuit highlighted for you as well as a diagram with call out for the Under hood Fuse/Relay Box, and a diagram of a pin relay for your reference. Okay, so first things first, can you please check fuse #22[20A] of the Under hood Fuse/Relay Box for us. Please get back to us with what you are able to find out.

Thanks,
Alex
2CarPros
Nov 24, 2020 at 8:06 AM (Merged)
Avatar
SHORTYDAWG
  • MEMBER
  • 41 POSTS
30 has power but 86 does not. 20 amp fuse looks fine.
Nov 24, 2020 at 8:06 AM (Merged)
Avatar
ASEMASTER6371
  • CERTIFIED EXPERT
  • 52,796 POSTS
Okay, sorry, it is 85 that gets power form the power relay right next to the fuel pump relay. You should have power there for 2 seconds with the key on. That is controlled by the ECM.

Roy
Nov 24, 2020 at 8:06 AM (Merged)
Avatar
SHORTYDAWG
  • MEMBER
  • 41 POSTS
Okay, no power to 85 with key on.
Nov 24, 2020 at 8:06 AM (Merged)
Avatar
SHORTYDAWG
  • MEMBER
  • 41 POSTS
And I'm testing fuel pump relay red wire is 85 no power with key on.
Nov 24, 2020 at 8:06 AM (Merged)
Avatar
ASEMASTER6371
  • CERTIFIED EXPERT
  • 52,796 POSTS
With the key on, it should have 12 volts for 2 seconds.

If it does not, then you need to check the power relay next to it.

I attached a diagram for the relay. Check the fuse I circled. Make sure there are 2 powers with the key on.


Roy
Nov 24, 2020 at 8:06 AM (Merged)
Avatar
SHORTYDAWG
  • MEMBER
  • 41 POSTS
Okay, on the fuel pump relay 30 has constant power 85 does not with key on.on power relay 30 has constant power and 86 has power when key is on.I'm not getting power to 85 on fuel pump relay when key is on.
Nov 24, 2020 at 8:06 AM (Merged)
Avatar
ASEMASTER6371
  • CERTIFIED EXPERT
  • 52,796 POSTS
Okay, you may have a bad relay.

Does it click when you turn on the key?

Roy
Nov 24, 2020 at 8:06 AM (Merged)
Avatar
SHORTYDAWG
  • MEMBER
  • 41 POSTS
Okay, no click when I turn on key, I have 3 other relays and swapped them out still the same thing, I tested for power on fuel pump relay, 30 has power 85 does not, so tested grounds, strange 85 which is red wire and it's grounded also 87 is grounded almost like it's the opposite of what it supposed to be.
Nov 24, 2020 at 8:06 AM (Merged)
Avatar
ASEMASTER6371
  • CERTIFIED EXPERT
  • 52,796 POSTS
Okay, looks like you need an ignition switch.

I attached the location for you. It is at the bottom of the steering column and is attached by 2 bolts.



Roy
Nov 24, 2020 at 8:06 AM (Merged)
Avatar
SHORTYDAWG
  • MEMBER
  • 41 POSTS
Thanks Mr Roy. this truck has whooped me. I'll get an ignition switch and let you know.I was thinking maybe it had something to do with it wasn't sure. needed to hear it from a professional.have a wonderful New year and I'll update you.
Nov 24, 2020 at 8:06 AM (Merged)
Avatar
ASEMASTER6371
  • CERTIFIED EXPERT
  • 52,796 POSTS
You are welcome.

Always glad to help.

Roy
Nov 24, 2020 at 8:06 AM (Merged)
Avatar
LEONGILBERT
  • MEMBER
  • 1 POST
starting problem. fuel pump does not come on. at times the vehicle will start just fine. is there a relay or reset or could it be electrical? where is the reset or relay.
Nov 24, 2020 at 8:06 AM (Merged)
Avatar
IANHIESTAND
  • MEMBER
  • 14 POSTS
There is a relay in the under hood fuse block and a reset switch on the inside of the truck behind the kick panel on passenger side under glove box(small black plastic with red button on top)
Nov 24, 2020 at 8:06 AM (Merged)
Avatar
PK47
  • MEMBER
  • 1 POST
My fuel pump does not operate when the temperature is below 25 f. When the sun hits the truck bed the fuel pump operates. I have a good spark and good voltage leaving the interia switch.I replaced the pcm and fuel pump relay.I can't locate the connector to the fuel pump to check for a bad connection. Should I have the fuel pump and sender unit replaced? The truck runs fine otherwise.
Nov 24, 2020 at 8:07 AM (Merged)
Avatar
BLACKOP555
  • CERTIFIED EXPERT
  • 10,386 POSTS
next time the pump wont operate go and hit the bed of the truck over the tank or hit the tank witha hammer. turn noW?

IF it does i would be suspecting the pump is no good. the connector is on the top of the tank on the fuel pump as that is where the fuel pump is.
Nov 24, 2020 at 8:07 AM (Merged)
Avatar
COWBOY SMITH
  • MEMBER
  • 1 POST
I have a 94 ranger and we are not getting power to the fuel pump and we have change the ecc and fuel pump relay and the fuel pump and reset the kill switch and we have checked all the fuses and they are good. Could something in the distributor have something to do with it not getting power back there???
Nov 24, 2020 at 8:07 AM (Merged)
Avatar
RASMATAZ
  • CERTIFIED EXPERT
  • 75,992 POSTS
Have helper turn key On while you check for power in front of the inertia switch-no power you have an open circuit between the switch and fuel pump relay or the computer is not grounding the fuel pump relay
Nov 24, 2020 at 8:07 AM (Merged)
Avatar
CHU206
  • MEMBER
  • 2 POSTS
1994, Ford Ranger, 150,000, 4 cylinder

I've been having a problem for nearly 9 mos. where every so often, the fuel pump will not come on (I can't hear the quick humming sound when you turn the ignition to the "on" position) leaving the truck to turn over but not catch (it stalled). So when it happens, I simply turn the ignition from "off" to "on" several times, and eventually the fuel pump will come on, and I could start my truck.

Two weeks ago, when the pump wouldn't come on I tried the "on" "off" for about 25 minutes, the longest time of trying to start on record and the pump continued to not come on. I disconnected the line going into the fuel filter and cranked the truck--but no fuel came out of the line (which led me to believe my fuel pump finally gave out). I was going to tow it the following day, but when I went to show the tow guy where it was, I decided to try and start it; the truck started but ran really rough. I had my mechanic replace the pump, but the next day, the same thing happened again! He took another look at it, but said the fuel pump kept working and could not check for an electrical problem until it malfunctioned again (he checked the inertia switch, and he switch the A/C and Fuel Pump relays). What is the problem?? It seems that I am stuck with waiting for it to malfunction again.
Nov 24, 2020 at 8:07 AM (Merged)
Avatar
RASMATAZ
  • CERTIFIED EXPERT
  • 75,992 POSTS
Could be the oil pressure sending unit it comes in play after the fuel pump relay does its thing-it powers the pump. Could also be the fuel pump relay or PCM on its way out.
Nov 24, 2020 at 8:07 AM (Merged)