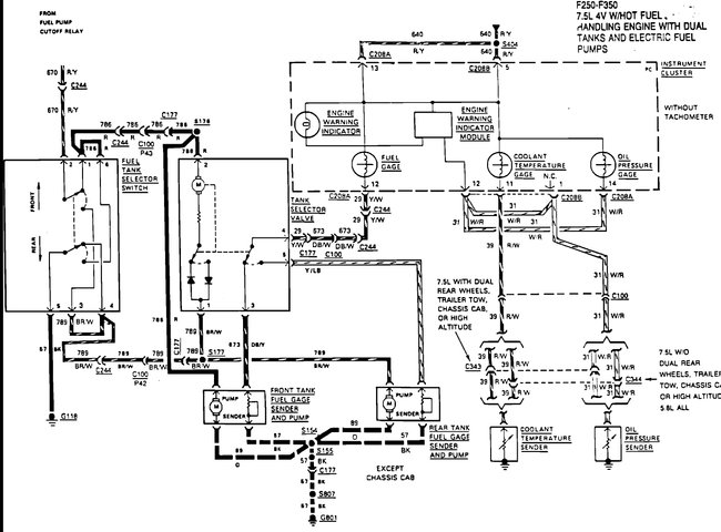
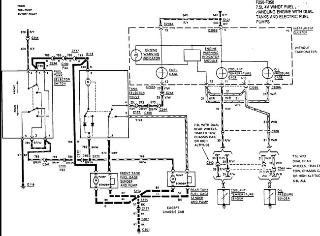
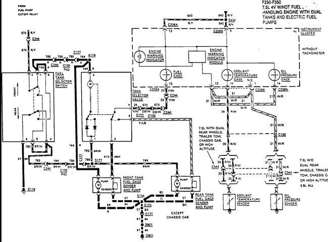
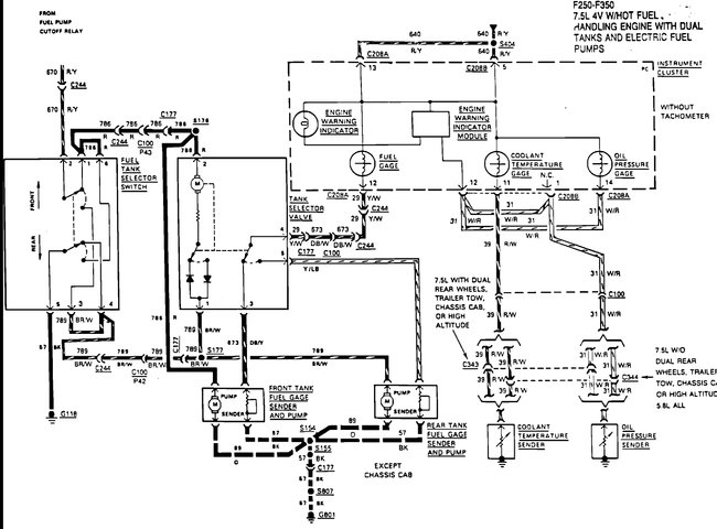
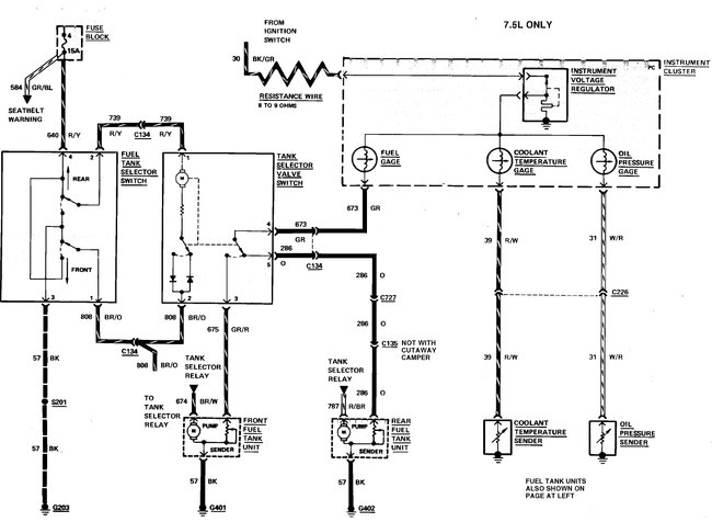
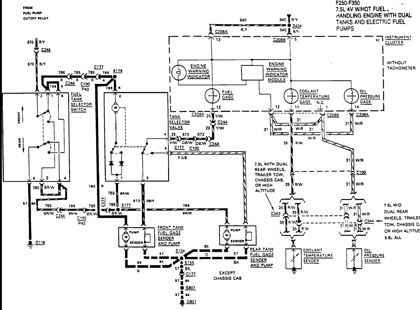
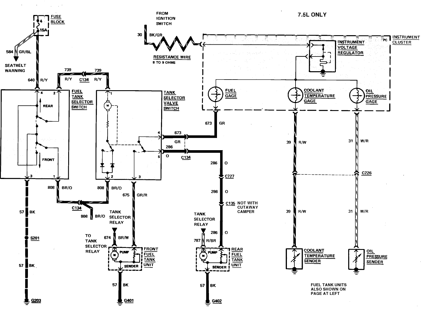
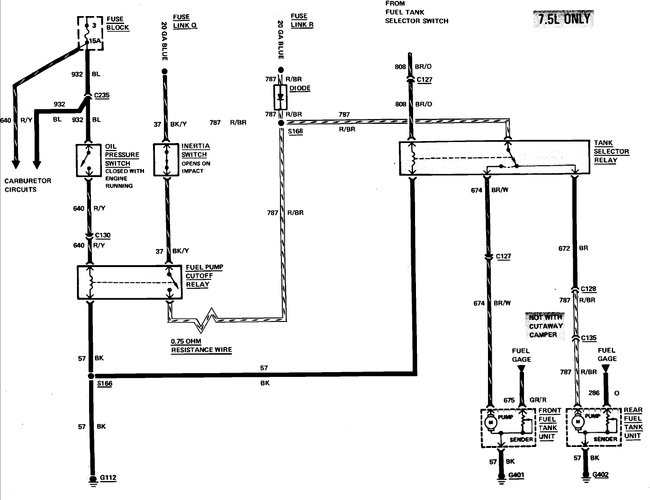
I replaced fuel pumps and sending units, both tanks. Rear tank did not work, still does not. I started tracing wires, some change colors, some just stop. The dash selector is 11.8 VDC when front selected, 8.1 VDC when rear is on. I cannot even find a good pinout drawing of the selector valve, or wiring diagram.
460 carburetor four wheel drive auto supercab XLT Lariat.
460 carburetor four wheel drive auto supercab XLT Lariat.
Oct 11, 2017 at 3:50 PM



