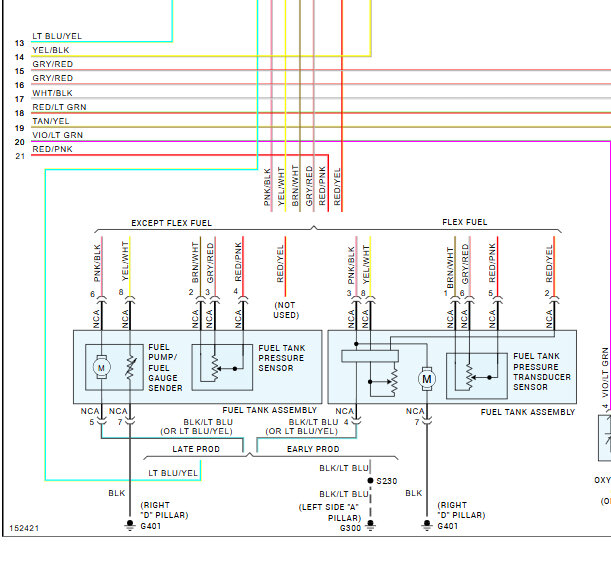
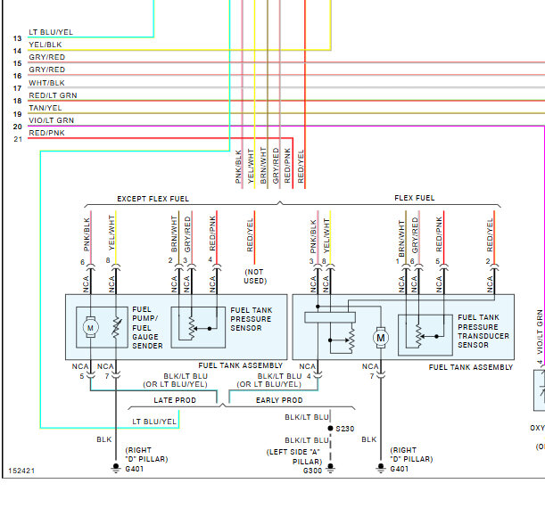
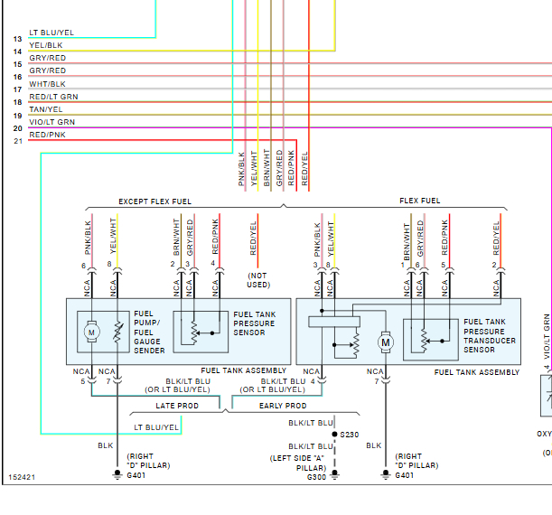
have check engine light on, took it to auto parts store for code check. got code P0453 and suggested part. I got that part, but while checking around for the best price, I found 3 different looking fuel tank pressure sensors, thinking they may be confused with fuel rail pressure sensor, or something else, making me think i might have wrong part. So, I lowered the fuel tank, and I didn't immediately see anything that looked like the part that was ordered. Exactly where is the fuel tank pressure sensor located, and what does the actual fuel tank pressure sensor look like? The more I try to confirm the actual part and location, the more confused and frustrated I get. I used to work in a Ford dealership parts dept a long time ago, this is not normal for me. UGGH. Please, any definitive help would be appreciated.
Dec 18, 2024 at 7:18 PM







