Code PO446 fuel tank pressure sensor

2001 BUICK CENTURY
136,337 MILES
Avatar
JOJO5676
  • MEMBER
  • 1 POST
Getting a code PO446 says I need to replace fuel tank pressure sensor. Can you please tell me where this is located in this make and model and level of difficulty in replacing?
Thank you
Aug 26, 2019 at 5:11 AM
Advertisement
Avatar
JACOBANDNICKOLAS
  • CERTIFIED EXPERT
  • 110,175 POSTS
Welcome to 2CarPros.

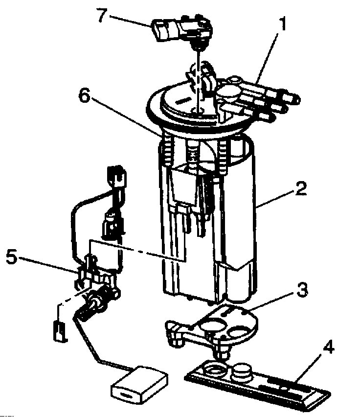
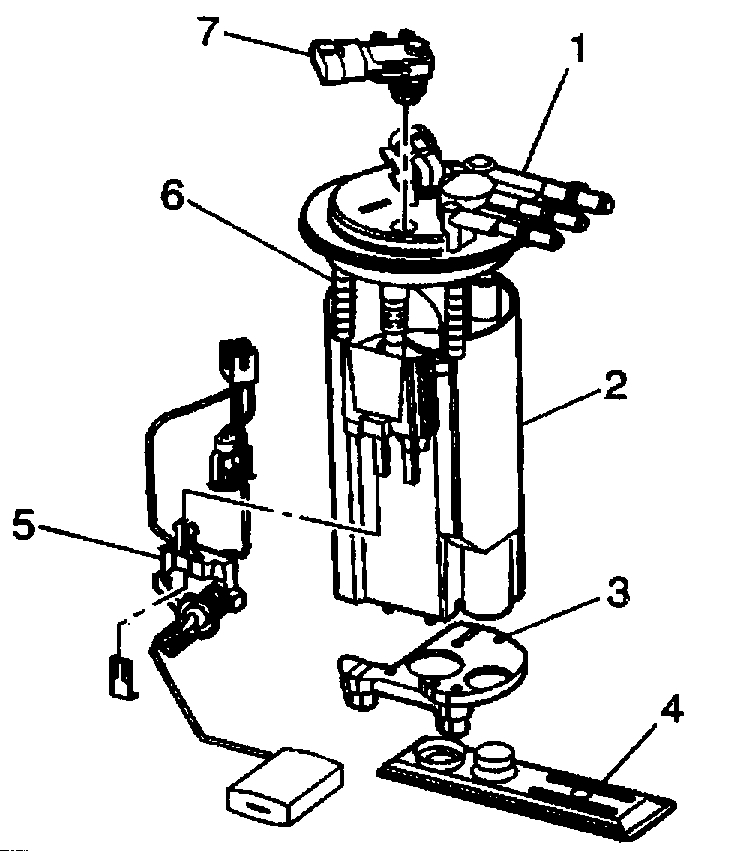
On a scale of 1 to 10, I give it a 3. If you look at picture 1, I highlighted the sensor you need to replace. It is mounted to the fuel pump assembly.

Here are the directions for replacement. Not included in the directions is disconnecting the negative battery terminal before starting. I recommend doing that. You don't want anything that can spark when you are working in this area.

____________________________

2001 Buick Century V6-3.1L VIN J
Fuel Tank Pressure Sensor Replacement
FUEL TANK PRESSURE SENSOR REPLACEMENT

REMOVAL PROCEDURE


pic 2

1. Remove the trunk liner. Refer to Compartment Trim Panel Replacement - Rear (One Piece) or Compartment Trim Panel Replacement - Rear (Two Piece) in Trunk/Liftgate.
2. Remove the fuel sender access panel.


pic 3

3. Disconnect the electrical connector from the fuel tank pressure sensor.
4. Remove the fuel tank pressure sensor (7) from the fuel sender assembly.

INSTALLATION PROCEDURE


pic 4

1. Install a new seal provided with the fuel tank pressure sensor.
2. Install the new fuel tank pressure sensor (7) to the fuel sender.
3. Connect the electrical connector to fuel tank pressure sensor


pic 5

4. Install the fuel sender access panel.

NOTE: Refer to Fastener Notice in Caution and Notices.

5. Install the nuts retaining the fuel sender access panel.

Tighten
Tighten the fuel sender access panel nuts to 10 N.m (89 lb in).

6. Install the trunk liner. Refer to Compartment Trim Panel Replacement - Rear (One Piece) or Compartment Trim Panel Replacement - Rear (Two Piece) in Trunk/Liftgate.

___________________________________________

Let me know if this helps or if you have other questions.

Joe
Aug 26, 2019 at 7:06 PM