☰
Login
Join
×
Home
Answered Questions
Repair Topics
Repair & Service Guides
Popular Questions
Warning Lights
Trouble Codes
How It Works
Testing / Diagnostics
Symptoms
Videos
Login
Become a Member
Home
Honda
Accord
Fuel System
Fuel Filter
Replace/Remove
Where is the fuel filter located?
2008 HONDA ACCORD
200,000 MILES
17DAMSR2F3
MEMBER
1 POST
FOLLOW
Location of the fuel filter?
Sep 21, 2024 at 3:59 PM
Advertisement
STRAILER
CERTIFIED EXPERT
53,855 POSTS
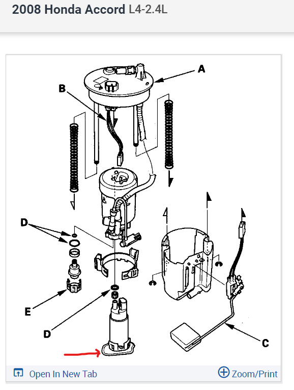
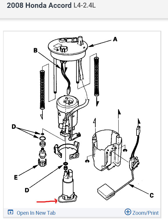
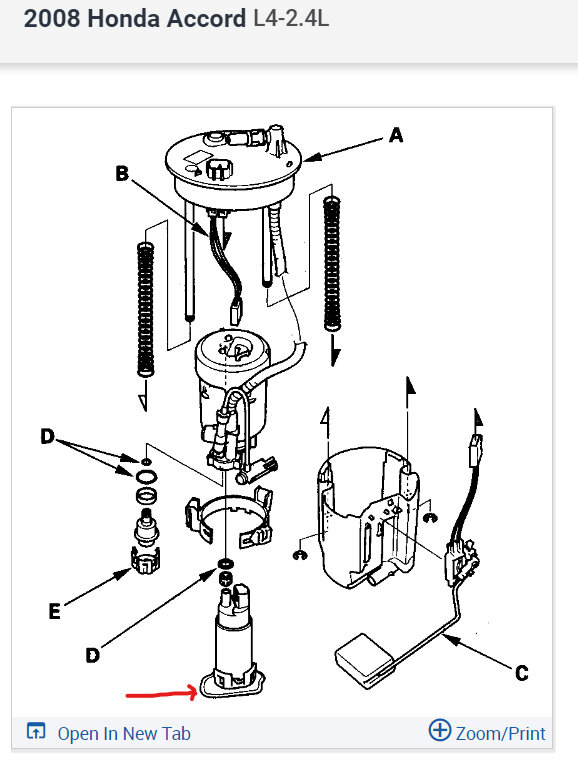
The fuel filter is inside the fuel tank at the end of the fuel pump, they now refer to it as a strainer. Check out the images (below). Let us know if you need anything else.
Image (Click to enlarge)
Sep 22, 2024 at 10:51 AM