Where is the fuel pressure regulator or sensor located?
2005 DODGE DURANGO
250,000 MILES • 5.7L • V8 • 4WD • AUTOMATIC
AEATON80
MEMBER
6 POSTS
FOLLOW
The vehicle listed above is a HEMI edition.
Sep 14, 2024 at 7:22 AM
Advertisement
STRAILER
CERTIFIED EXPERT
53,855 POSTS
This engine /car does not seem to have a fuel pressure sensor.
Sep 14, 2024 at 7:10 PM
AEATON80
MEMBER
6 POSTS
Your telling me the 05 Dodge 5.7 L HEMI does not have a fuel pressure sensor? That seems odd Ken.
Sep 15, 2024 at 7:50 AM
Advertisement
STRAILER
CERTIFIED EXPERT
53,855 POSTS
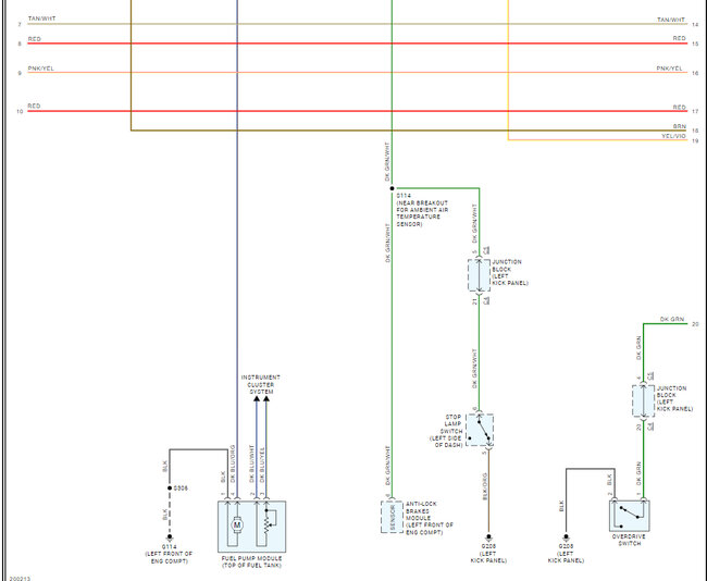
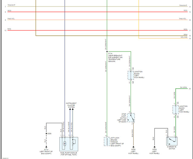
That is what I thought too but I checked twice, here are the engine wiring diagrams so you can see for yourself. Check out the images (below). Let us know if you need anything else.
Images (Click to enlarge)
Sep 15, 2024 at 9:49 AM
AEATON80
MEMBER
6 POSTS
Well thanks Ken I appreciate it.
Sep 15, 2024 at 12:13 PM
AEATON80
MEMBER
6 POSTS
Does it have a fuel pressure regulator?
Sep 15, 2024 at 12:14 PM
STRAILER
CERTIFIED EXPERT
53,855 POSTS
Our pleasure, the fuel pressure regulator is part of the fuel pump. If you are having an issue you need help with please start a new thread.