Fuel release button broke?

2009 KIA SEDONA
80,000 MILES • 6 CYL • AUTOMATIC
Avatar
TSWILLS
  • MEMBER
  • 1 POST
The interior button that releases the fuel door for refueling has broken. We cannot find a replacement part. It has literally fallen down inside the door. We can use the manual release pull in the trunk, but it's kind of inconvenient. LOL
Sep 25, 2023 at 1:39 PM
Advertisement
Avatar
STRAILER
  • CERTIFIED EXPERT
  • 53,854 POSTS
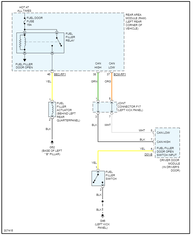
The button is a simple ground connection so you can touch the yellow wire of the switch to ground, and it will open the gas door, or you can remove the door panel to fix it correctly. Here is how, Check out the images (below). Please let us know if you need anything else to get the problem fixed.
Sep 26, 2023 at 12:50 PM