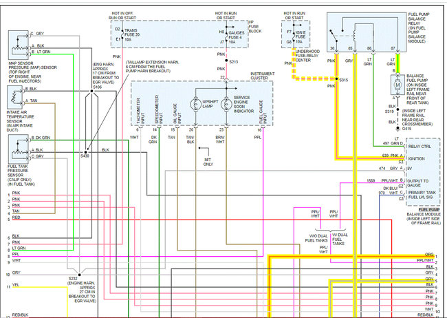
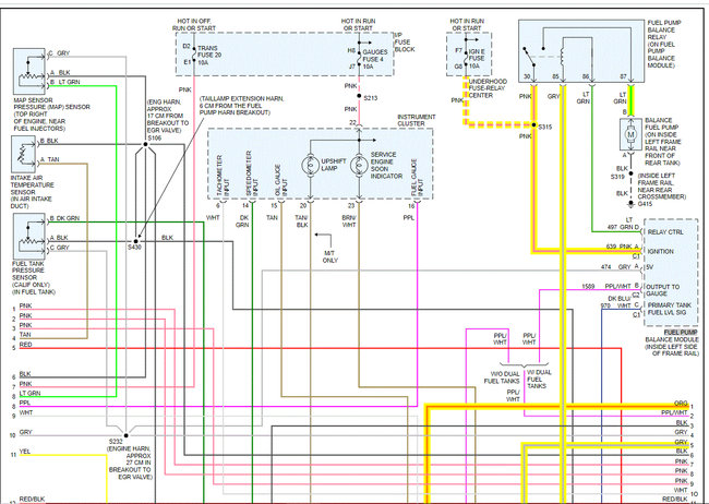
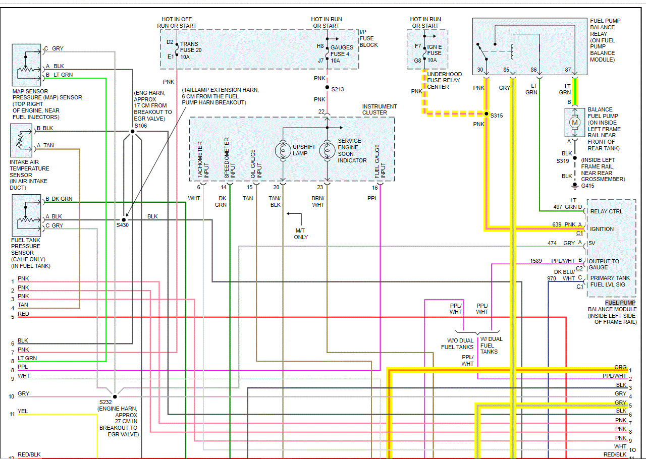
New motor installed/all grounds are on but no 12v to fuel pump relay/no start
Relay test good/pump runs when 12v jumped from battery to pin 30/have nothing on pin 30, 85, 87, or 87a.
Guessing ECM not sending power ?
Relay test good/pump runs when 12v jumped from battery to pin 30/have nothing on pin 30, 85, 87, or 87a.
Guessing ECM not sending power ?
May 20, 2021 at 10:57 PM








