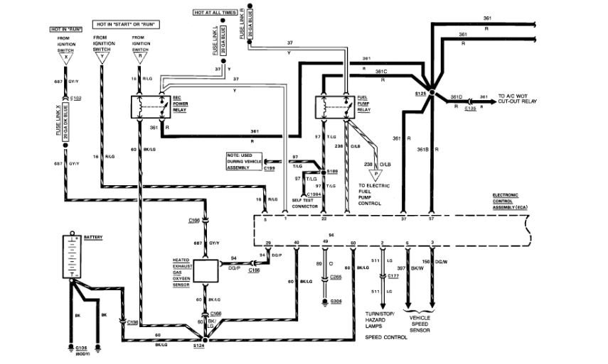
I had to replace the fuel pumps and the fuel pump relay, but anytime that the switch is on the fuel pumps are running. I need help really bad. I also replaced the fuel pressure valve.
Nov 1, 2018 at 9:22 PM
