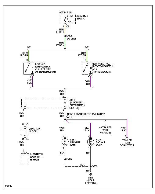
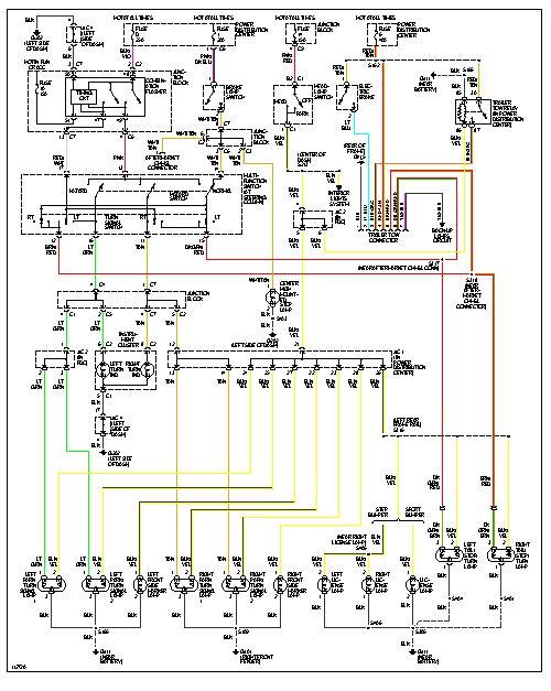
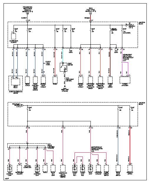
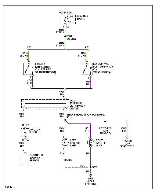
fuel pump\brake,tail lights,back up lights,wiring for everything from the cab back

1999 DODGE DAKOTA
200,000 MILES
Avatar
STEVEBUSCHER
  • MEMBER
  • 2 POSTS
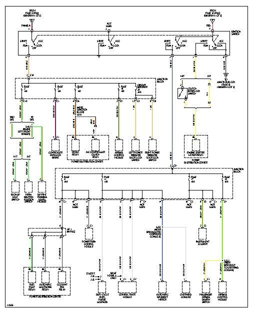
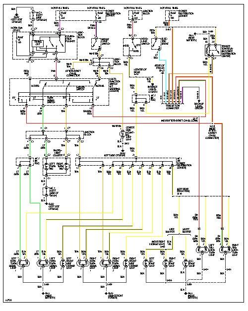
Dodge set the bed of the truck on bundle of wires going back. I would like a diagram for fuel pump,gas guage and lights. I plan on elimating all nonessential wiring. To look at the bundle there are over twice as many as needed. Thankyou
Aug 17, 2013 at 6:23 AM
Advertisement
Avatar
DRCRANKNWRENCH
  • CERTIFIED EXPERT
  • 3,380 POSTS
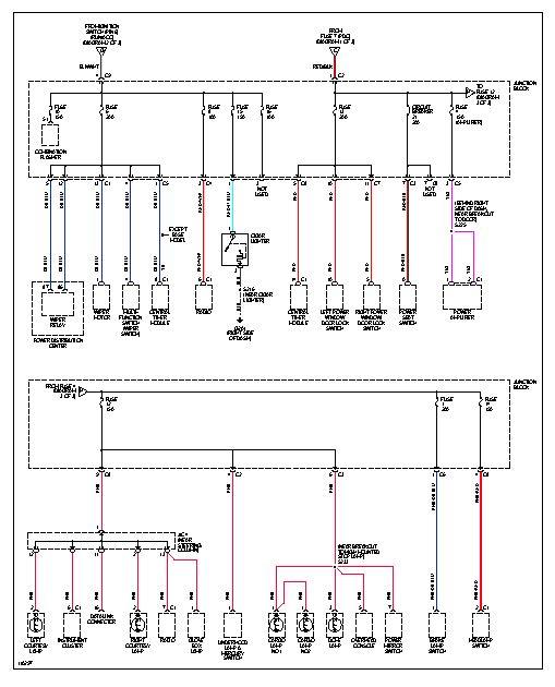
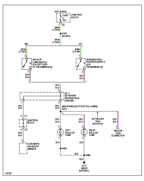
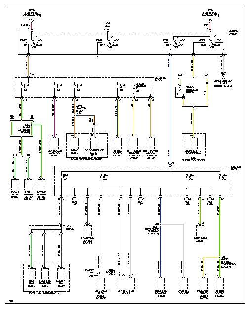
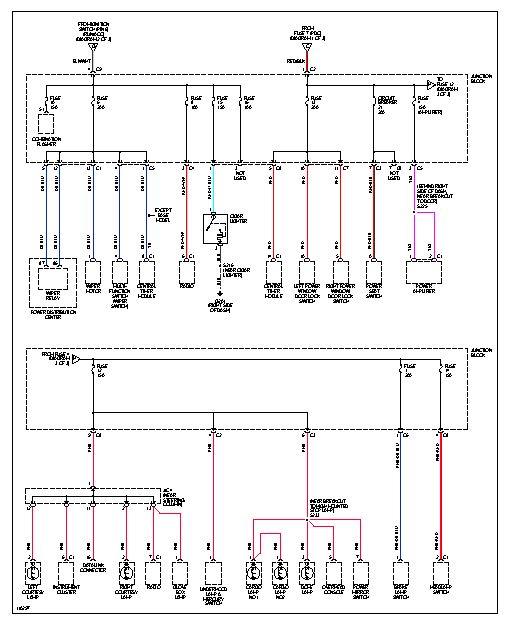
Attached are all wiring diagrams. Just to be safe though, note the color of the fuel level sensor and the fuel pump and lights before you start cutting wires. If you plan to completely remove wires, there is a lot of insulation and electrical tape to undo. So, you might dis-connect everything and remove the wires you don't want. One problem you might run into is that your warning light on the dash may come on if the PCM looks for a signal that is no longer there. Some things tied into the PCM are not what you would logically think should be involved with the PCM. Just a word of warning to make sure that you don't take out any PCM wires so double check or leave anything you have doubts about.
Aug 17, 2013 at 8:52 PM