Fuel pump wiring question?

2002 CHEVROLET S-10
270,000 MILES • 2.2L • 4 CYL • 2WD • AUTOMATIC
Avatar
BEST8419
  • MEMBER
  • 4 POSTS
I'm wiring up a new fuel pump and I got to plug up a 1999 GMC Jimmy and the wiring colors don't match up to my 2002 Chevrolet S10 pickup. I was wondering if anybody could help me. The colors on the truck are black and orange, gray, purple, and black and then all my new plug or gray, purple, black, and black and white.
Apr 9, 2023 at 8:53 AM
Advertisement
Avatar
BEST8419
  • MEMBER
  • 4 POSTS
The truck listed above is a 6 cylinder not 4.
Apr 9, 2023 at 8:57 AM
Avatar
STRAILER
  • CERTIFIED EXPERT
  • 53,854 POSTS
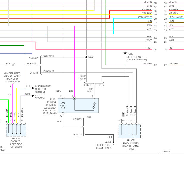
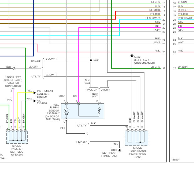
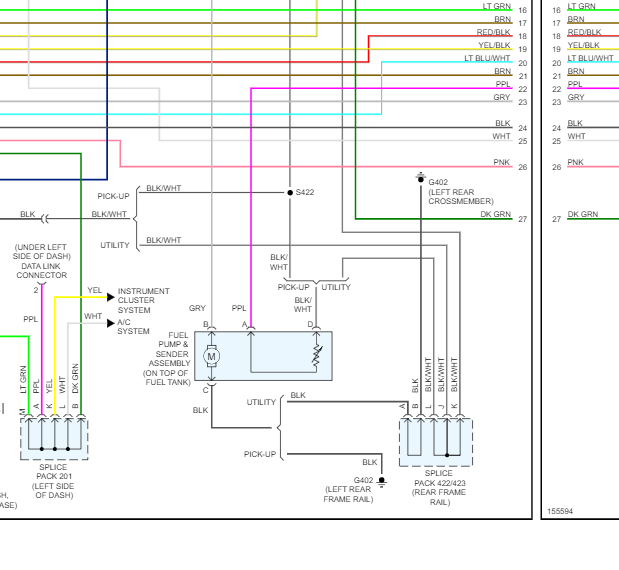
Sure, here are the wiring colors that go to your truck's fuel pump just make sure the correlating colors match up to the plug. Check out the images (below). Let us know what happens and please upload pictures or videos of the problem so we can see what's going on.
Apr 10, 2023 at 10:43 AM
Advertisement