Hi,
If you are getting power to where it's needed, then the relay is likely causing the problem.
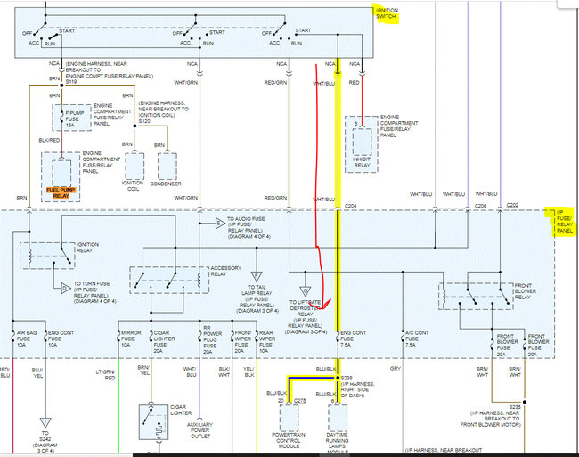
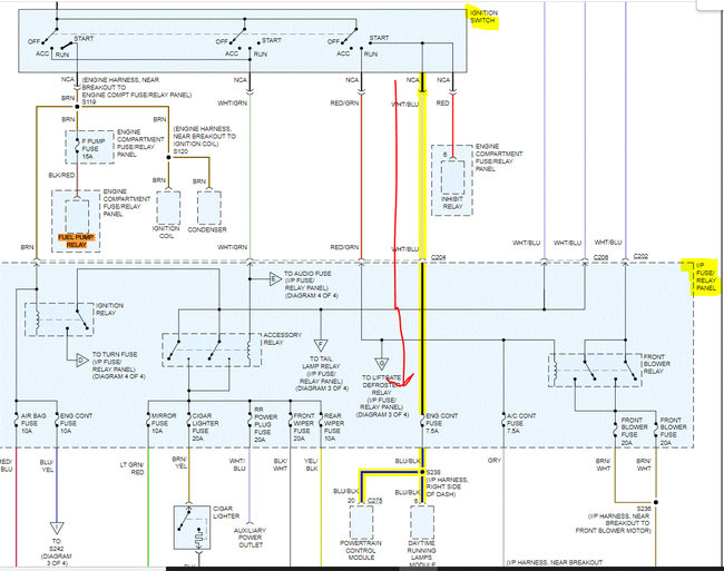
Take a look at the pic below. When you turn the key to the on or start position, power is supplied via both black/red wires. The blue/red completes the circuit for the relay. Once power goes in the black/red wire (left side of relay pic, 1) the circuit is completed by the blue/red wire. That draws the relay switch into the closed position (right side switched section of the relay). Once that internal switch is closed in the relay, power then runs from the fuel pump fuse, through the right section of the relay, and out the light green/red wire to the pump.
If you are not getting power to the light green/red wire, either the internal contact switch in the relay isn't closing, there is no power to the black/red at that portion of the relay, the connector to the light green wire is bad, or the fuse is bad.
Look at pics 1 and 2 (sorry it's so sloppy). The first thing that happens is the relay is powered (pic 1) indicated as step 1. Once power goes through the relay, it causes the contact to close (pic 2) creating a path to power the pump, the light green wire.
So, if you have power in and out as seen in pic 1, and there is power in as seen in pic 2, then the pump should get power. If the light green wire never gets power, recheck the relay and its connection (specifically to the light green wire).
I hope that makes sense. LOL I read through it a couple of times. If it doesn't. let me know.
Take care and let me know the results. Also, here is a link that shows how to test a relay.
https://www.2carpros.com/articles/how-to-check-an-electrical-relay-and-wiring-control-circuit
Joe
See pics below.
Images (Click to enlarge)
Oct 27, 2021 at 8:40 PM