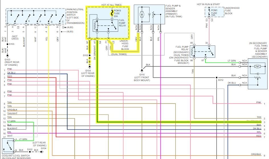
Per your previous instructions we replaced a bad fuel pump but there seems to be no current getting to the pump. engine turns but doesn't start.
Engine starts with starter fluid.
Could you give us instructions on how to diagnose and hopefully fix the issue (bad fuse or relay, etc.)?
Thanks.
Jon
Engine starts with starter fluid.
Could you give us instructions on how to diagnose and hopefully fix the issue (bad fuse or relay, etc.)?
Thanks.
Jon
Jan 16, 2020 at 9:02 AM


