Fuel pump relay wiring diagram

1994 DODGE VAN
150,000 MILES • 5.2L • 2WD • AUTOMATIC
Avatar
SIMONCORPORATION
  • MEMBER
  • 1 POST
Turns to start, will run with carburetor cleaner spraying but no fuel. Was parked for years. Filled tank with fresh fuel weeks ago.
Jul 28, 2020 at 6:48 PM
Advertisement
Avatar
JACOBANDNICKOLAS
  • CERTIFIED EXPERT
  • 110,175 POSTS
Hi,

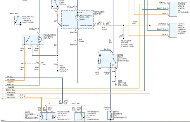
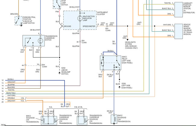
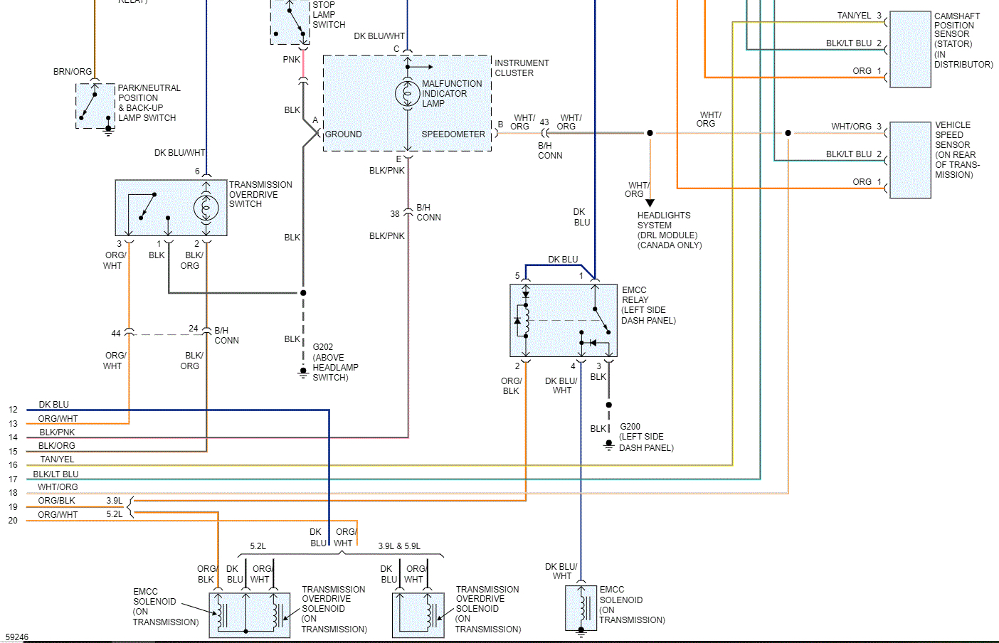
I attached 4 pics below which is the entire power-train control system. I highlighted the fuel pump relay. I also highlighted the auto shut down relay which can also turn the fuel off.

I had to cut the two pages of schematics in half to make them readable. I did overlap them so you can follow them.

If you have questions, let me know.

Take care,
Joe
Jul 28, 2020 at 7:07 PM