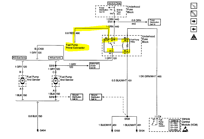
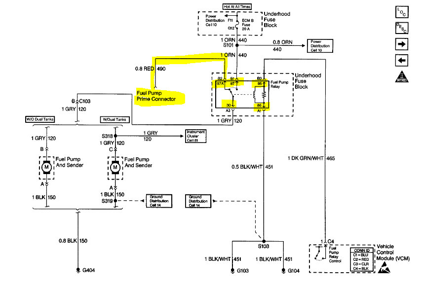
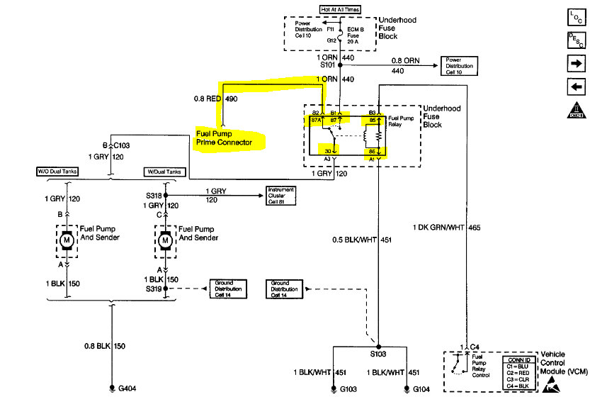
I'm having a problem with the truck staying running. it starts then dies. Note: pass lock has previously been removed. I installed a new pump around a year ago, but i often run it at the bottom end of tank and i haven't changed out the filter since, but i do show pressure at the Shrader valve, although i do not have a gauge to show if I'm getting around 60 PSI. So, I'm trying to understand what's going on with the relay and I'm by myself. With a test light key off, the 87 pin is the only pin that lights up. The ECM b fuse also lights up. I've bench tested the relay, and it appears good/clicking. So, to check ground i hooked the test tight to + now and the 30 lights up when it should be 85, right? 30 is power, right? So, with the key on now, and with the light connected to ground it's the same, only 87 lights up. With the light on the + to check ground, the 86 pin lights up, which is the signal from the PCM, right? So, my question is, what is this telling me? OBD shows no codes. Should i be able to jump a wire from a fuse, like the ign -e, ecm-1, or the ign-1, all small fuses in and rows that only turn on with the key, to the 87a.
Sep 20, 2022 at 5:32 PM
