Fuel pump relay location

2010 CADILLAC CTS
80,000 MILES • 3.0L • 6 CYL • AUTOMATIC
Avatar
COLLET WILLIAMS
  • MEMBER
  • 10 POSTS
Trying to locate the fuel pump relay.
Nov 1, 2018 at 9:35 AM
Advertisement
Avatar
ASEMASTER6371
  • CERTIFIED EXPERT
  • 52,796 POSTS
Good afternoon.

The relay is in the fuse center. I attached a picture for you to view and they are marked.

Roy
Nov 1, 2018 at 11:42 AM
Avatar
COLLET WILLIAMS
  • MEMBER
  • 10 POSTS
Hi. My diagram does not have a fuel pump relay mark on it. Trying to send an image of diagram.
Nov 5, 2018 at 7:35 AM
Advertisement
Avatar
ASEMASTER6371
  • CERTIFIED EXPERT
  • 52,796 POSTS
The relay diagram I sent you shows fuel pump.

Which fuse box are you looking at?

Roy
Nov 5, 2018 at 7:43 AM
Avatar
COLLET WILLIAMS
  • MEMBER
  • 10 POSTS
I sent a picture of fuse box diagram.
Nov 5, 2018 at 7:48 AM
Avatar
COLLET WILLIAMS
  • MEMBER
  • 10 POSTS
Sent a picture.
Nov 5, 2018 at 7:51 AM
Avatar
ASEMASTER6371
  • CERTIFIED EXPERT
  • 52,796 POSTS
Where is this fuse box?

There is one under the hood, in the trunk and under the rear seat.
Nov 5, 2018 at 7:52 AM
Avatar
COLLET WILLIAMS
  • MEMBER
  • 10 POSTS
I have no fuse box under the seat. The one under the hood has no relay for fuel pump.
Nov 5, 2018 at 7:54 AM
Avatar
COLLET WILLIAMS
  • MEMBER
  • 10 POSTS
This fuse box is in the trunk.
Nov 5, 2018 at 7:54 AM
Avatar
COLLET WILLIAMS
  • MEMBER
  • 10 POSTS
2010 Cadillac CTS.
Nov 5, 2018 at 7:56 AM
Avatar
ASEMASTER6371
  • CERTIFIED EXPERT
  • 52,796 POSTS
In the trunk.

Roy

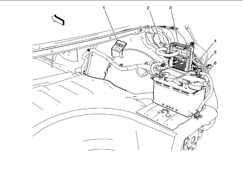
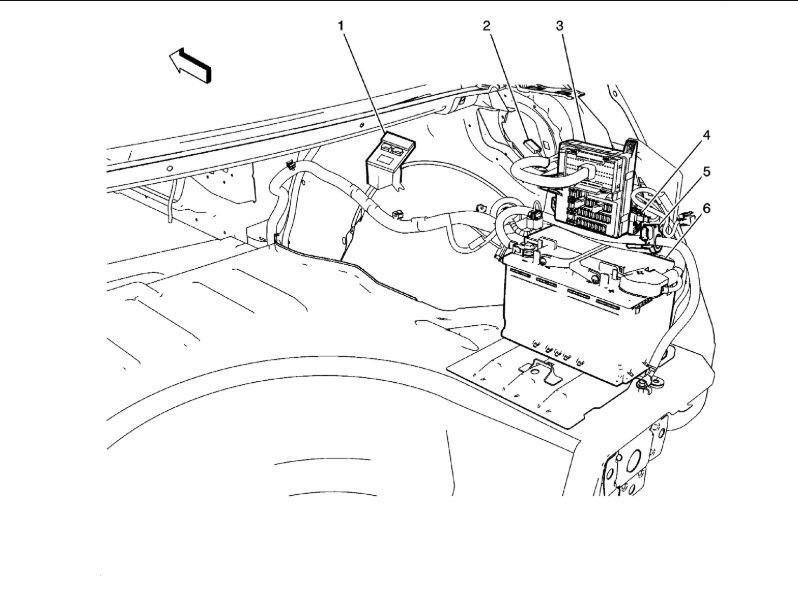
1 - Fuel Pump Flow Control Module (LSA)
2 - Data Link Resistor (LSA)
3 - Fuse Block - Rear
4 - Fuel Door Release Actuator (N08)
5 - Battery Current Sensor
6 - Battery
Nov 5, 2018 at 7:57 AM
Avatar
COLLET WILLIAMS
  • MEMBER
  • 10 POSTS
Yes, I am not hearing my fuel pump engage. So I was trying to check fuel pump relay. Got codes P062B, P1682, P069E, and P0231.
Nov 5, 2018 at 8:03 AM
Avatar
COLLET WILLIAMS
  • MEMBER
  • 10 POSTS
I do not see fuel pump relay.
Nov 5, 2018 at 8:03 AM
Avatar
STRAILER
  • CERTIFIED EXPERT
  • 53,854 POSTS
There is no fuel pump relay only the control module. Here are the engine and fuel pump wiring diagrams so you can see how the system works.

Here is a guide so you can check for power to the pump to see if the pump is bad. Use the wiring diagrams below:

https://www.2carpros.com/articles/how-to-use-a-test-light-circuit-tester

There are different locations for the fuel pump module here are all options.

Check out the diagrams (below). Please let us know what you find. We are interested to see what it is.

Cheers, Ken
Nov 8, 2018 at 11:37 AM
Avatar
COLLET WILLIAMS
  • MEMBER
  • 10 POSTS
I have a 05 ford hybrid escape..code P1A10 powertrain control module . disaaable battery .
Nov 9, 2018 at 8:22 AM
Avatar
ASEMASTER6371
  • CERTIFIED EXPERT
  • 52,796 POSTS
Are you going to another car? If you are, please start a new question.

Roy
Nov 9, 2018 at 8:32 AM
Avatar
ASEMASTER6371
  • CERTIFIED EXPERT
  • 52,796 POSTS
Okay.

The 62 code is the key. you have a failed PCM and it needs to be replaced. That looks like it has set all the other codes as well.

Roy

p062b

P062B
Descriptor
Probable Causes
Engine Control Module (ECM)

1682

P1682
Descriptor
Probable Causes
EC Ignition Relay Feedback Signal Circuit Open or High Resistance
EC Ignition Relay Feedback Signal Circuit Short to Ground
Engine Control Module (ECM)

p069e

P069E
Descriptor
Probable Causes
Engine Control Module (ECM)
Transmission Control Module (TCM)
Nov 9, 2018 at 8:35 AM
Avatar
TAYY
  • MEMBER
  • 10 POSTS
Hello, I’m trying to located my fuel pump control module for replacement on my 2017 Cadillac XTS for throwing out the codes P069e.
Mar 6, 2020 at 6:40 PM
Avatar
STRAILER
  • CERTIFIED EXPERT
  • 53,854 POSTS
This is a different car. Please post your new question here, you must be logged in.

https://www.2carpros.com/questions/new

Cheers, Ken
Mar 7, 2020 at 12:22 PM