☰
Login
Join
×
Home
Answered Questions
Repair Topics
Repair & Service Guides
Popular Questions
Warning Lights
Trouble Codes
How It Works
Testing / Diagnostics
Symptoms
Videos
Login
Become a Member
Home
Mazda
Protege
Fuel System
Fuel Pump
Relay
Location
Where is the fuel pump relay located?
2002 MAZDA PROTEGE
185,000 MILES • 4 CYL • 2WD • AUTOMATIC
33FRANK33
MEMBER
1 POST
FOLLOW
I can’t figure out where the location for the fuel pump relay is.
Jun 1, 2023 at 4:16 PM
Advertisement
BORIS K
CERTIFIED EXPERT
836 POSTS
Hello,
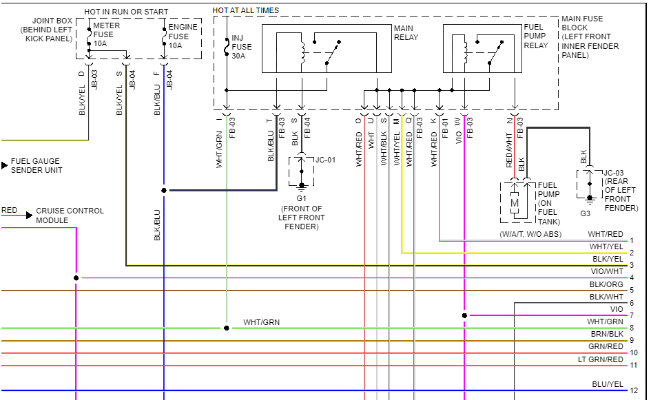
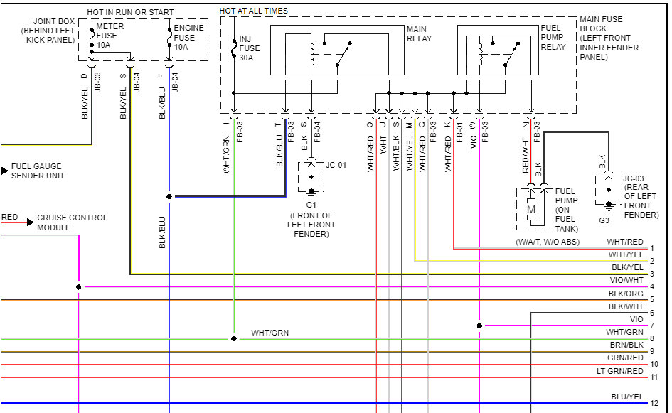
The fuel pump relay is located in the main engine fuse block, just ahead of the driver's side front strut tower, next to battery. See images below.
How to test a relay:
https://www.2carpros.com/articles/how-to-check-an-electrical-relay-and-wiring-control-circuit
Please let us know if you need any other help.
Cheers, Boris
Images (Click to enlarge)
Jun 2, 2023 at 7:42 AM
33FRANK33
MEMBER
1 POST
So, I know that the fuel pump relay is in the main fuse box under the hood, but my question is, what relay is it?
Jun 5, 2023 at 2:44 PM
Advertisement
BORIS K
CERTIFIED EXPERT
836 POSTS
Hello,
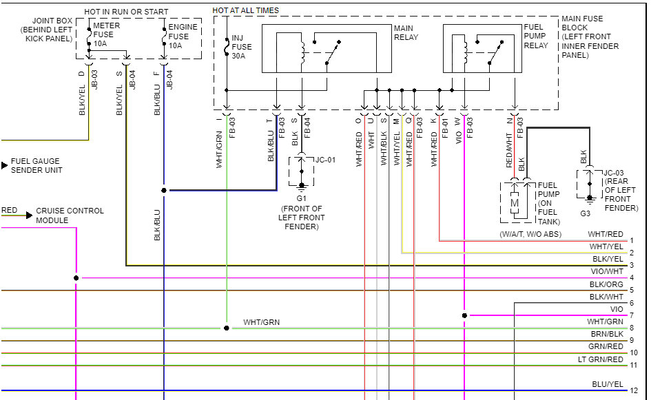
It is the topmost relay, see image below.
Cheers, Boris
Image (Click to enlarge)
Jun 6, 2023 at 8:10 AM