Fuel pump relay location?

2008 NISSAN ALTIMA
168,732 MILES • 2.5L • 4 CYL • 2WD • AUTOMATIC
Avatar
TRIPSLUV
  • MEMBER
  • 2 POSTS
I cannot find my fuel pump relay location. Also, does my car have a fuel pump reset switch?
Jul 3, 2019 at 6:59 AM
Advertisement
Avatar
STRAILER
  • CERTIFIED EXPERT
  • 53,854 POSTS
Hello,

There is no reset switch.here is a guide to help you test the relay which is inside the IPDM in the engine compartment:

https://www.2carpros.com/articles/how-to-check-an-electrical-relay-and-wiring-control-circuit

Check out the diagrams (below). Please let us know what happens.
Jul 4, 2019 at 2:31 PM
Avatar
TRIPSLUV
  • MEMBER
  • 2 POSTS
I still can't find it. I don't understand those diagrams. Is it inside the car or under the hood?
Jul 5, 2019 at 12:57 PM
Advertisement
Avatar
DANNY L
  • CERTIFIED EXPERT
  • 5,648 POSTS
Hello, I'm Danny.

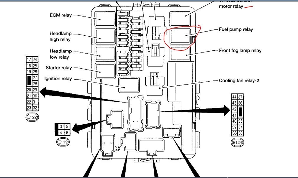
The fuel pump relay is located in the IPDM (intelligent power distribution module) which is located under the hood on the left side near the strut tower. I've attached a picture below. Hope this helps and thanks again for using 2CarPros.
Danny-
Jul 6, 2019 at 5:40 PM
Avatar
HAROLDNASHJR
  • MEMBER
  • 1 POST
Where is the fuel pump relay location? What does the relay look like?
May 25, 2021 at 1:31 PM (Merged)
Avatar
JACOBANDNICKOLAS
  • CERTIFIED EXPERT
  • 110,175 POSTS
Welcome to 2CarPros.

The relay is located in the under hood power distribution box. I attached a picture which shows the relay location for you. Pic 2 is a general picture of a fuel pump relay.

Here is a link that explains how to check a relay:

https://www.2carpros.com/articles/how-to-check-an-electrical-relay-and-wiring-control-circuit

Here are a few additional links you may find helpful:

https://www.2carpros.com/articles/how-to-check-wiring

Check out the diagrams (Below). Please let us know what you find.

May 25, 2021 at 1:31 PM (Merged)
Avatar
SCGRANTURISMO
  • CERTIFIED EXPERT
  • 4,897 POSTS
Hello,

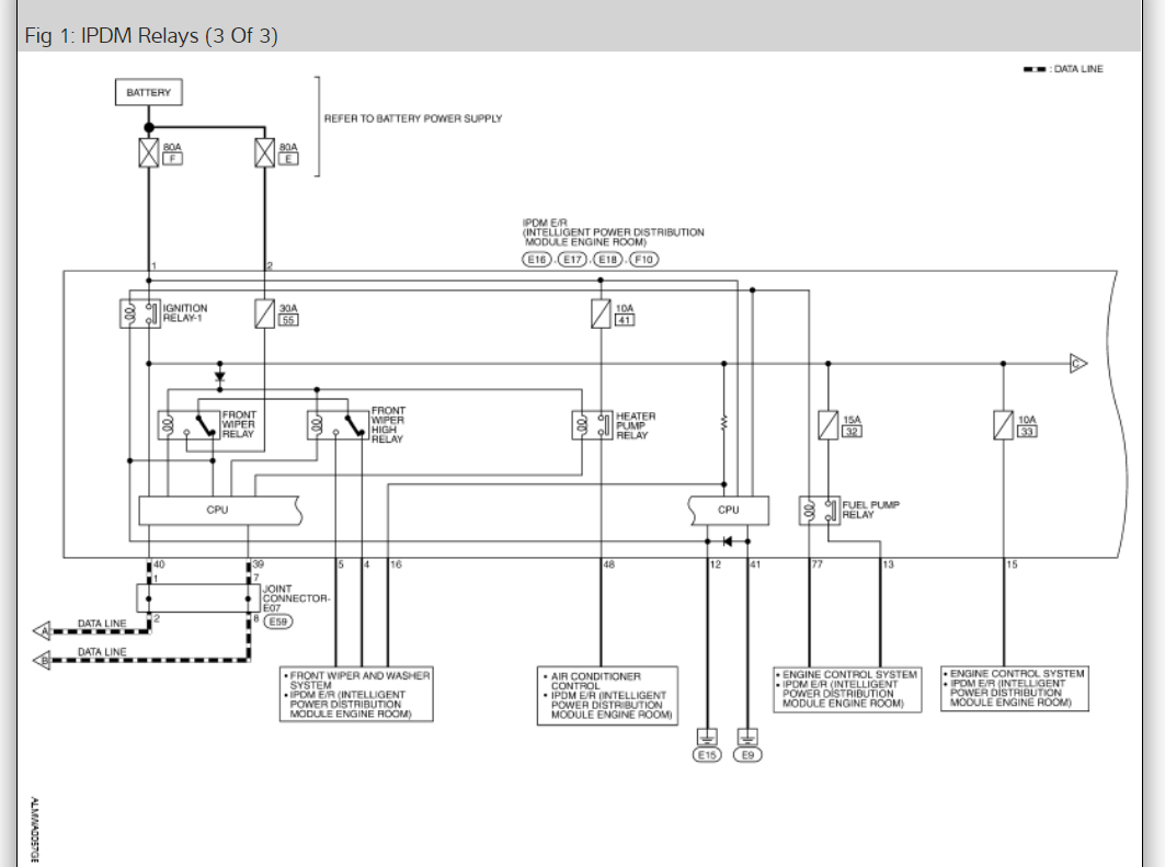
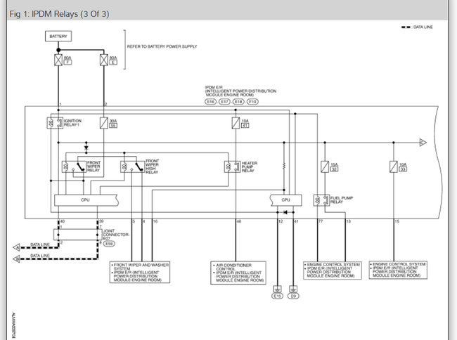
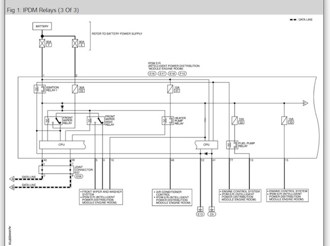
The relay is located in your vehicle's Intelligent Power Distribution Module (IPDM) which is located on the right front of the engine compartment, right behind the headlight. In the diagrams down below I have included diagrams for the location of the IPDM and a diagram with the fuse and relay locations in the module itself. Here is a link for how to test a relay, if needed:

https://www.2carpros.com/articles/how-to-check-an-electrical-relay-and-wiring-control-circuit

Please go through these guides and get back to us with what you are able to find out.

Thanks,
Alex
2CarPros
May 25, 2021 at 1:31 PM (Merged)
Avatar
HAZEY83
  • MEMBER
  • 1 POST
I have looked all over the engine to find the relay location. I located two different fuse boxes under the hood and none of them are where the fuel pump relay is. Even looked under steering wheel found some fuses there but no relay. Please help I have no idea where it could be. And yes I looked through YouTube and Google images already and no help.
May 25, 2021 at 1:31 PM (Merged)
Avatar
DANNY L
  • CERTIFIED EXPERT
  • 5,648 POSTS
Hello, I am Danny.

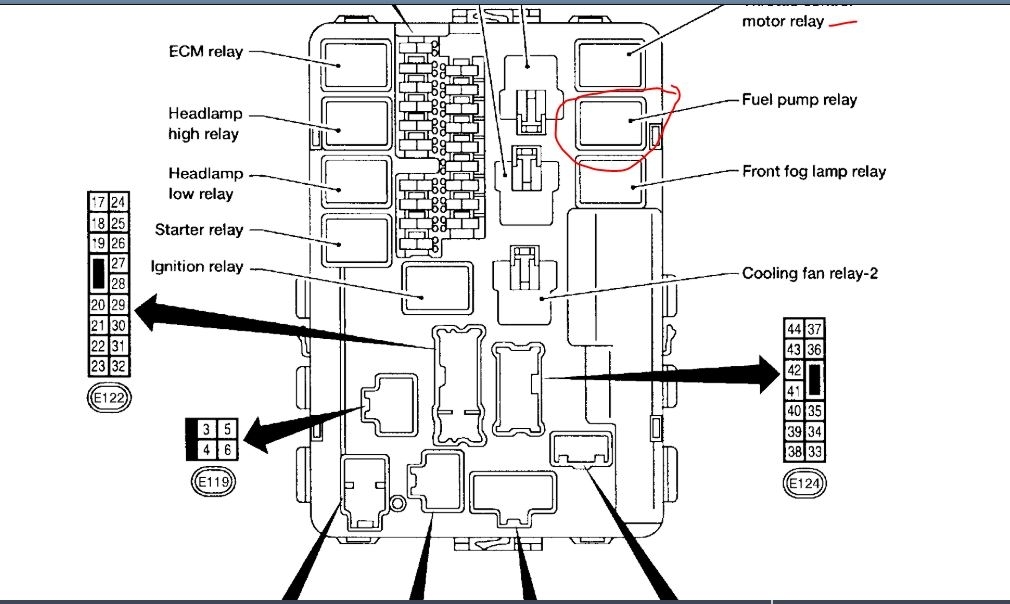
The fuel pump relay is located in the Intelligent Power Distribution Module Engine Room (IPDMER). Attached is a picture. I circled it in red below.

Here is a guide to help you test the relay as well

https://www.2carpros.com/articles/how-to-check-an-electrical-relay-and-wiring-control-circuit

Check out the diagrams (Below). Please let us know if you need anything else to get the problem fixed.
May 25, 2021 at 1:31 PM (Merged)
Avatar
DAVEMANLEY
  • MEMBER
  • 2 POSTS
Replace the fuel pump in the car still won’t start after hearing feel pump humming. Car just previously running.
May 25, 2021 at 1:31 PM (Merged)
Avatar
ASEMASTER6371
  • CERTIFIED EXPERT
  • 52,796 POSTS
Good afternoon,

Can you hear the pump after replacing the relay?

There should be 2 powers to the relay with the key on. One is fused control and one is powered by the ECM relay.

Can you feel the relay energize when you turn on the key?

Roy
May 25, 2021 at 1:31 PM (Merged)
Avatar
JHRNDZ
  • MEMBER
  • 1 POST
My car had stopped working. I charged the battery got it going for three days, it stopped working again. I tried to charge the battery, but it would not hold a charge. I purchased a new batery and it still had a hard time starting the car. I gave it a good kick of gas and it turned on. tested the starter and alternator no problem there, service light went off. The car did good for a week and now will not start again. I look online and was given several possibilities of what it could be, spark plugs, fuel pump, or head gasket. Here is what happens wen I try to start car; It sounds like it wants to kick over all lights and stereo work fine, the battery is only a week old. After about the third try of starting car it smells like gas, I could be flooding it. A friend said it could be valve cover leaking oil to spark plugs, but really I feel like we are playing a guessing game as to what is wrong with it and I have no idea what to fix. The service light never turned back on so I have no way of checking it. Can you please help me figure this out? Thank you.
May 25, 2021 at 1:31 PM (Merged)
Avatar
STRAILER
  • CERTIFIED EXPERT
  • 53,854 POSTS
Hey JHRNDZ,

It sounds like the ignition relay has gone out and not giving the ignition coil a signal that why you smell the fuel from the injectors, here is a diagram on its location, test or replace it and get back to us please.

Here is a link for the testing

https://www.2carpros.com/articles/how-to-check-an-electrical-relay-and-wiring-control-circuit

Best Ken
May 25, 2021 at 1:31 PM (Merged)
Avatar
MKOROMA06
  • MEMBER
  • 1 POST
Changed the fuel pump recently, but now I have to change the fuel pump relay. I bought a Duralast relay and I do not know where the location of the fuel pump relay is to put it in. The car is the SE-R model.
May 25, 2021 at 1:31 PM (Merged)
Avatar
STRAILER
  • CERTIFIED EXPERT
  • 53,854 POSTS
Hi,

I found the relay location for you along with the guide to help you test it to see if it is the problem. Relay diagram (below).

https://www.2carpros.com/articles/how-to-check-an-electrical-relay-and-wiring-control-circuit

Check out the diagrams (Below). Please let us know if you need anything else to get the problem fixed.
May 25, 2021 at 1:31 PM (Merged)
Avatar
KEVIN'S NISSAN
  • MEMBER
  • 1 POST
I bought a new fuel pump relay but can't find where it is located. can you please send a picture of where it is located at? I bought the book but it's not helping. my car will crank over,but it's not wanting to fire. it will just crank over and crank over. what do you think it might be?
May 25, 2021 at 1:31 PM (Merged)
Avatar
ASEMASTER6371
  • CERTIFIED EXPERT
  • 52,796 POSTS
Good morning,

The relay is in the under hood fuse block. I attached the location for you.

https://www.2carpros.com/articles/car-cranks-but-wont-start

Can you hear the pump run when you turn the key on? It should run for 2 seconds and shut off.

https://www.2carpros.com/articles/how-to-check-fuel-system-pressure-and-regulator

Did you check for spark? Crank the engine and see if the tachometer moves up a little while cranking. That will tell me if the crank sensor is working.

https://www.2carpros.com/articles/how-to-test-an-ignition-system

Roy
May 25, 2021 at 1:31 PM (Merged)
Avatar
23JPC09
  • MEMBER
  • 1 POST
Where is the fuel pump relay located in the car listed above?
May 25, 2021 at 1:31 PM (Merged)
Avatar
BMDOUBLE
  • CERTIFIED EXPERT
  • 1,139 POSTS
Here is the location of the relay in the diagrams below with a guide to help you check it

https://www.2carpros.com/articles/how-to-check-an-electrical-relay-and-wiring-control-circuit

Check out the diagrams (Below). Please let us know what you find.
May 25, 2021 at 1:31 PM (Merged)
Avatar
MARTIN0514
  • MEMBER
  • 2 POSTS
I got a 2003 Nissan altima with a 3.5 engine, it has 125k on it.The car will turn over but won't start, I notice that there's no fuel going to the fuel rail,(I disconnect the fuel line going to the fuel rail) The 10 amp fuse in the engine compartment next to the coolant recovery is not blown,i look for a fuel pump relay but i couldn't find one the question for you the experts where do I go next to find the problem. Thanks OKC man
May 25, 2021 at 1:31 PM (Merged)
Avatar
RASMATAZ
  • CERTIFIED EXPERT
  • 75,992 POSTS
Hi Martin0514, Welcome to 2carpros The FP Relay is in the intelligent power distribution module in the right front engine compartment. Check fuse no.32 15amp in the IPDM Do this find the fuel pump connector and power the black and yellow wire from the battery this will cause the fuel pump to come on.


https://www.2carpros.com/forum/automotive_pictures/12900_IPDM_1.jpg

May 25, 2021 at 1:31 PM (Merged)
Avatar
TCAFFEE
  • MEMBER
  • 1 POST
where is the location of the fuel pump relay in a 2003 nissan altima. 4 cylinder?
May 25, 2021 at 1:31 PM (Merged)
Avatar
WRENCHTECH
  • CERTIFIED EXPERT
  • 20,761 POSTS
Check out the diagrams (Below). Please let us know if you need anything else to get the problem fixed.


https://www.2carpros.com/forum/automotive_pictures/561653_Fuel_pump_relay_03_altima_1.jpg

May 25, 2021 at 1:31 PM (Merged)
Avatar
KENYA PATRICK
  • MEMBER
  • 1 POST
Where is the fuel pump relay switch located on the car listed above GXE model?
May 25, 2021 at 1:31 PM (Merged)
Avatar
DANNY L
  • CERTIFIED EXPERT
  • 5,648 POSTS
Hi there, I am Danny.

Your fuel pump relay is located on the passenger compartment fuse block. I attached a picture and circled it in red. Here is a guide to help check the relay.

https://www.2carpros.com/articles/how-to-check-an-electrical-relay-and-wiring-control-circuit

Check out the diagrams (Below). Please let us know what happens.
May 25, 2021 at 1:31 PM (Merged)
Avatar
ARMYVETTE
  • MEMBER
  • 3 POSTS
Recently I had problems starting. Determined that it was a fuel issue. Replaced the fuel pump, fuel pump relay, fuel filter and checked the lines for clogs or holes. I also checked the fuses. After all that the car started up great and ran for about a week before it happened again. I just replaced the fuel pump relay this afternoon and it started right up. About four hours later it will not start again. However i'm going to replace it one more time to ensure that this is the issue.

My question is why would this be happening? What else can I do to fix this?

Thank you in advance
May 25, 2021 at 1:31 PM (Merged)
Avatar
LEGITIMATE007
  • CERTIFIED EXPERT
  • 5,121 POSTS
Sounds like you may have a wiring issue. Since it seems to be intermittent..

Please run down these guides and diagrams and report back

https://www.2carpros.com/articles/how-to-check-an-electrical-relay-and-wiring-control-circuit
May 25, 2021 at 1:32 PM (Merged)
Avatar
ARMYVETTE
  • MEMBER
  • 3 POSTS
yes, while doing so I replaced the plugs with plantinums and new plug wires and rotor cap. The spark was ok but was a little weak but is now strong. As far as testing the pressure I was under the impression that the car has to be running to do so which is impossible, i guess if a new relay fixes it temporarily i can test the pressure.

thanks, anyone else?
May 25, 2021 at 1:32 PM (Merged)
Avatar
MIROM2
  • MEMBER
  • 15 POSTS
hey buddy if youre still banging your head against the wall and have this issues still stop for a second and read my post, sound exactly like what i had, reason for start sometime and not other is that the wire moves and it might, its made of copper strand wire and maybe 90% of them are broken already, and not enough resistance, the the car might move when you kick it or throw hammer at it and then it will start up, anywasy no more stalling, no pun intended, read on...
try this, get some starting fluid, spray above filter in airbox, if it starts like normal and then stalls again they you definitely have the below issues, it affects altimas from 93 to 2002...
Hi, I have had a similar issue, took the car to a shop they replaced a bunch of parts that they said were definitely bad, but thats another story, they gave me a BS story each time they replaced something, and i am talking a reputible shop in town here, not some joe shmo, found the issue myself after doing some thinking, if you cannot start car, have someone else turn key for you and you listen from backseat with the larger half of the seat folded forward, the fuel pump is right below where the velcro connects the trunk carpet right below there, but to get to it back seat comes out, along with the round pressed metal surround under the plastic pieces there along with them... anyways listen for the fuel pump as the other person turns key, you cant do this test yourself. if you hear nothing, its most likely it, try a few times, then get out and rock the car back and forth a couple times from side to side, at this point the wire which is half broken inside may align itself, try listening again, if you are able to start car, then get the sending unit or fuel pump harness kit, forget which it was, but the wire that is bad is the one that connects to top of the fuel tank seal and the other side to the fuel pump. I hope this saves a lot of headaches for everyone, and I can't believe that nissan doesnt even have this documented... definite design flw, basically what happens is while driving the sending unit along with fuel pump are suspended by 2 fuel lines and this wire harness, and it, just like any piece of metal eventually partially breaks when folded back and forth a thousand times...i dont believe you can buy the cable itself, it comes as a part of the kit or sending unit, one connector is flat, other square with rounded corners, i believe around 80$ bucks at nissan dealer only.... good luck, let me know how it works out...
-Miro
May 25, 2021 at 1:32 PM (Merged)
Avatar
GARBDHIFI
  • MEMBER
  • 2 POSTS
I have a 1996 Nissan Altima GXE the relay to the Fuel Pump is not working what should I check for?
May 25, 2021 at 1:32 PM (Merged)
Avatar
KHLOW2008
  • CERTIFIED EXPERT
  • 41,814 POSTS
Here are the diagnostic procedures for the fuel pump system.

FUEL PUMP SYSTEM TEST
1. Turn ignition on. With fingers, pinch fuel feed hose at fuel filter. Fuel pressure pulsation should be felt for 5 seconds after ignition is turned on. If pulsation is not felt, go to next step. If pulsation is felt, system is functioning properly.

2. Turn ignition off. Disconnect fuel pump relay. Fuel pump relay is located in relay box next to battery. Turn ignition on. Measure voltage between ground and fuel pump relay harness connector terminals No. 1 (Blue/Black wire) and No. 3 (Blue/Black wire). Battery voltage should be present. If battery voltage is present, go to next step. If battery voltage is not present, check 15-amp fuse in main fuse box. Check harness continuity between fuse and fuel pump relay. Repair or replace as necessary.

3. Turn ignition off. Disconnect fuel pump harness connector, located under rear seat. Check continuity between ground and fuel pump harness connector Black wire. Check continuity between fuel pump relay harness connector terminal No. 5 (Black/Red wire) and fuel pump harness connector Black/Red wire. Continuity should exist in both checks. If continuity exists in both checks, go to next step. If continuity does not exist, repair appropriate harness or connectors.

4. Ensure ignition is off. Disconnect ECM harness connector. ECM is located under center of instrument panel (connector is on passenger's side). Check continuity between ECM harness connector terminal No. 8 (Black/Yellow wire) and fuel pump relay harness connector terminal No. 2 (Black/Yellow wire). Continuity should exist. If continuity does not exist, check harness between ECM and relay. Repair harness and connectors as necessary. If continuity exists, check fuel pump relay. If relay is okay, check fuel pump.

© 2008 Mitchell Repair Information Co., LLC.
May 25, 2021 at 1:32 PM (Merged)
Avatar
RESP13
  • MEMBER
  • 1 POST
Could you please tell me where the fuel relay switch is located on a 1995 nissan Altima. I have been trying to find it to reset it for days. After I changed the fuel line on my car the car is not running right it will start and idle until the gas runs out but will not take gas when the gas peddle is used. it was running fine until I change the cracked hose. People are telling me I need to reset the fuel relay switch but I have no idea where it is.
May 25, 2021 at 1:32 PM (Merged)
Avatar
RASMATAZ
  • CERTIFIED EXPERT
  • 75,992 POSTS
You're talking about the fuel pump relay-its right inside relay box #2 beside the battery. See below


https://www.2carpros.com/forum/automotive_pictures/12900_fuel_pump_relay_4.jpg

May 25, 2021 at 1:32 PM (Merged)
Avatar
ASEMASTER6371
  • CERTIFIED EXPERT
  • 52,796 POSTS
Good afternoon,

I attached the location of the fuel pump relay as well as the diagram for the operation for you.

https://www.2carpros.com/articles/how-to-check-wiring

https://www.2carpros.com/articles/how-to-check-an-electrical-relay-and-wiring-control-circuit

https://www.2carpros.com/articles/how-to-use-a-voltmeter

Let me know if you have any other questions.

Roy
May 25, 2021 at 1:53 PM