Hello,
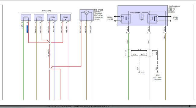
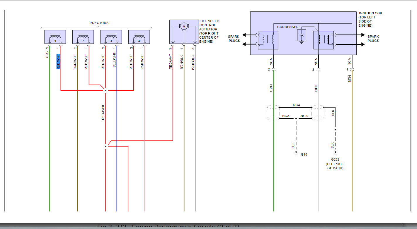
I have included the information for the fuel pump relay, including location and your vehicle's engine control wiring diagrams, in the diagrams down below. Please go through the material and keep us informed on what you find out.
Thanks,
Alex
2CarPros
Images (Click to enlarge)
Mar 10, 2019 at 6:50 PM