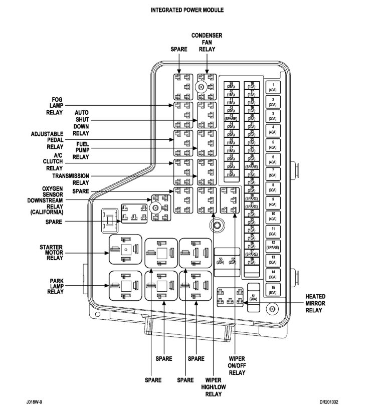
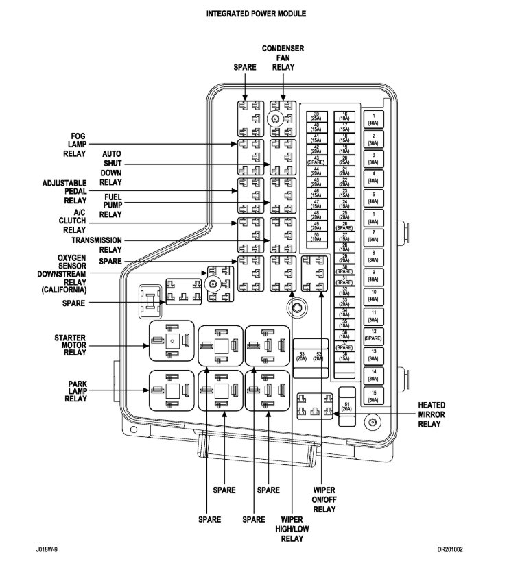
Went out to start truck and wont start. turned the key on and pump didn't run. checked the fuel pressure on rail and no pressure there. so I thought it was a bad pump so I changed the pump and it worked for one day and did the same thing. thought I had gotten a bad pump went and got a new pump again and again same issue. went and bought a fuse tester and the fuse 15 amp is good. I checked relay fuse and it's good also. what else could be that is stopping power getting to the pump? Oh yeah, my alarm system had stopped working also. could that be an issue?
Jun 22, 2019 at 12:18 PM
