Fuel pump replacement

1989 OLDSMOBILE 98
120,000 MILES • 3.8L • V6 • 2WD • AUTOMATIC
Avatar
GERRY HARP
  • MEMBER
  • 1 POST
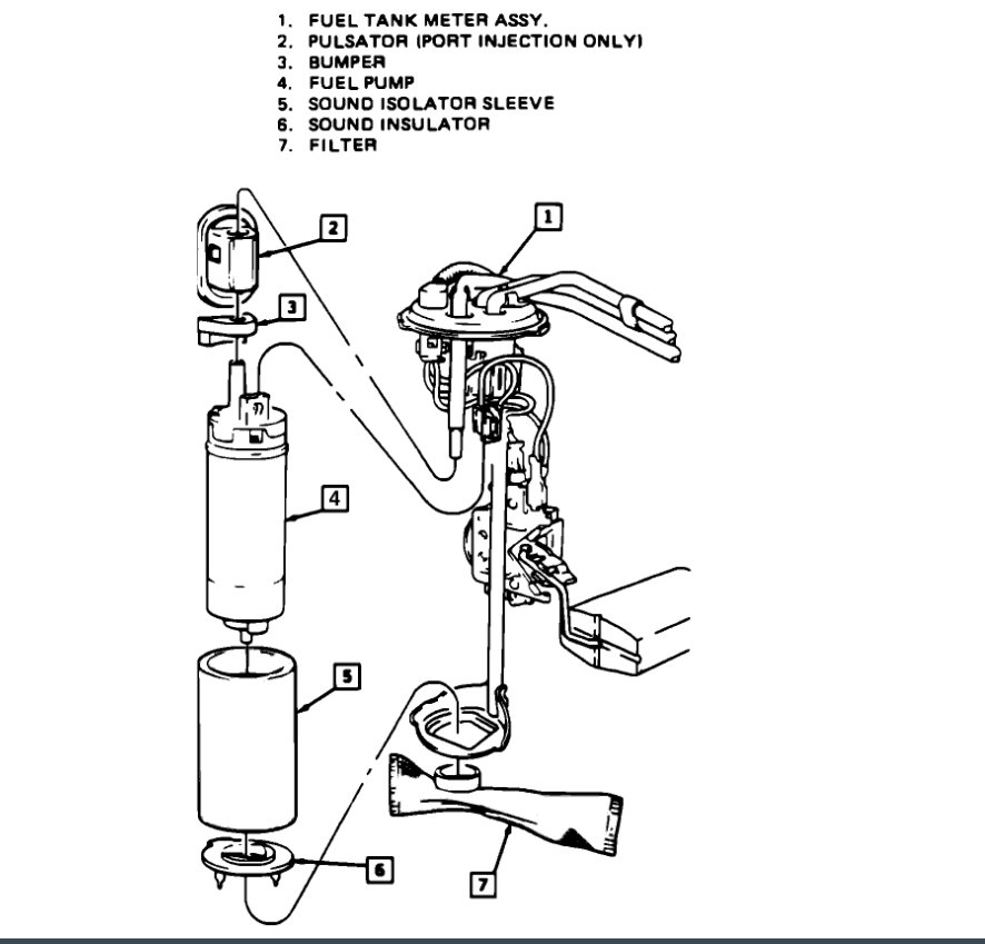
Need to know pressure that pump should be and if changing pump is there an access panel or do i have to drop the tank?
Jan 19, 2020 at 11:39 AM
Advertisement
Avatar
SCGRANTURISMO
  • CERTIFIED EXPERT
  • 4,897 POSTS
Hello,

I have included for you the fuel pressure specs for your vehicle and the instructions for the removal and installation of your vehicle's fuel pump. Please go through these guides and get back to us with how everything turns out please.

Thanks,
Alex
2CarPros
Jan 19, 2020 at 11:54 AM