Fuel pump power, circuit opening relay location needed

1996 TOYOTA TACOMA
246,000 MILES • 2.4L • 4 CYL • 2WD • MANUAL
Avatar
BILLY WINTERS
  • MEMBER
  • 1 POST
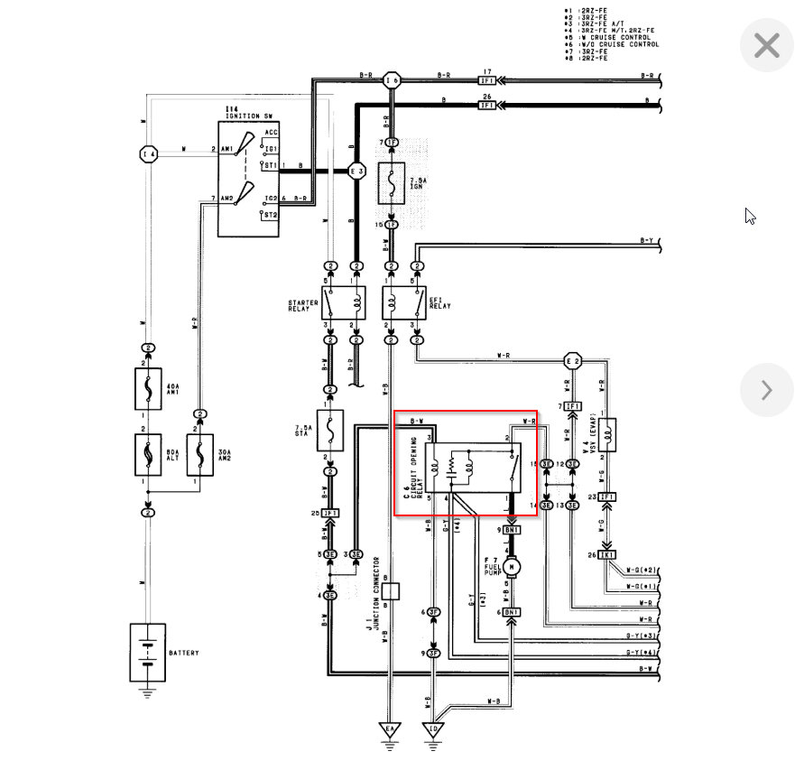
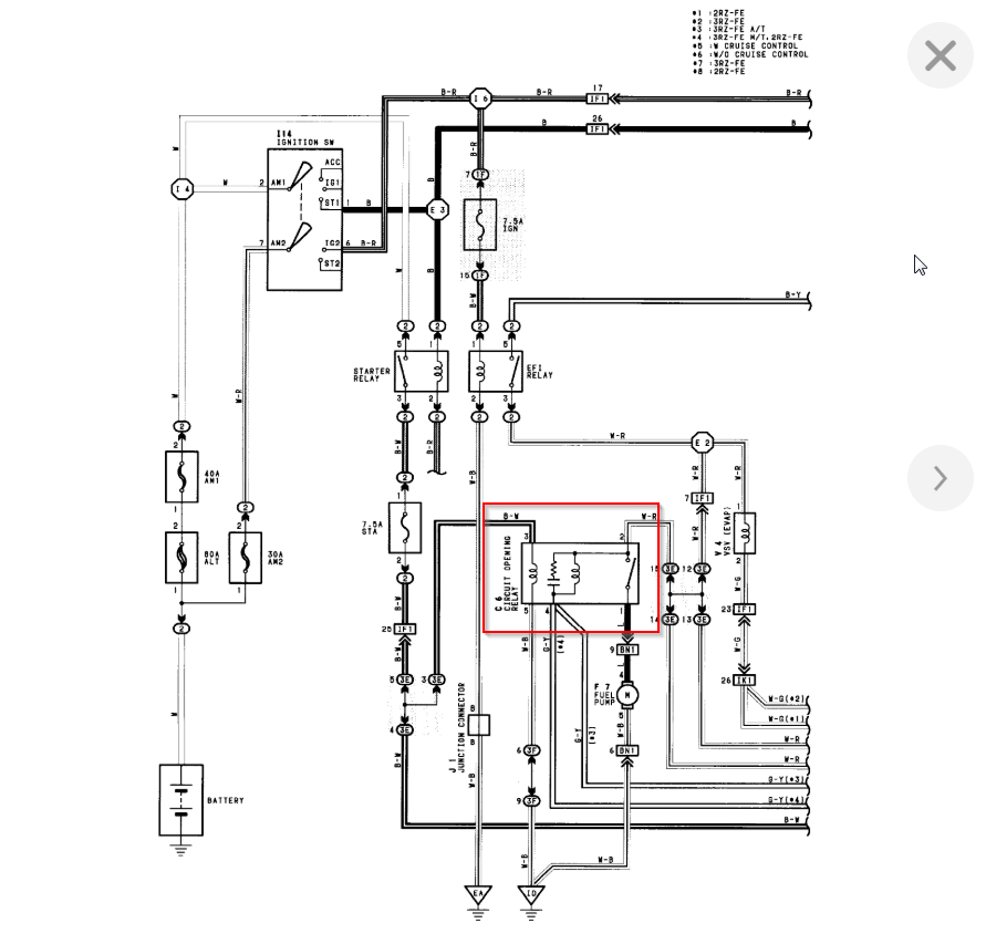
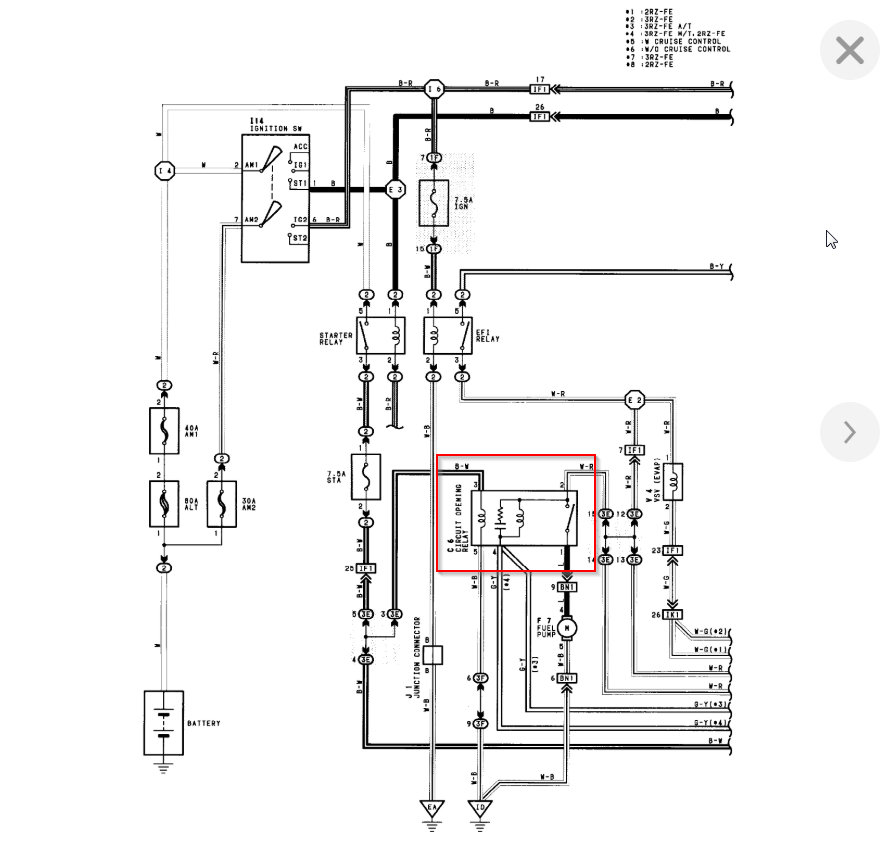
Need to know where COR is located.
May 18, 2020 at 4:18 PM
Advertisement
Avatar
KASEKENNY
  • CERTIFIED EXPERT
  • 18,907 POSTS
I attached the information on the circuit opening relay.

Also, here is a guide that will help with testing a relay in case you need this help as well.

https://www.2carpros.com/articles/how-to-check-an-electrical-relay-and-wiring-control-circuit

Also, in case you need a little more info on how to use a meter which is helpful in these cases.

https://www.2carpros.com/articles/how-to-use-a-voltmeter

Please let us know if you need more info. Check out the diagrams (Below). Please let us know what happens. Thanks
May 18, 2020 at 6:07 PM