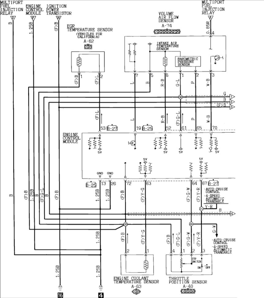
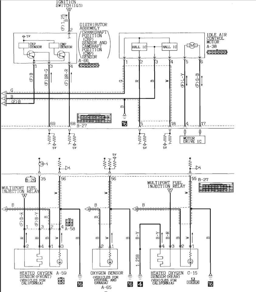
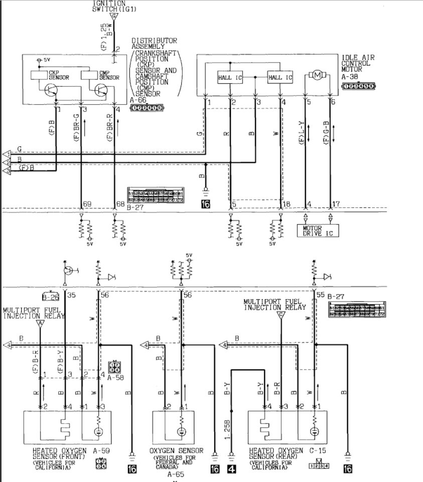
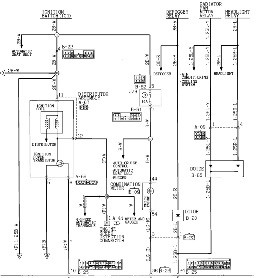
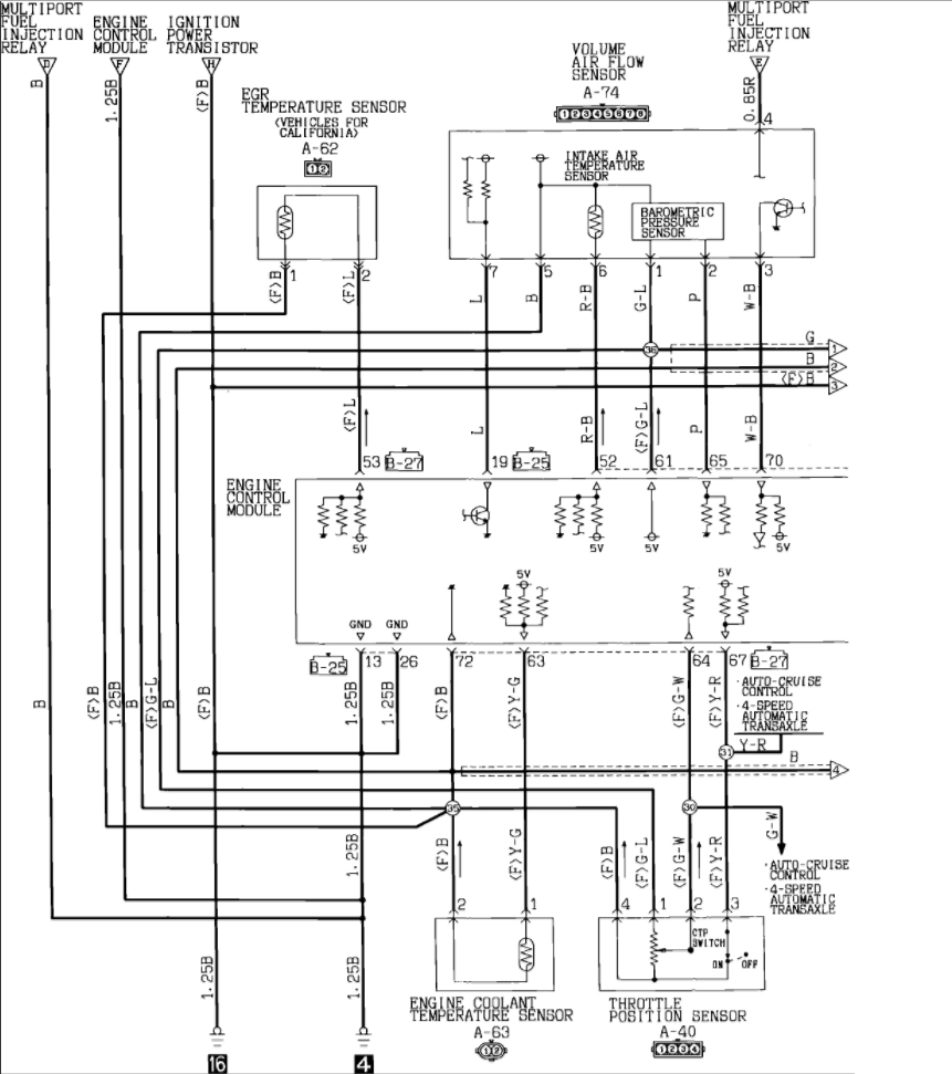
Two problems the first is engine has been completely rebuilt all new but sensors 1. problem hesitation after warm up when acceleration hesitates bad. I think sensor but not sure which. it is not any other thing like timing or other has been before rebuild.
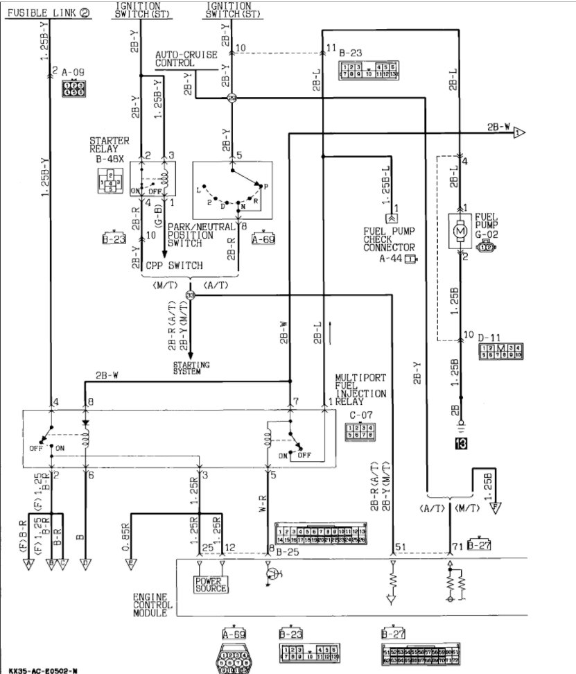
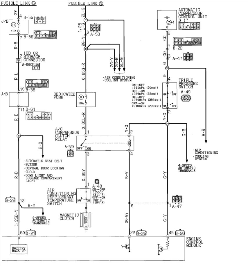
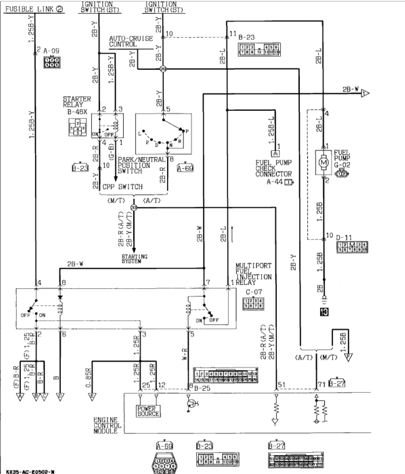
2. One day stopped able to start fuel pump not running but works if hot wired cannot find good wire diagram for location of pump relay or fuse. any ideas? help please.
2. One day stopped able to start fuel pump not running but works if hot wired cannot find good wire diagram for location of pump relay or fuse. any ideas? help please.
Nov 23, 2017 at 7:26 PM















