Fuel pump not working and injectors not pulsing

1988 CHEVROLET S-10
250,000 MILES • 2.8L • 6 CYL • 4WD • AUTOMATIC
Avatar
AWESOMEBILL
  • MEMBER
  • 1 POST
Fuel pump works fine if I wire it straight to battery. injectors have juice with test light just don't pulse. what is going on? I am on the verge of selling it for scrap and its way down. so please help me and my truck from scrap yard.
Jan 19, 2020 at 4:24 AM
Advertisement
Avatar
SCGRANTURISMO
  • CERTIFIED EXPERT
  • 4,897 POSTS
Hello,

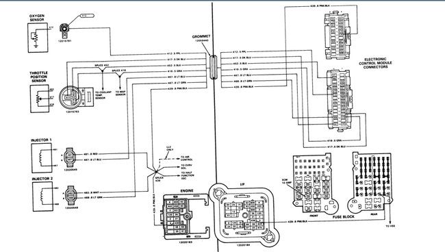
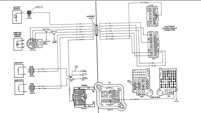
This could be a problem with your vehicle's Engine Control Unit[ECU] or a power or ground wire that goes to the ECU. n the diagrams down below I have included the fuel pump circuit wiring diagram and the engine control wiring diagram which shows the fuel injectors circuit. I have also included a diagnostic troubleshooting guide that explains how to test the fuel injector circuit to pinpoint what your vehicle's problem is from the vehicle manufacturer. You will need to use a Digital Multi-meter [DMM] to go through these guides, so here is a link below explaining how to use one, if needed:


https://www.2carpros.com/articles/how-to-use-a-voltmeter

Please go through these guides and get back to us with what you find out.

Thanks,
Alex
2CarPros
Jan 19, 2020 at 11:41 AM