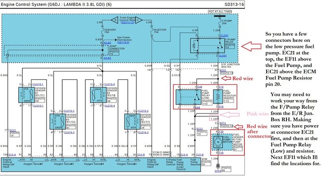
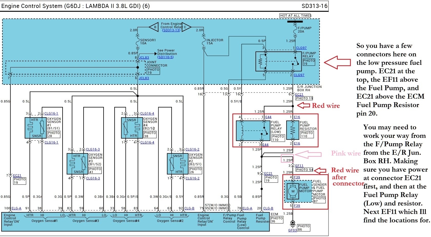
Greetings. This has been an ongoing and intermitted issue for about two years where the car will be running and then just stall out, and it has put me in some dangerous situations as it has stalled out on the highway before just out of the blue. Replaced the EMC and the Fuel pump relay to no avail...even checked the old ones and they appear to be in good working order too. The last time this happened I figured it was a bad connection at the fuel pump itself because the fuel pump connection harness side was getting power, and then I jumped the fuel pump with a battery and the fuel pump worked, so I took a small piece of tin foil, inserted it into the power side female connection on the harness, attached it back to the fuel pump and it started right up and had been running fine until it stalled out again about a month later. This time I checked the voltage at the power wire on the harness, and it was not getting any power. I jumped the fuel pump from the battery again and the fuel pump worked and even pumped gasoline from the connection at the high-pressure pump (into a bottle) I checked the ECM relay, and it worked fine, and I checked the fuel pump relay, and it worked fine. I used a probing light to verify the connections at both were getting power and they both were. I decided to try and jump the fuel pump from the fuel pump relay connection on the fuse panel with a jumper wire....and there was no pump activation. So, this tells me there is a voltage interruption somewhere between the fuel pump relay and the fuel pump itself as the fuel pump should prime if I'm jumping it from the fuel pump relay connection. Also, I checked the main power fuse, and it was fine. This is what I've self-diagnosed, unless I'm overlooking something somewhere that I'm not aware of. I'd appreciate any insight you could provide on this. Second question, today when I was diagnosing this issue I could hit the start button and the car would turn over but wouldn't fire because of the fuel pump not working, but after a few hours of diagnosing the car had stopped turning over and all I would hear when Id mash the start button is a click from what sounded like under the dash around the steering column, and the brake pedal was abnormally stiff too. I know the brake has to be mashed in for the car to start. After this happened, I checked the battery, and it was showing 12.17 volts.
Sorry for such a long question but wanted to make sure you were told everything that had been done.
Sorry for such a long question but wanted to make sure you were told everything that had been done.
Apr 14, 2025 at 5:05 PM


