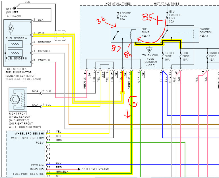
When I turn the key to the on position, the fuel pump does not turn on. The fuse is good, the relay has been replaced. I got a socket tester, and I am able to inject power to the pump and make it run, so my problem is on the control side.
Without the key, I have 12v at pin 30 and at pin 85.
Pin 86 and 87 are open, no ground no power.
When I turn the key to on, I still have 12v at 30 but pin 85, 86 and 87 are all open, no power, no ground.
when I go to start, I still have power at pin 30 but now pin 86 is grounded and pin 85 and 87 are open, no power, no ground.
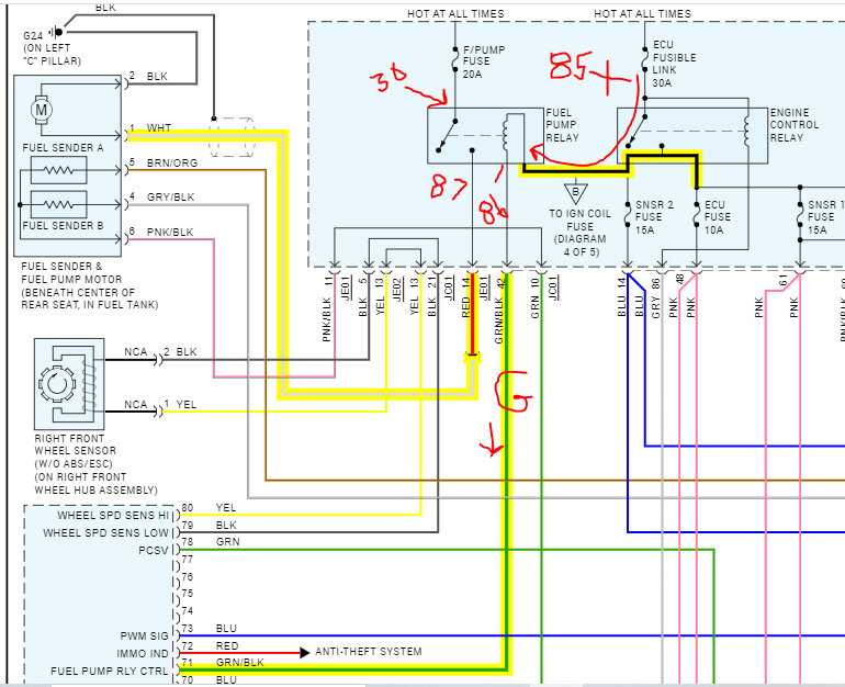
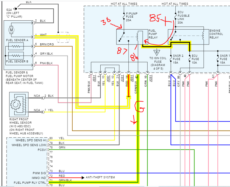
Without the key, I have 12v at pin 30 and at pin 85.
Pin 86 and 87 are open, no ground no power.
When I turn the key to on, I still have 12v at 30 but pin 85, 86 and 87 are all open, no power, no ground.
when I go to start, I still have power at pin 30 but now pin 86 is grounded and pin 85 and 87 are open, no power, no ground.
Nov 26, 2023 at 3:57 PM

