Fuel pump not engaging after engine swap?

2007 HYUNDAI AZERA
230,000 MILES • 3.8L • V6 • 2WD • AUTOMATIC
Avatar
SHANE CRABTREE
  • MEMBER
  • 2 POSTS
I've changed motors in my vehicle listed above, I have run into a problem after the exchange the fuel pump doesn't want to engage. Not getting enough power to the fuel pump.
Apr 23, 2023 at 1:34 PM
Advertisement
Avatar
SHANE CRABTREE
  • MEMBER
  • 2 POSTS
Not getting enough power to the fuel pump.
Apr 23, 2023 at 3:52 PM
Avatar
STRAILER
  • CERTIFIED EXPERT
  • 53,854 POSTS
Does the ignition system have spark? This guide can help confirm if the ignition system is working:

https://www.2carpros.com/articles/how-to-check-for-ignition-spark

If so, I would run the codes to see what comes up, but I can tell you I have seen a bad MAF sensor cause the fuel pump not to turn on. Also check all fuses and ground leads that attach to the engine and battery.

This guide may help as well:

https://www.2carpros.com/articles/car-not-running-advanced


Here is the location of the MAF sensor, try to unplug it to see if the engine starts. Check out the images (below). Please let us know what happens.



Apr 24, 2023 at 12:25 PM
Advertisement
Avatar
SHANE CRABTREE
  • MEMBER
  • 2 POSTS
Okay, I have spark from the ignition. I chose to check the fuel pump by going to the fuse box under the hood and taking the fuel pump relay out and us in a bypass wire I used the wire by putting one end into the hot contact slot and routing to the positive flow slot to the fuel pump. The fuel pump came on and distributed fuel to the motor and allowed the car to start. I'm not sure but I'm thinking that the relay may be bad, so I took the relay from the same car I took the motor from and swapped the two but still a week power flow to the fuel pump. I just don't know what else to do be sides chasing wires from fuel pump to fuse box to see if they are touching
Apr 27, 2023 at 9:42 PM
Avatar
STRAILER
  • CERTIFIED EXPERT
  • 53,854 POSTS
I would check for power at the fuel pump you could have fuel contamination, or a bad fuel pump this guide can show you how.

https://www.2carpros.com/articles/how-to-use-a-test-light-circuit-tester

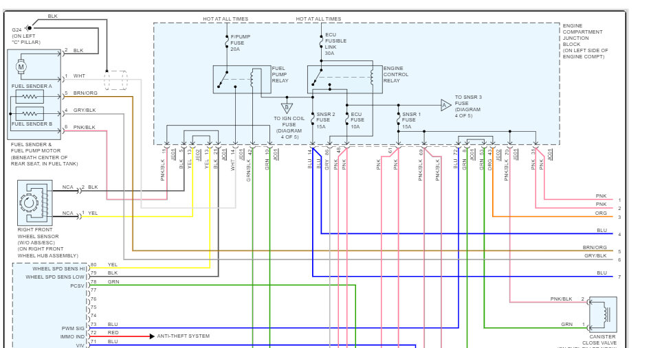
Here are the fuel pump wiring diagrams so you can see which wire to test for power. (White wire) test the wire while cranking the engine over.

Apr 29, 2023 at 11:16 AM