Is there a access point or do I need to drop gas tank??
Oct 17, 2020 at 9:41 AM
Advertisement
DANNY L
CERTIFIED EXPERT
5,648 POSTS
Hello, I'm Danny.
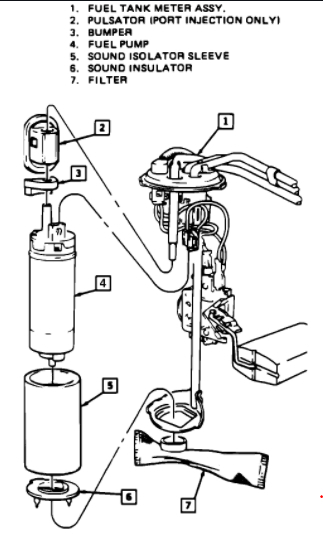
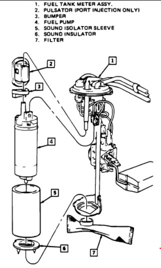
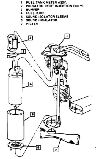
Sorry, there is no access point you will have to drop the gas tank to gain access to the in-tank fuel pump. Here is a tutorial showing what is involved for replacement: